- Partiron
- OEM Parts
- Suzuki
- Motorcycle
- 1977
- TS100 (1977)
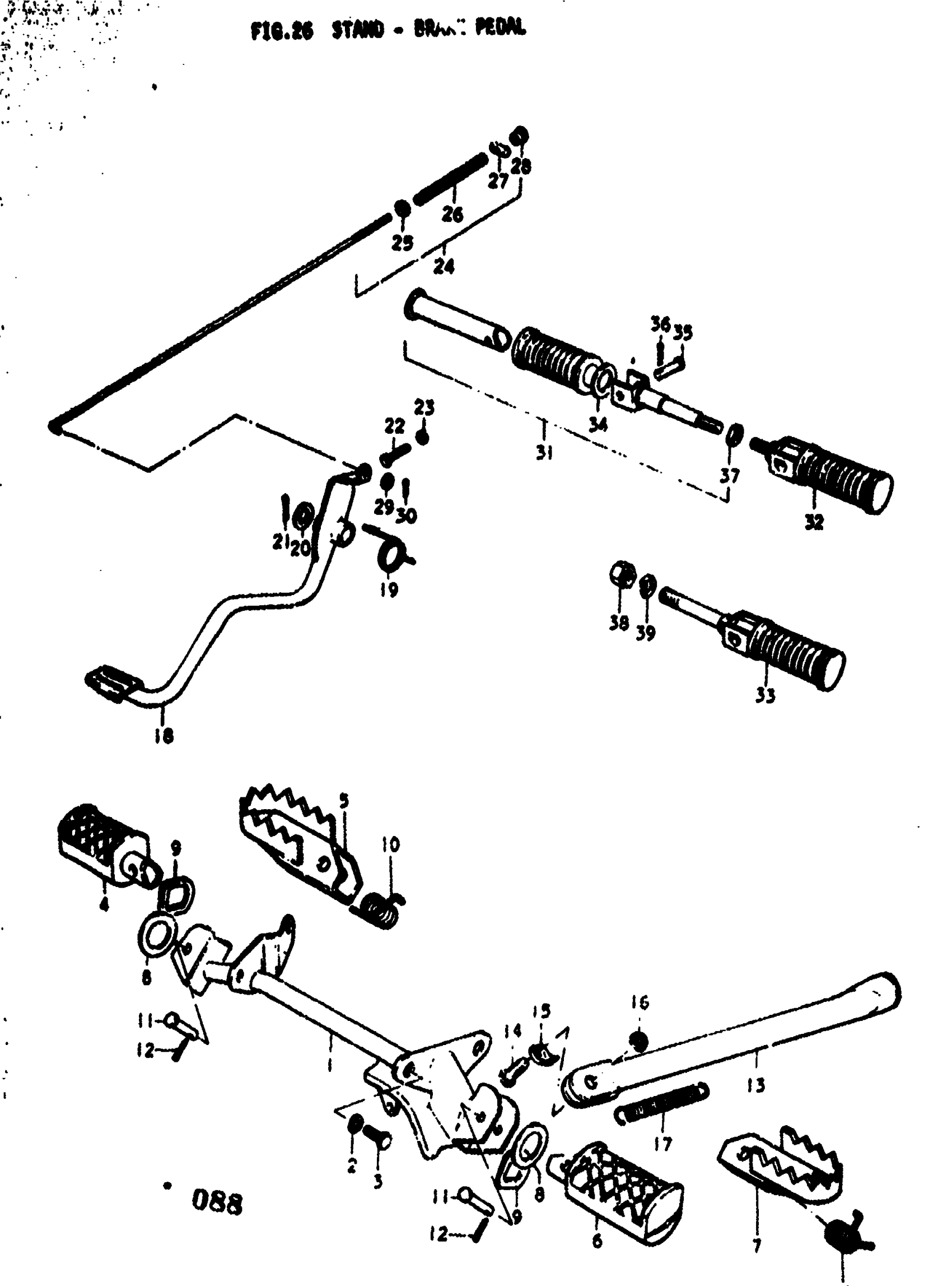
STAND - BRAKE PEDAL
Suzuki TS100 (1977) STAND - BRAKE PEDAL Diagram
#
Description
Price
1
BAR, FOOTREST | K,L,M
43510-25300
Unavailable
1
BAR, FOOTREST | A,B
43510-25301
Unavailable
4
RUBBER, RH | K; TO 43550-25300 This part replaces 43550-25000.
43550-25301
Unavailable
4
RUBBER, FOOTREST RH | L; TO 43550-25301
43550-25300
Unavailable
4
RUBBER, FOOTREST RH | M
43550-25301
Unavailable
5
RUBBER, FOOTREST RH | A,B
43550-25302
Unavailable
6
RUBBER, LH | K; TO 43560-25300 This part replaces 43560-25000.
43560-25301
Unavailable
6
RUBBER, FOOTREST LH | L; TO 43560-25301
43560-25300
Unavailable
6
RUBBER, FOOTREST LH | M
43560-25301
Unavailable
7
RUBBER, FOOTREST LH | A,B
43560-25302
Unavailable
9
WASHER | L,M; SQUARE SHAPED
43581-25300
Unavailable
13
STAND, PROP
42310-25000
Unavailable
15
WASHER
09169-10008
Unavailable
18
PEDAL. BRAKE
43110-25300
Unavailable
19
SPRING This part replaces 09448-32004.
09448-32004-XC0
Unavailable
24
NO DESCRIPTION AVAILABLE | Includes Item(s) 25 - 28 This part replaces 43300-25300.
43300-26400
Unavailable
31
FOOTREST ASSY, PILLION RH
43600-28000
Unavailable
33
FOOTREST ASSY, PILLION LH | M,A,B; Includes Item(s) 34 - 37
43600-36200
Unavailable
