- Partiron
- OEM Parts
- Suzuki
- Motorcycle
- 1977
- TS100 (1977)
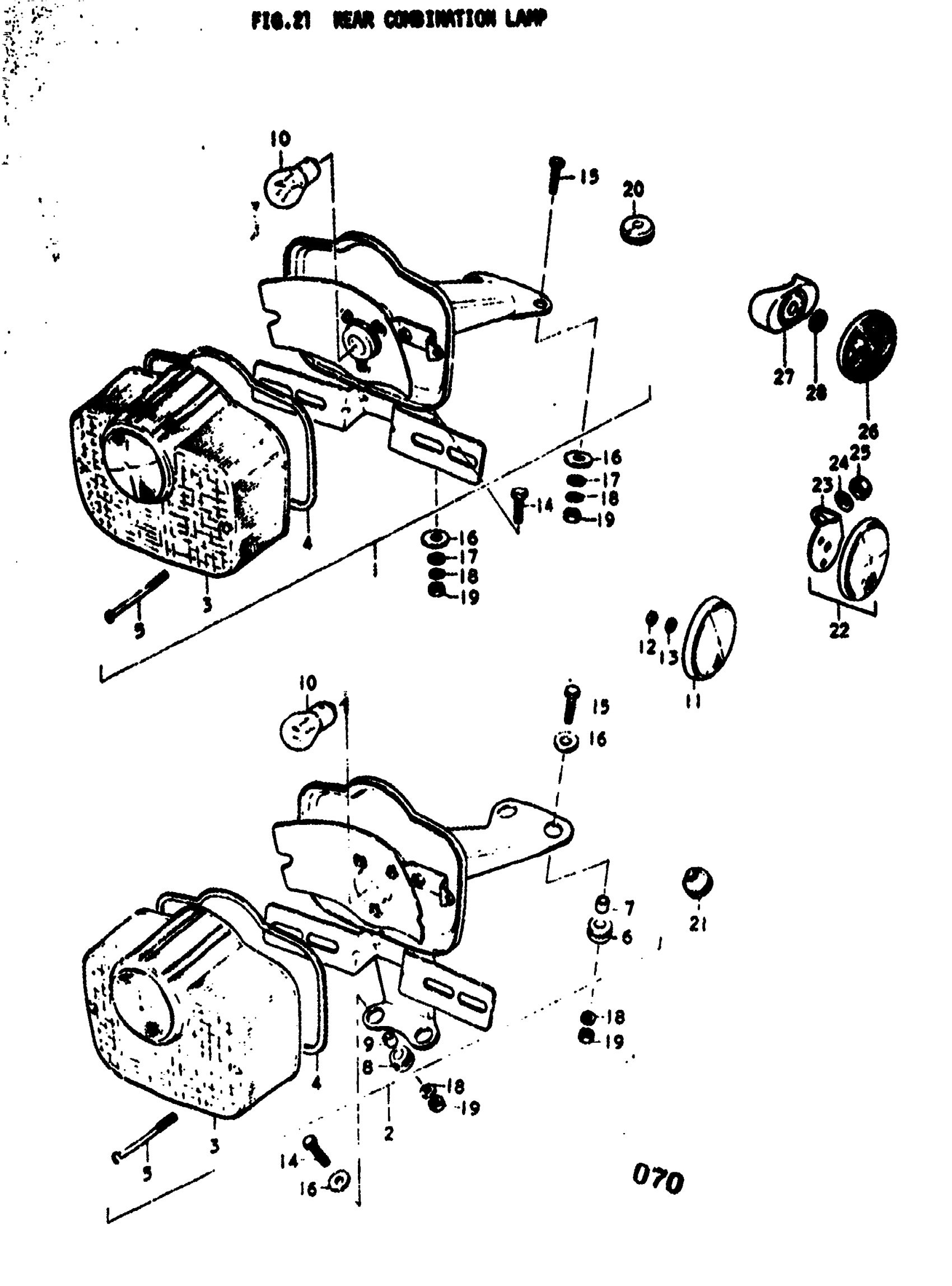
REAR COMBINATION LAMP
Suzuki TS100 (1977) REAR COMBINATION LAMP Diagram
#
Description
Price
1
LAMP ASSY, REAR COMBINATION | K; FROM 35000-28823-999
35710-28691
Unavailable
2
NO DESCRIPTION AVAILABLE | L,M,A; FROM 35000-25831-999; Includes Item(s) 3 - 10 This part replaces 35710-25681.
35710-25681-999
Unavailable
6
CUSHION, UPPER | L,M,A
35765-15010
Unavailable
9
SPACER | L,M,A This part replaces 35766-22210.
35766-37120
Unavailable
10
BULB | 6V, 32/3CP
09471-06030
Unavailable
11
REFLECTOR
35970-31610
Unavailable
21
GROMMET | M
09308-07005
Unavailable
22
NO DESCRIPTION AVAILABLE | K,L,M; Includes Item(s) 23 This part replaces 35950-25610.
35950-25611
Unavailable
23
BRACKET, FRONT REFLECTOR | K
35954-16400
Unavailable
27
SPACER | A
35995-29000
Unavailable
