- Partiron
- OEM Parts
- Suzuki
- Motorcycle
- 1977
- TS100 (1977)
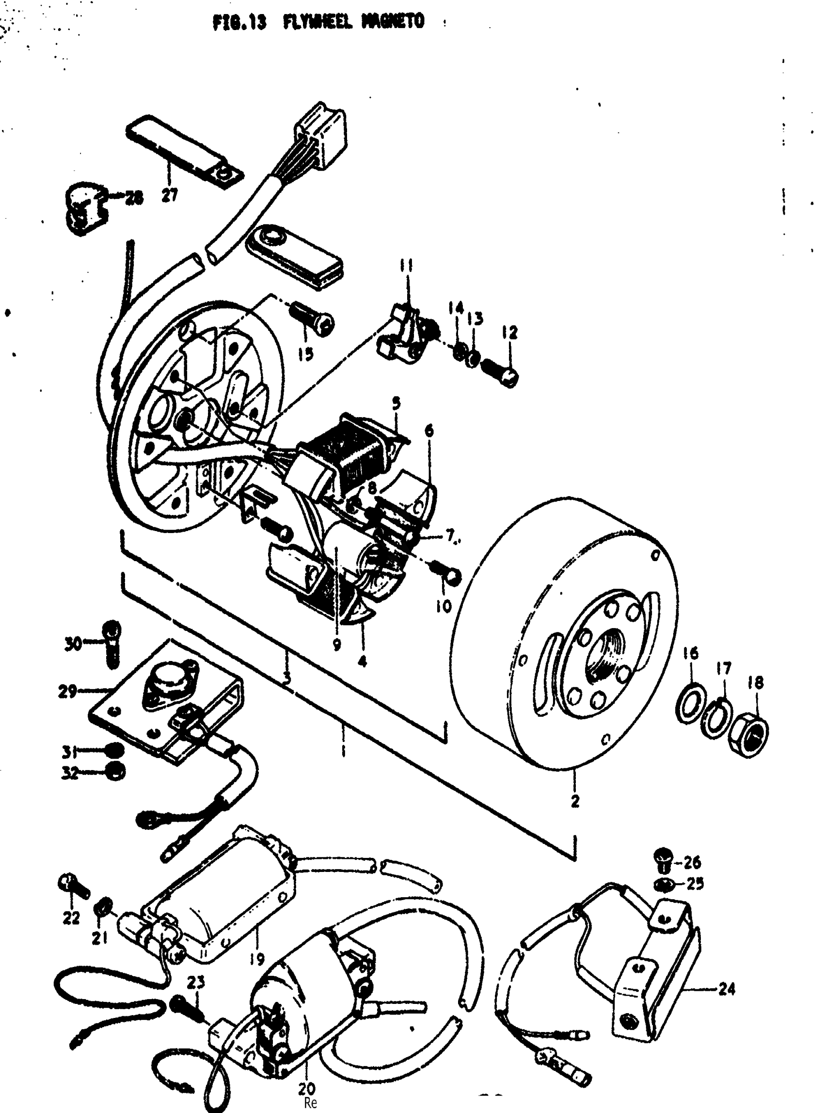
FLYWHEEL MAGNETO (MADE BY KOKUSAN)
Suzuki TS100 (1977) FLYWHEEL MAGNETO (MADE BY KOKUSAN) Diagram
#
Description
Price
1
STATOR ASSY | K,L,M This part replaces 32100-25691.
32101-25691
Unavailable
1
MAGNETO ASSY | A,B; Includes Item(s) 2 - 14
32100-25692
Unavailable
2
ROTOR | K,L,M
32102-25691
Unavailable
2
ROTOR | A,B
32102-25693
Unavailable
3
STATOR ASSY | K,L,M
32101-25691
Unavailable
3
STATOR ASSY | A,B
32101-25692
Unavailable
4
COIL, PRIMARY
32140-25691
Unavailable
5
COIL, LIGHTING A | K,L,M
32130-25691
Unavailable
5
COIL, LIGHTING A | A,B
32130-25692
Unavailable
6
COIL, LIGHTING B | K,L,M
32120-25691
Unavailable
6
COIL, LIGHTING B | A,B
32120-25692
Unavailable
9
CONDENSER
32341-25690
Unavailable
11
POINT ASSY,CONT This part replaces 32240-12020.
32240-07610
Unavailable
12
SCREW
02311-04128
Unavailable
19
COIL ASSY IGNIT | MADE BY NIPPON DENBO This part replaces 33410-27110.
33410-27111
Unavailable
20
IGNITION COIL A | B; MADE BY KORSAN This part replaces 33410-22220.
33410-22221
Unavailable
24
RESISTER ASSY, MAGNETO | K,L,M; OPTA,B; OPT
36500-25690
Unavailable
27
CLAMP | A,B This part replaces 09403-00069.
09404-06037
Unavailable
28
CAP | A; TO 09259-04001
09259-04002
Unavailable
28
CAP | B
09259-04001
Unavailable
29
REGULATOR, VOLTAGE | A,B This part replaces 32500-27600.
32500-25600
Unavailable
