Partiron

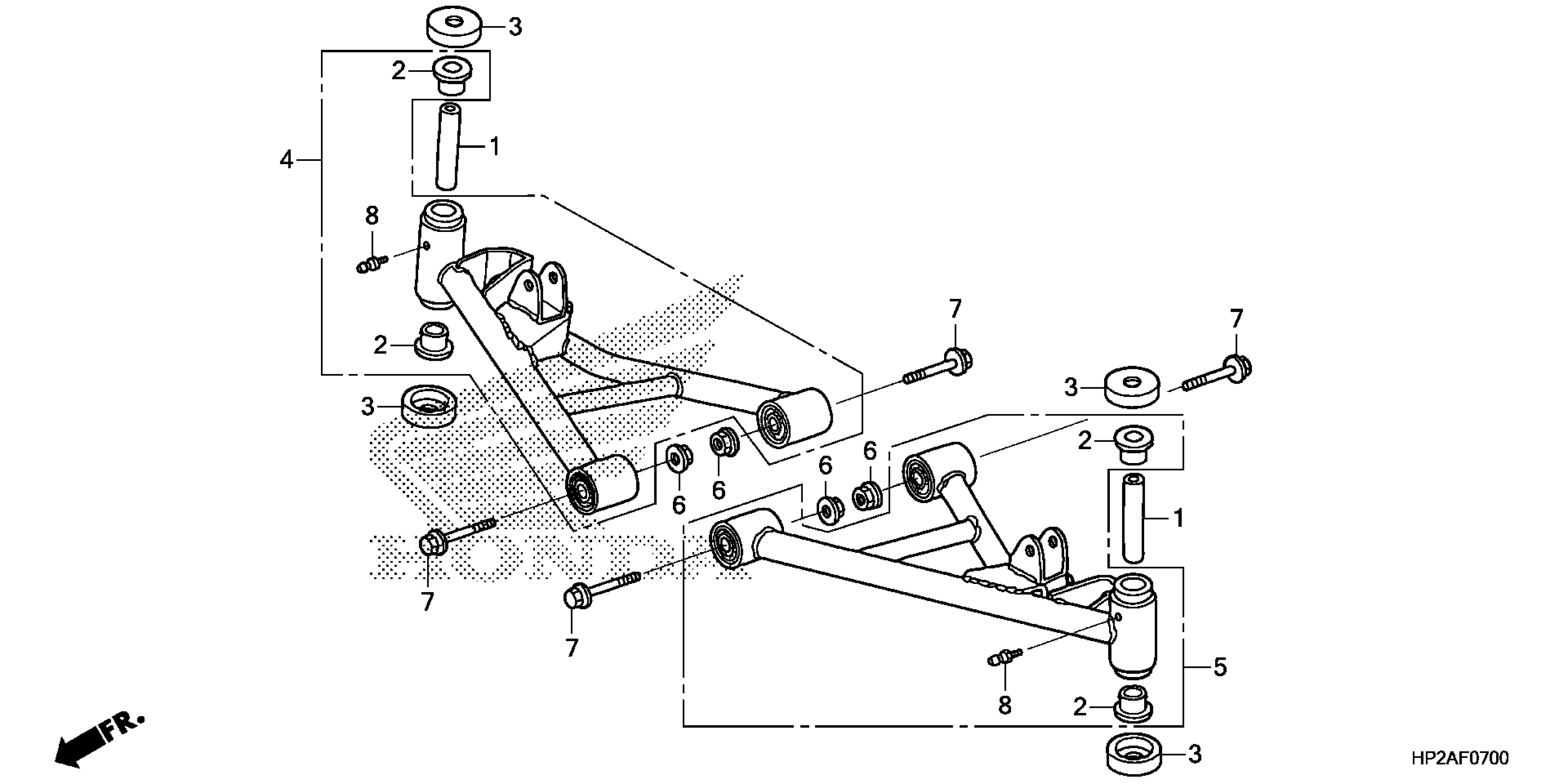
Honda TRX90XAC (21) ALL-TERRAIN VEHICLE (ATV), JPN, VIN# JH2TE183-MK200001 TO JH2TE183-MK299999 FRONT ARM Diagram

#

Description
Price

1

COLLAR, KING PIN

51214-HC3-000

$36.58

2

BUSH, KINGPIN

51215-VM6-003

$19.89

3

CAP, DUST SEAL

51218-HC3-000

$11.37

4

ARM ASSY., R. FR.

51350-HP2-A60

$270.03

5

ARM ASSY., L. FR.

51360-HP2-A60

$270.03

6

NUT, SELF-LOCK (10MM)

90305-HC0-770

$2.99

7

BOLT, FLANGE (10X62) This part replaces 95801-10065-00.

90151-HC5-000

$7.99

8

NIPPLE, GREASE (A.T6) (M6X1.0)

96201-10000

$2.52