- Partiron
- OEM Parts
- Honda
- ALL-TERRAIN VEHICLE
- 2009
- TRX500FE2A (09) FOURTRAX FOREMAN ES, USA, VIN# 1HFTE315-94400001 TO 1HFTE315-94499999
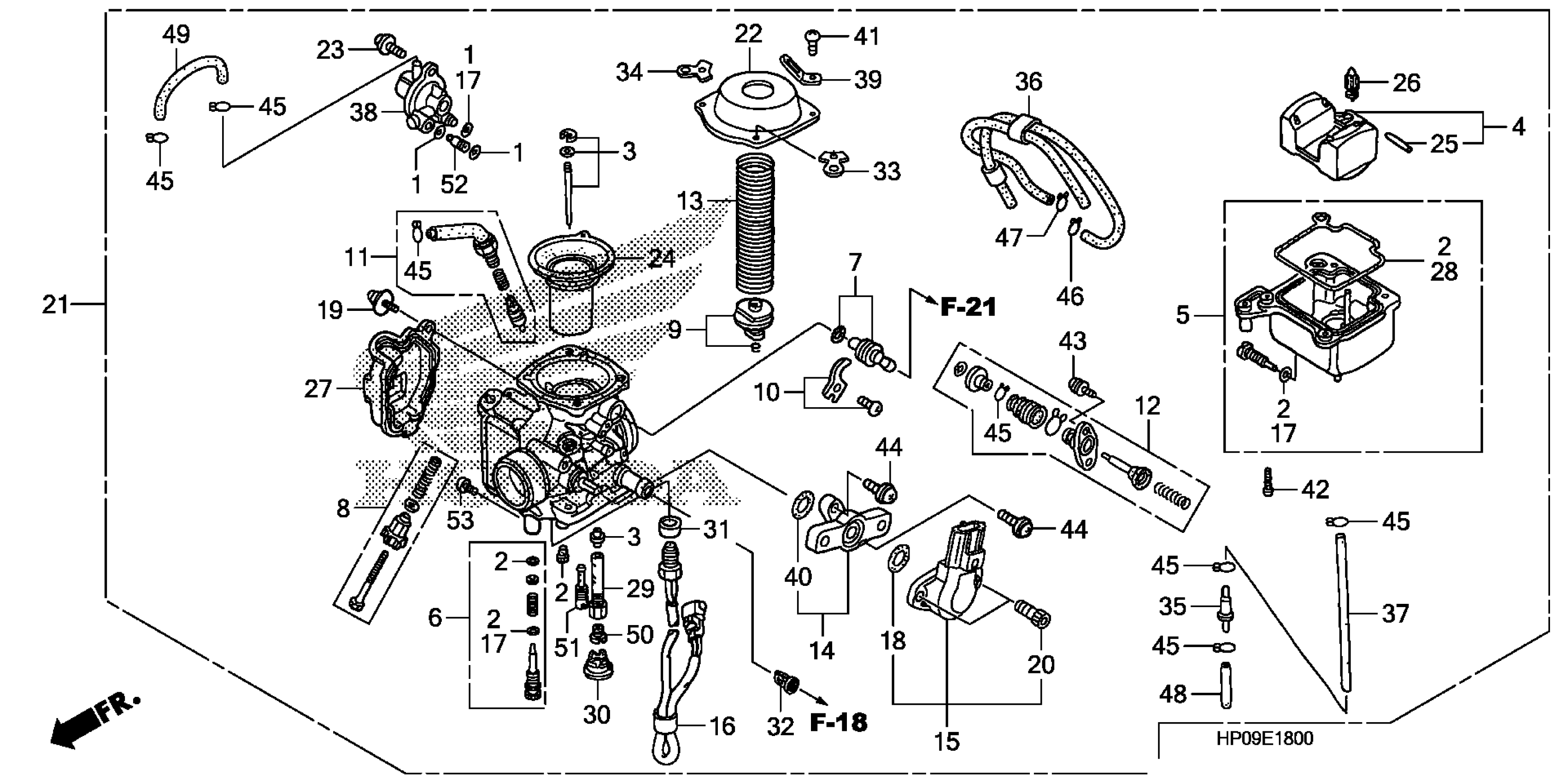
CARBURETOR
Honda TRX500FE2A (09) FOURTRAX FOREMAN ES, USA, VIN# 1HFTE315-94400001 TO 1HFTE315-94499999 CARBURETOR Diagram
#
Description
Price
