- Partiron
- OEM Parts
- Honda
- ALL-TERRAIN VEHICLE
- 2009
- TRX450R3A (09) ALL-TERRAIN VEHICLE (ATV), JPN, VIN# JH2TE32E-9K200001 TO JH2TE32E-9K299991
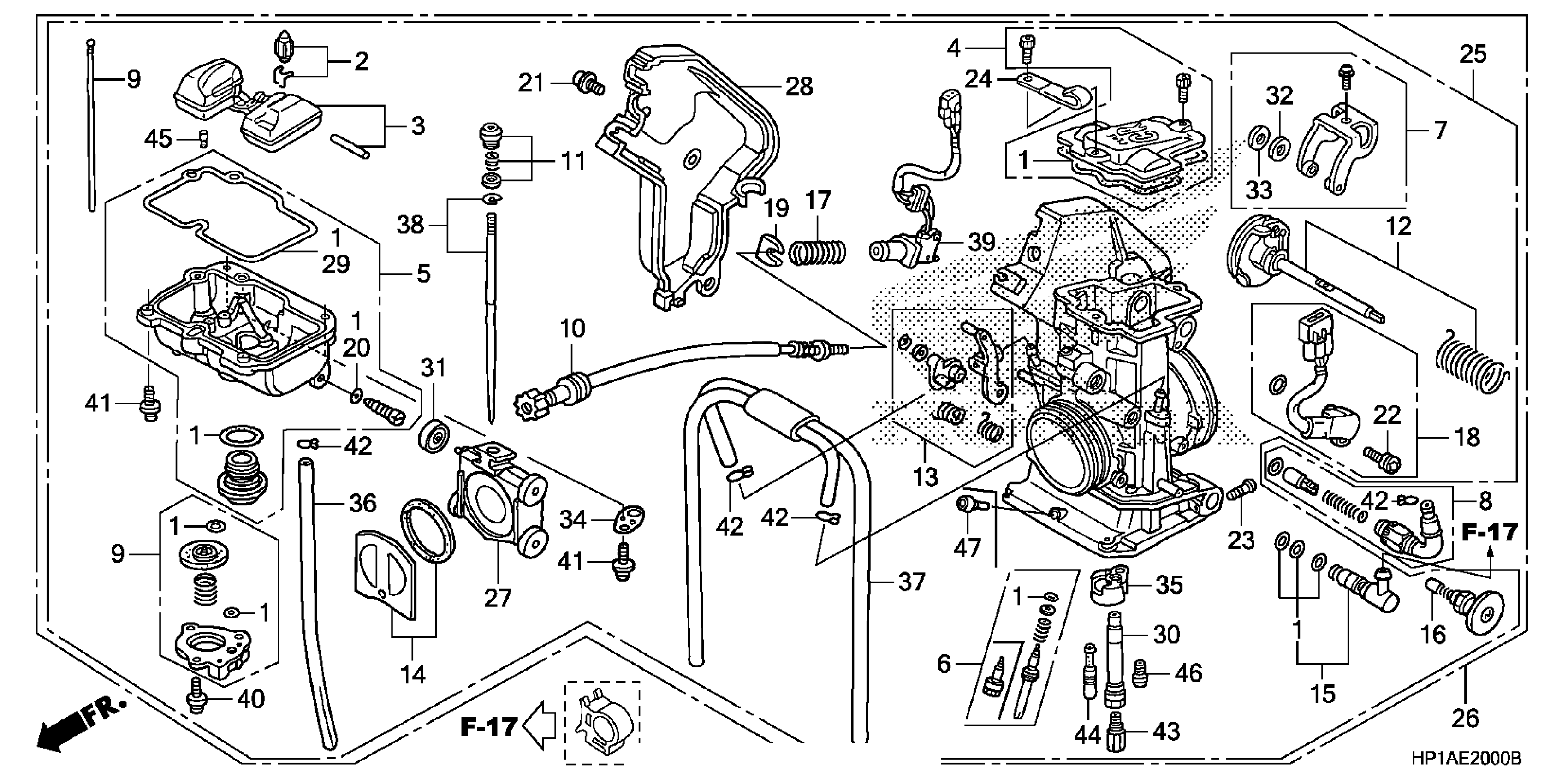
CARBURETOR
Honda TRX450R3A (09) ALL-TERRAIN VEHICLE (ATV), JPN, VIN# JH2TE32E-9K200001 TO JH2TE32E-9K299991 CARBURETOR Diagram
#
Description
Price
26
CARBURETOR ASSY. (FCR11C A)
16100-HP1-A12
Unavailable
