- Partiron
- OEM Parts
- Honda
- ALL-TERRAIN VEHICLE
- 2008
- TRX450R3A (08) ALL-TERRAIN VEHICLE (ATV), JPN, VIN# JH2TE32E-8K100001 TO JH2TE32E-8K100000
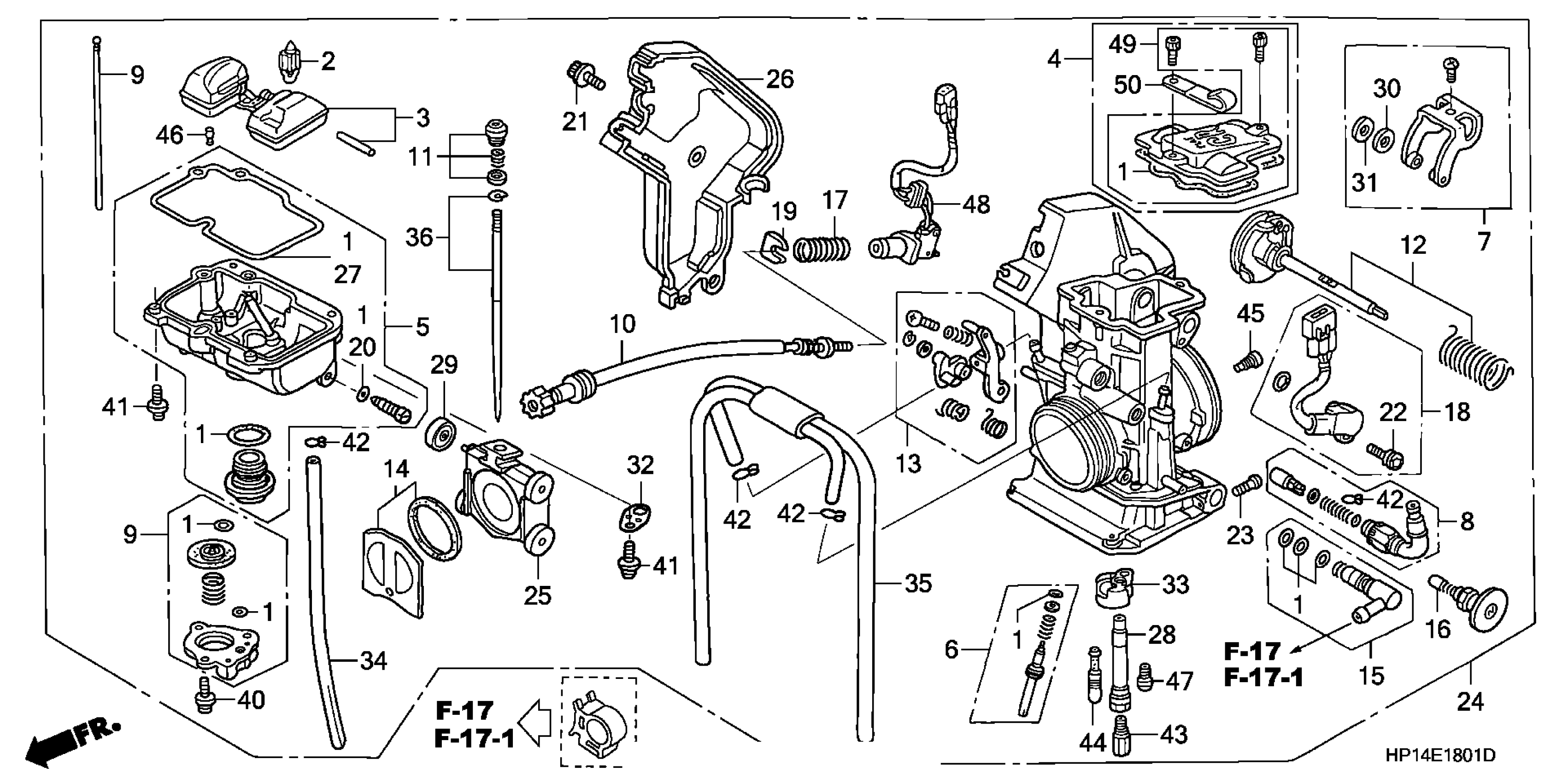
CARBURETOR ('06-)
Honda TRX450R3A (08) ALL-TERRAIN VEHICLE (ATV), JPN, VIN# JH2TE32E-8K100001 TO JH2TE32E-8K100000 CARBURETOR ('06-) Diagram
#
Description
Price
24
CARBURETOR ASSY. (FCR11C A) This part replaces 16100-HP1-A11.
16100-HP1-A12
Unavailable
24
CARBURETOR ASSY. (FCR11C A)
16100-HP1-A12
Unavailable
25
VALVE, THROTTLE
16112-MEY-A11
Unavailable
