- Partiron
- OEM Parts
- Honda
- ALL-TERRAIN VEHICLE
- 1998
- TRX450ESA (98) FOURTRAX FOREMAN ES, USA, VIN# 478TE224-WA000001
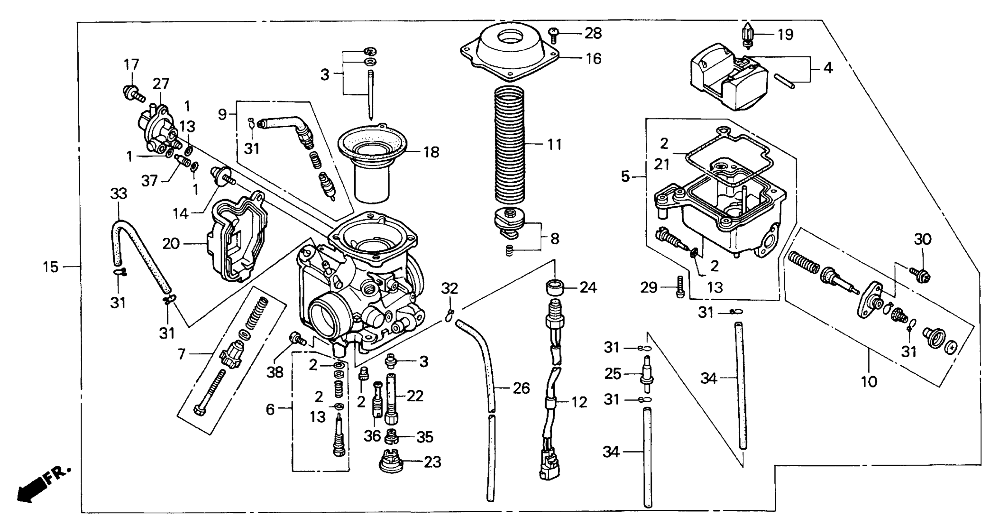
CARBURETOR
Honda TRX450ESA (98) FOURTRAX FOREMAN ES, USA, VIN# 478TE224-WA000001 CARBURETOR Diagram
#
Description
Price
3
NEEDLE SET, JET
16012-HN0-A00
Unavailable
5
CHAMBER SET, FLOAT
16015-HM7-700
Unavailable
12
HEATER ASSY. This part replaces 16070-HN0-A00.
16070-HN0-A01
Unavailable
12
HEATER ASSY.
16070-HN0-A01
Unavailable
16
TOP
16107-KM3-702
Unavailable
24
COLLAR, SETTING
16172-HN0-A00
Unavailable
26
TUBE
16199-HM7-670
Unavailable
27
VALVE ASSY., AIR CUT
16510-MZ5-700
Unavailable
