- Partiron
- OEM Parts
- Honda
- ALL-TERRAIN VEHICLE
- 2000
- TRX400EXA (00) FOURTRAX 400EX, USA, VIN# 478TE230-Y4000001 TO 478TE230-Y4099999
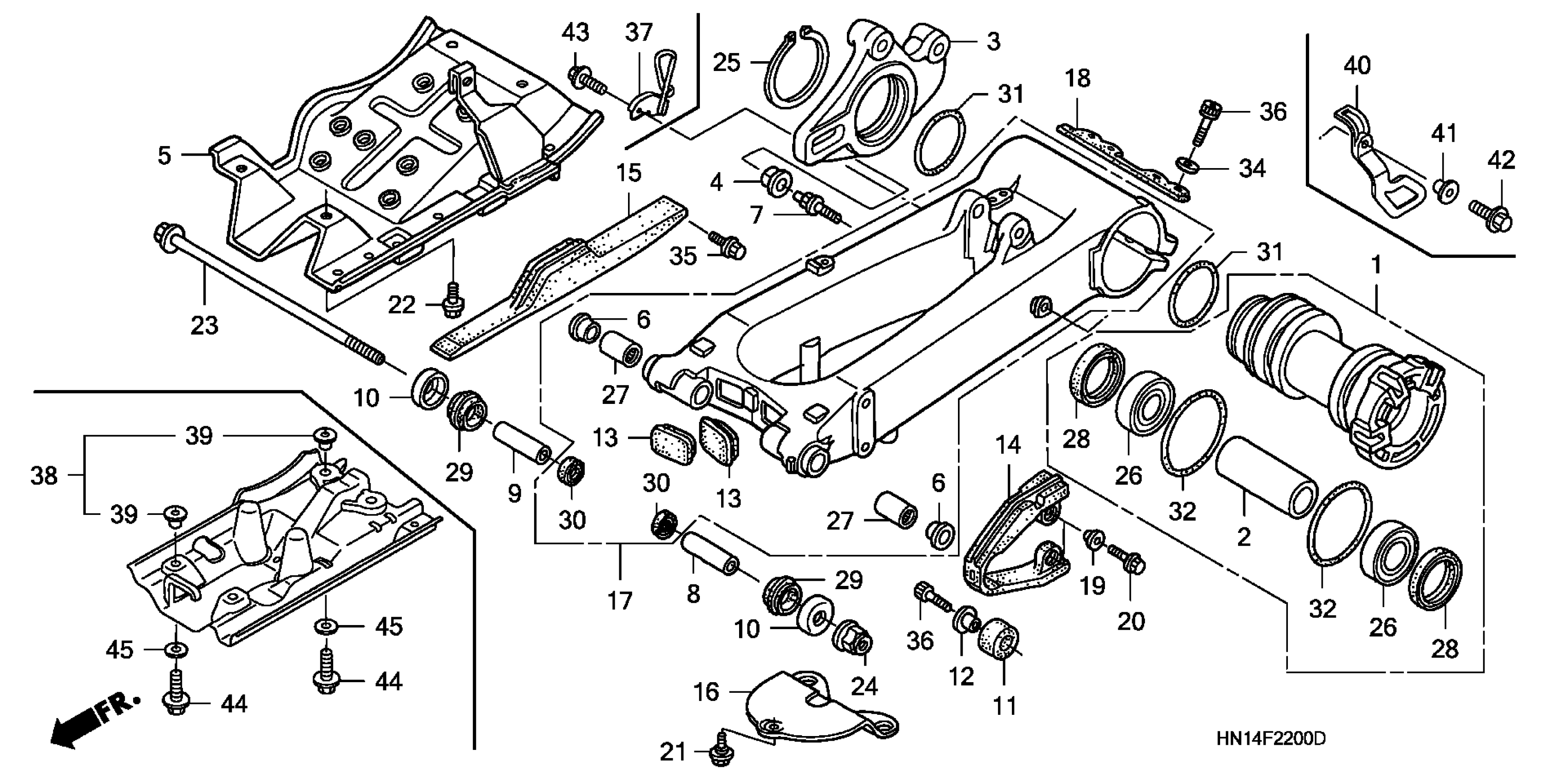
SWINGARM
Honda TRX400EXA (00) FOURTRAX 400EX, USA, VIN# 478TE230-Y4000001 TO 478TE230-Y4099999 SWINGARM Diagram
#
Description
Price
3
STAY, RR. CALIPER
43211-HN1-000
Unavailable
5
PLATE, SKID
50355-HN1-000
Unavailable
15
SLIDER, CHAIN GUIDE
52181-HN1-000
Unavailable
17
SWINGARM SUB-ASSY., RR. This part replaces 52200-HN1-010.
52200-HN1-020
Unavailable
17
SWINGARM SUB-ASSY., RR.
52200-HN1-020
Unavailable
