- Partiron
- OEM Parts
- Honda
- ALL-TERRAIN VEHICLE
- 1990
- TRX300A (90) FOURTRAX 300, USA, VIN# 478TE140-LA200010 TO 478TE140-LA216389
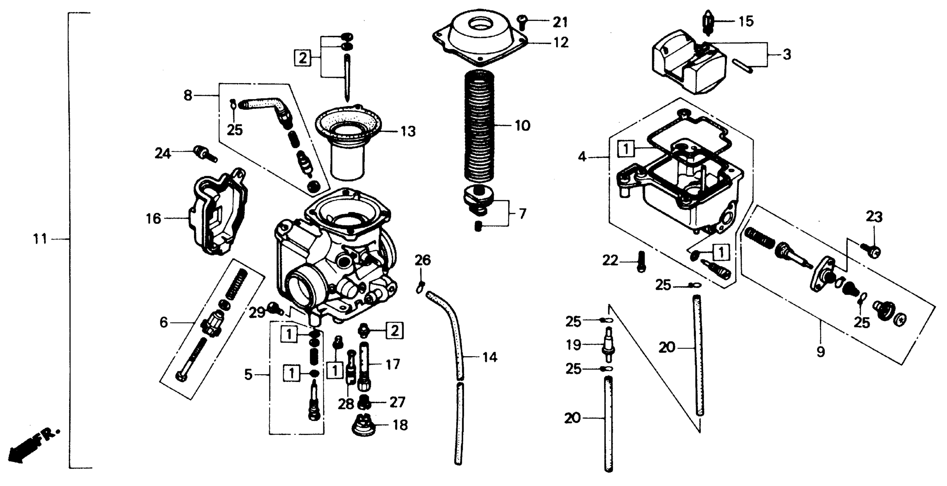
CARBURETOR
Honda TRX300A (90) FOURTRAX 300, USA, VIN# 478TE140-LA200010 TO 478TE140-LA216389 CARBURETOR Diagram
#
Description
Price
2
NEEDLE SET, JET (NOT AVAILABLE)
16012-HC4-013
Unavailable
4
CHAMBER SET, FLOAT (NOT AVAILABLE) This part replaces 16015-HC4-013.
16015-HM5-730
Unavailable
5
SCREW SET This part replaces 16016-HA0-682.
16016-HM3-L00
Unavailable
5
SCREW SET This part replaces 16016-HC4-003.
16016-HM3-L00
Unavailable
5
SCREW SET
16016-HM3-L00
Unavailable
11
CARBURETOR ASSY. (NOT AVAILABLE)
16100-HC4-033
Unavailable
12
TOP
16107-KM3-702
Unavailable
13
PISTON, VACUUM
16111-HC4-003
Unavailable
14
TUBE This part replaces 16199-HC4-003.
16199-HC4-405
Unavailable
17
HOLDER, NEEDLE JET (NOT AVAILABLE)
16165-HC4-003
Unavailable
