- Partiron
- OEM Parts
- Honda
- ALL-TERRAIN VEHICLE
- 1991
- TRX250XA (91) FOURTRAX 250X, JPN, VIN# JH3TE130-MK300004 TO JH3TE130-MK310158
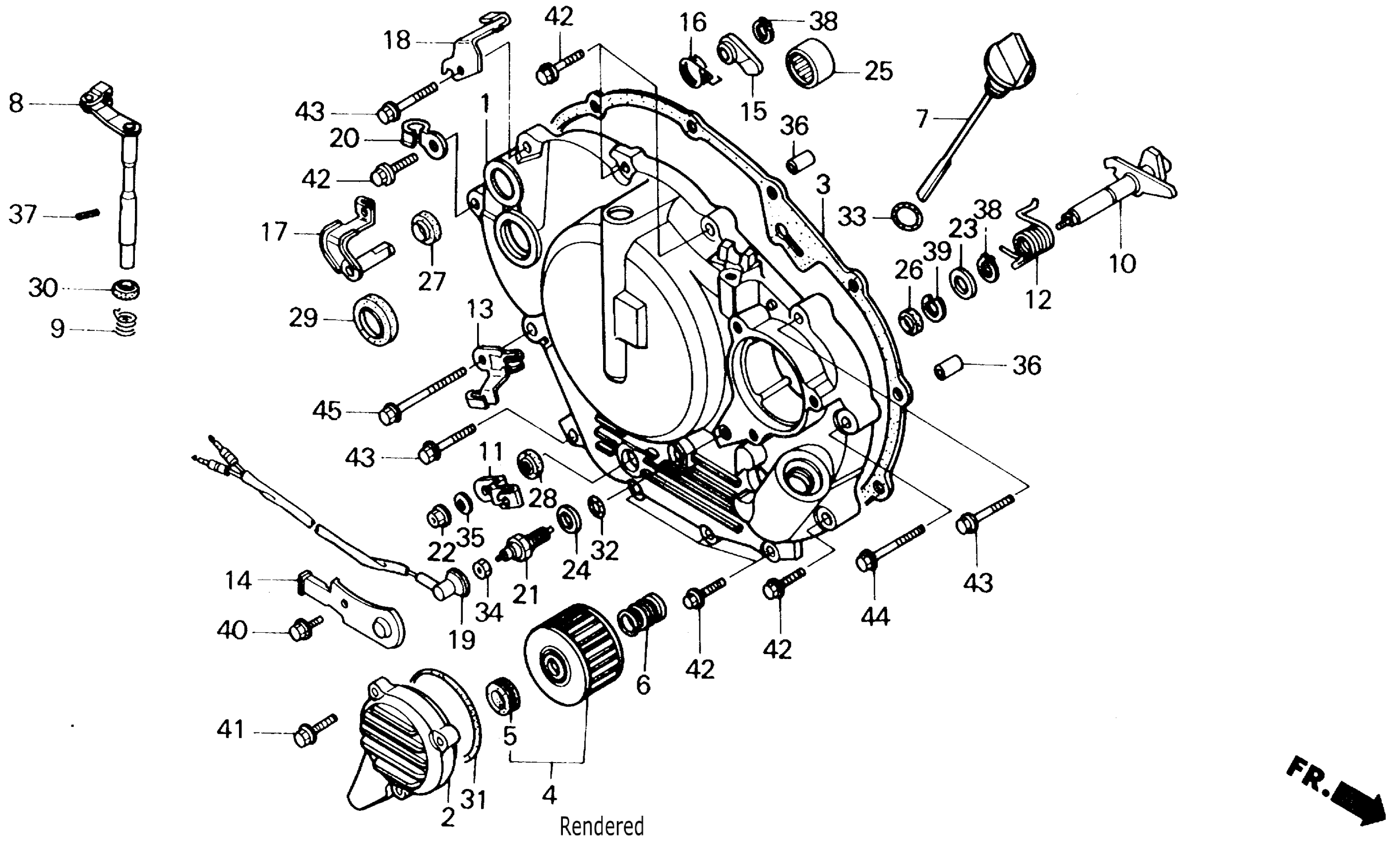
RIGHT CRANKCASE COVER
Honda TRX250XA (91) FOURTRAX 250X, JPN, VIN# JH3TE130-MK300004 TO JH3TE130-MK310158 RIGHT CRANKCASE COVER Diagram
#
Description
Price
1
COVER, R. CRANKCASE (NOT AVAILABLE)
11330-HC0-000
Unavailable
2
COVER, OIL FILTER
11333-HC0-000
Unavailable
3
GASKET, R. CRANKCASE COVER (NOT AVAILABLE) This part replaces 11394-HC0-000.
11394-HC0-680
Unavailable
8
LEVER, CLUTCH (NOT AVAILABLE)
22810-HC0-000
Unavailable
10
SHAFT, REVERSE STOPPER
24860-HC0-000
Unavailable
12
SPRING, REVERSE STOPPER
24867-HC0-000
Unavailable
13
HOLDER, REVERSE STOPPER WIRE
24871-HC0-000
Unavailable
14
COVER, SWITCH HARNESS (NOT AVAILABLE)
24880-HC0-000
Unavailable
15
FOLLOWER, CAM (HITACHI FUNMATSU) (NOT AVAILABLE)
28271-HC0-003
Unavailable
16
SPRING, FOLLOWER (NOT AVAILABLE)
28274-HC0-000
Unavailable
18
RECEIVER B, DECOMPRESSION (NOT AVAILABLE)
28287-HC0-000
Unavailable
19
WIRE, REVERSE SWITCH (NOT AVAILABLE)
32102-HC0-000
Unavailable
20
CLAMP, WIRE (NOT AVAILABLE)
32922-MB2-000
Unavailable
21
SWITCH, REVERSE (TOYO) (NOT AVAILABLE)
35600-HC0-003
Unavailable
32
O-RING (11X1.9) (ARAI)
91303-HA0-000
Unavailable
