- Partiron
- OEM Parts
- Honda
- ALL-TERRAIN VEHICLE
- 1998
- TRX250A (98) TRX250 RECON, USA, VIN# 478TE210-WA100001
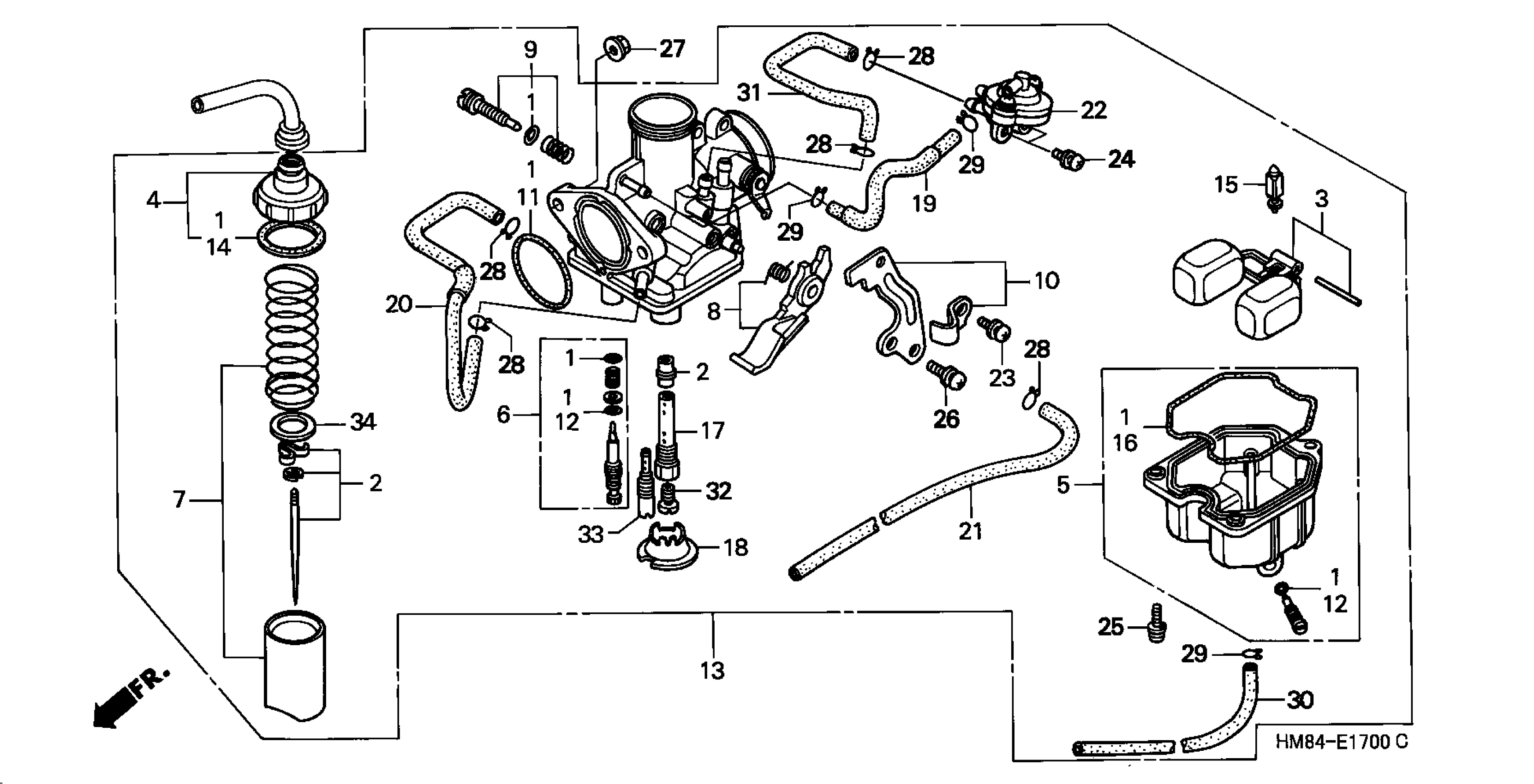
CARBURETOR
Honda TRX250A (98) TRX250 RECON, USA, VIN# 478TE210-WA100001 CARBURETOR Diagram
#
Description
Price
4
TOP SET
16014-HM8-000
Unavailable
5
CHAMBER SET, FLOAT
16015-HM8-000
Unavailable
6
SCREW SET A
16016-HM8-000
Unavailable
7
VALVE SET, THROTTLE
16022-HM8-000
Unavailable
8
LEVER SET, CHOKE This part replaces 16025-HM8-000.
16025-KC2-881
Unavailable
8
LEVER SET, CHOKE
16025-KC2-881
Unavailable
13
CARBURETOR ASSY. (PDC1B A) This part replaces 16100-HM8-000.
16100-HM8-003
Unavailable
13
CARBURETOR ASSY. (PDC1B A)
16100-HM8-003
Unavailable
21
TUBE
16199-HM8-000
Unavailable
22
VALVE ASSY., AIR CUT
16510-HM8-000
Unavailable
