- Partiron
- OEM Parts
- Honda
- ALL-TERRAIN VEHICLE
- 1984
- TRX200A (84) ALL-TERRAIN VEHICLE (ATV), JPN, VIN# JH3TE030-EC000007
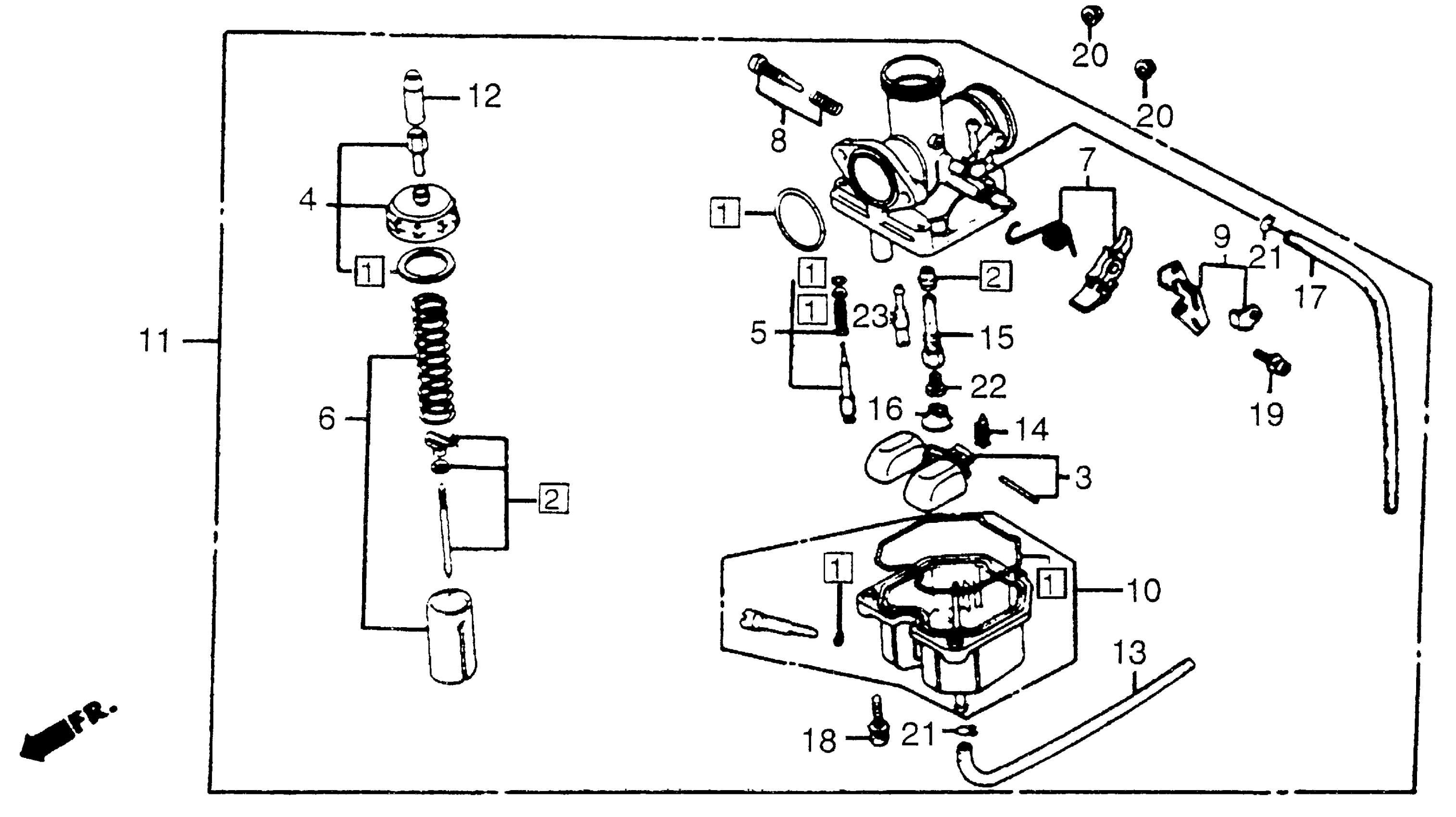
CARBURETOR
Honda TRX200A (84) ALL-TERRAIN VEHICLE (ATV), JPN, VIN# JH3TE030-EC000007 CARBURETOR Diagram
#
Description
Price
2
NEEDLE SET, JET
16012-VM5-004
Unavailable
4
TOP SET This part replaces 16014-364-770.
16014-397-971
Unavailable
6
VALVE SET, THROTTLE
16022-437-722
Unavailable
9
PLATE SET, STAY This part replaces 16035-KC2-004.
16035-KEB-620
Unavailable
9
PLATE SET, STAY
16035-KEB-620
Unavailable
9
PLATE SET, STAY This part replaces 16035-324-901.
16035-KEB-620
Unavailable
10
CHAMBER SET, FLOAT
16045-399-014
Unavailable
11
CARBURETOR ASSY.
16100-VM5-004
Unavailable
