- Partiron
- OEM Parts
- Honda
- ALL-TERRAIN VEHICLE
- 1986
- TRX125A (86) FOURTRAX 125, JPN, VIN# JH3TE050-GC100001
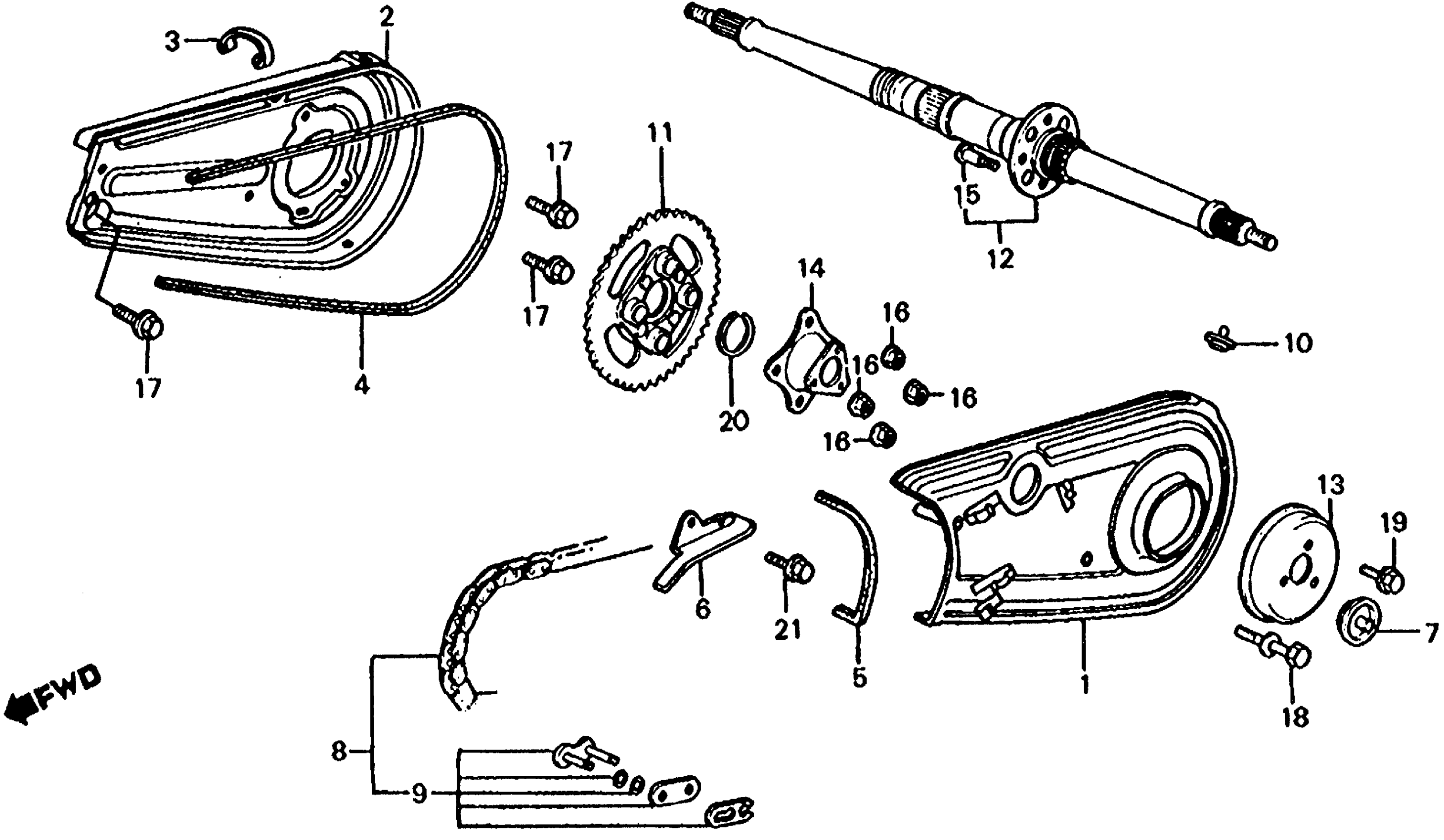
REAR WHEEL AXLE + CHAIN CASE
Honda TRX125A (86) FOURTRAX 125, JPN, VIN# JH3TE050-GC100001 REAR WHEEL AXLE + CHAIN CASE Diagram
#
Description
Price
1
CASE, CHAIN (OUTER) (NOT AVAILABLE)
40521-VM6-680
Unavailable
2
CASE, INSIDE CHAIN (NOT AVAILABLE)
40522-VM6-000
Unavailable
4
SEAL, INSIDE CHAIN CASE (NOT AVAILABLE)
40524-VM6-000
Unavailable
5
SEAL B, CHAIN CASE (NOT AVAILABLE)
40525-VM6-000
Unavailable
6
GUIDE, CHAIN (NOT AVAILABLE)
40526-968-000
Unavailable
7
CAP, CHAIN
40529-958-010
Unavailable
8
CHAIN, DRIVE (428V-92) (NOT AVAILABLE)
40530-VM6-003
Unavailable
9
MASTER LINK
40531-VM6-003
Unavailable
10
CAP, CHAIN
40545-958-000
Unavailable
11
SPROCKET ASSY., FINAL (50T)
41200-VM6-000
Unavailable
12
AXLE, RR. WHEEL (NOT AVAILABLE)
42310-968-680
Unavailable
13
PLATE, SHIELD (NOT AVAILABLE)
42327-958-000
Unavailable
14
FLANGE, SHIELD
42330-958-671
Unavailable
15
BOLT, SPROCKET FIXING
90128-961-000
Unavailable
18
BOLT-WASHER (6X55)
93491-06055-08
Unavailable
20
RING, SNAP (42MM) (NOT AVAILABLE)
94564-42100
Unavailable
