- Partiron
- OEM Parts
- Honda
- ALL-TERRAIN VEHICLE
- 1986
- TRX125A (86) FOURTRAX 125, JPN, VIN# JH3TE050-GC100001
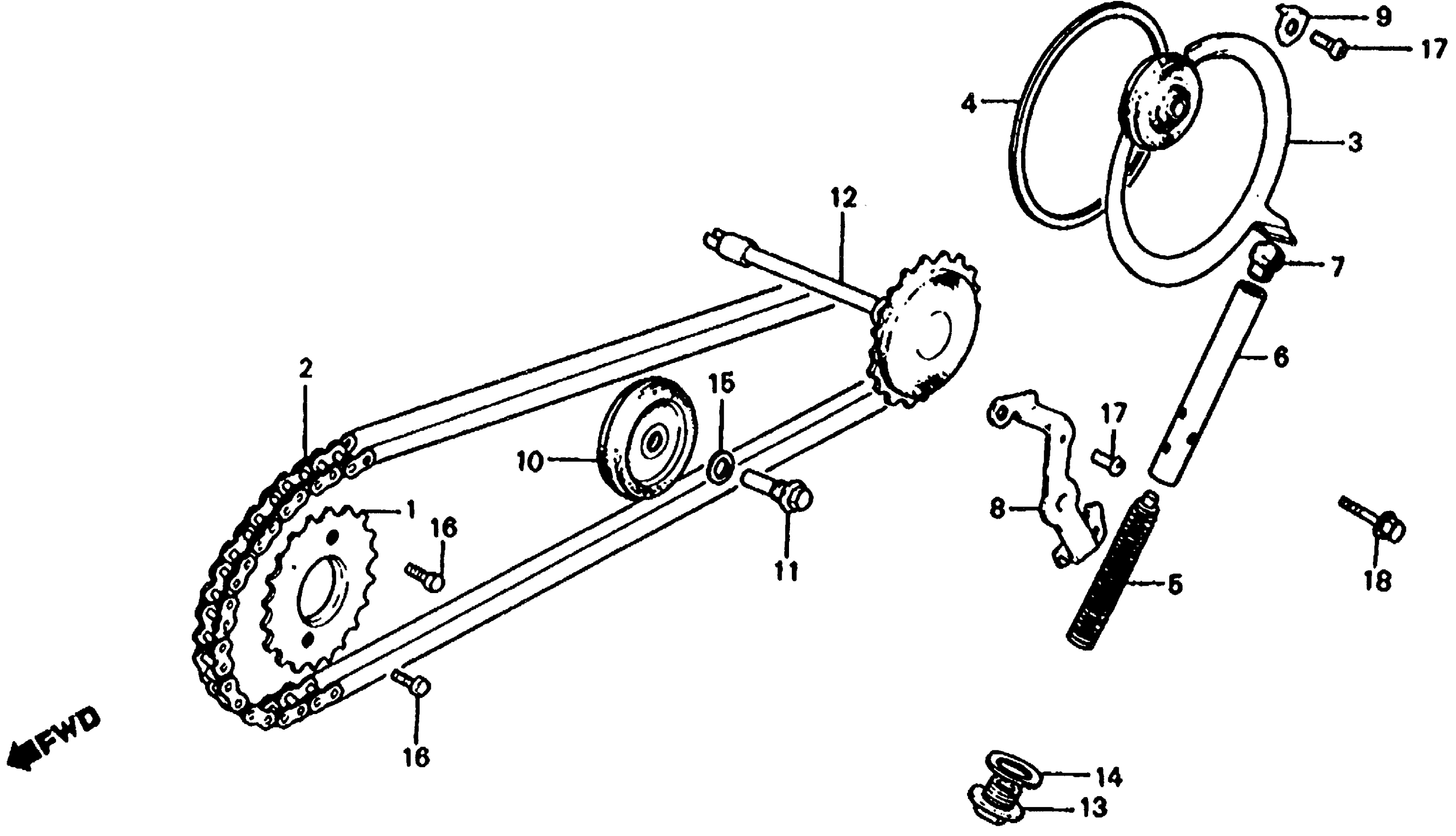
CAM CHAIN + TENSIONER
Honda TRX125A (86) FOURTRAX 125, JPN, VIN# JH3TE050-GC100001 CAM CHAIN + TENSIONER Diagram
#
Description
Price
1
SPROCKET, CAM (30T)
14321-028-000
Unavailable
2
CHAIN, CAM (25H-94)
14401-968-003
Unavailable
3
TENSIONER, CAM CHAIN (NOT AVAILABLE)
14500-096-020
Unavailable
4
WASHER, THRUST (80MM)
14502-VM6-000
Unavailable
8
PLATE, TENSIONER SETTING
14592-968-000
Unavailable
9
PLATE B, CAM CHAIN TENSIONER SETTING
14593-028-010
Unavailable
10
ROLLER, CAM CHAIN GUIDE This part replaces 14610-105-690.
14610-105-691
Unavailable
10
ROLLER, CAM CHAIN GUIDE
14610-105-691
Unavailable
12
SPROCKET, CAM CHAIN GUIDE (NOT AVAILABLE)
14670-968-000
Unavailable
