- Partiron
- OEM Parts
- Can-Am
- ATV
- 2003
- Traxter XL
- Traxter XL, 7571, 2003
Frame And Luggage Racks
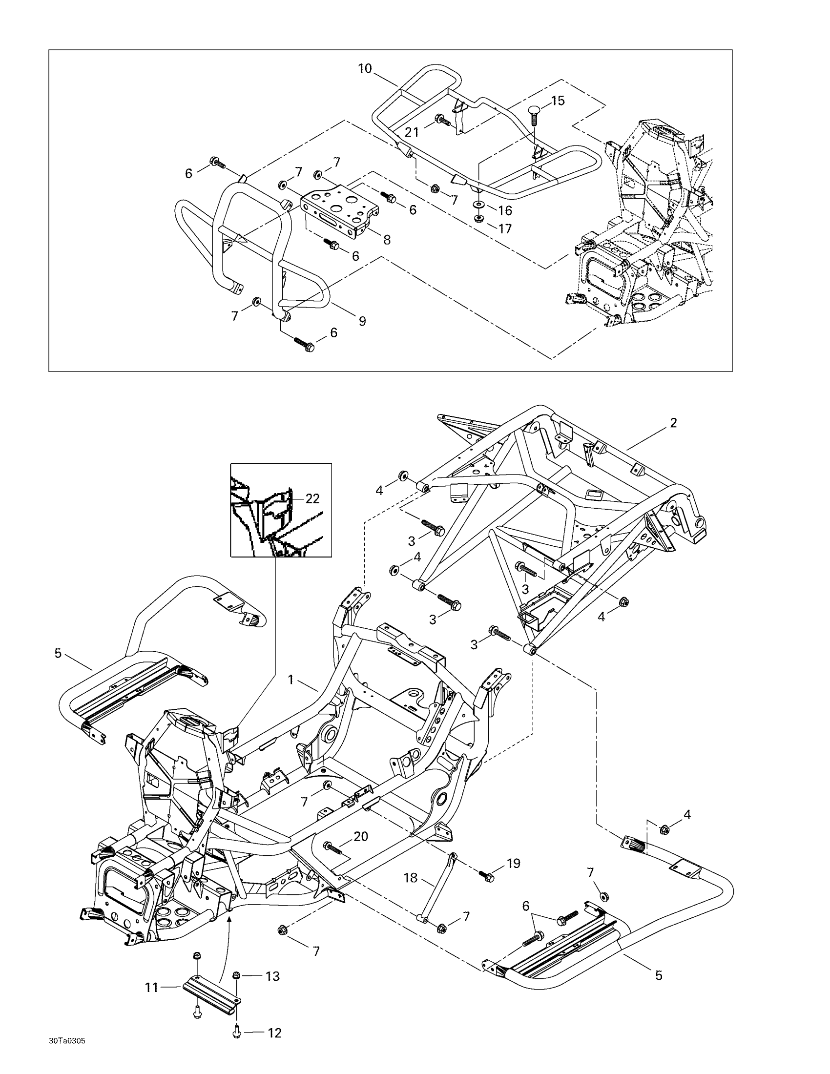
Can-Am Traxter XL, 7571, 2003 Frame And Luggage Racks Diagram
#
Description
Price
1
Frame (Black)
705200545
Unavailable
2
Frame Extention (Black)
705200567
Unavailable
5
Footrest LH (Grey)
705200329
Unavailable
Footrest RH (Grey)
705200331
Unavailable
8
WINCH LATCH, BLACK - Call your local BRP dealership
705200196
Unavailable
9
Front bumper
705000001
Unavailable
10
Front Luggage Rack, Black
703500264
Unavailable
11
Bracket, Black
705200575
Unavailable
14
Hex. Flange Screw M10 x 60 | (7489) (7448 From S/N v000709)
250000065
Unavailable
15
TRUSS PHILLIPS SCREW M6 X 25 - Call your local BRP dealership
250000035
Unavailable
18
Removable Brace, Black
705200143
Unavailable
22
Shift Patern
705200351
Unavailable
