- Partiron
- OEM Parts
- Can-Am
- ATV
- 2003
- Traxter Max
- Traxter Max, 2003
Rear Suspension
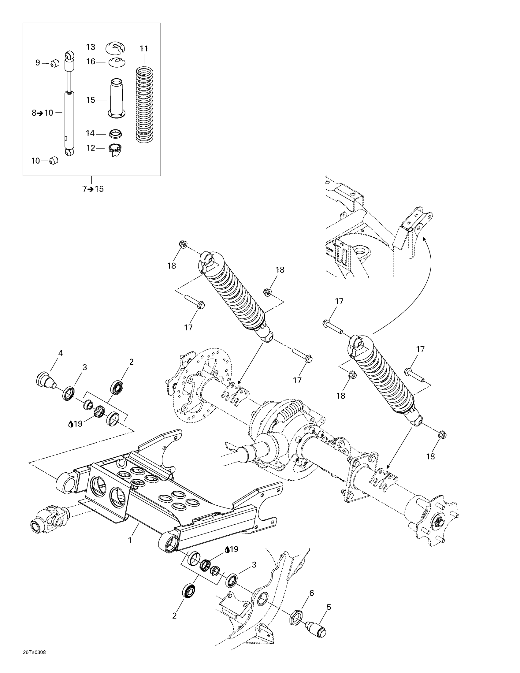
Can-Am Traxter Max, 2003 Rear Suspension Diagram
#
Description
Price
1
Swing arm | STD and XT
706000217
Unavailable
2
CONE BEARING - Call your local BRP dealership
706000169
Unavailable
3
OIL SEAL - Call your local BRP dealership
706000010
Unavailable
4
RH Pivot Bolt
706000092
Unavailable
5
LH PIVOT BOLT - Call your local BRP dealership
706000093
Unavailable
6
HEX. JAM NUT - Call your local BRP dealership
706000006
Unavailable
7
Not Available As Spare Part - Friction Washer
Unavailable
8
Rear shock | Includes 8 - 10.
706000235
Unavailable
9
UPPER BUSHING - Call your local BRP dealership
706000146
Unavailable
10
Lower Bushing | Traxter XT.
706000147
Unavailable
11
Yellow Rear spring
706000236
Unavailable
12
ADJUSTER RING - Call your local BRP dealership
706000073
Unavailable
14
Spring Seat
706000197
Unavailable
15
Protector
706000032
Unavailable
19
Synthetic Grease, 400 G
293550010
Unavailable
