Partiron

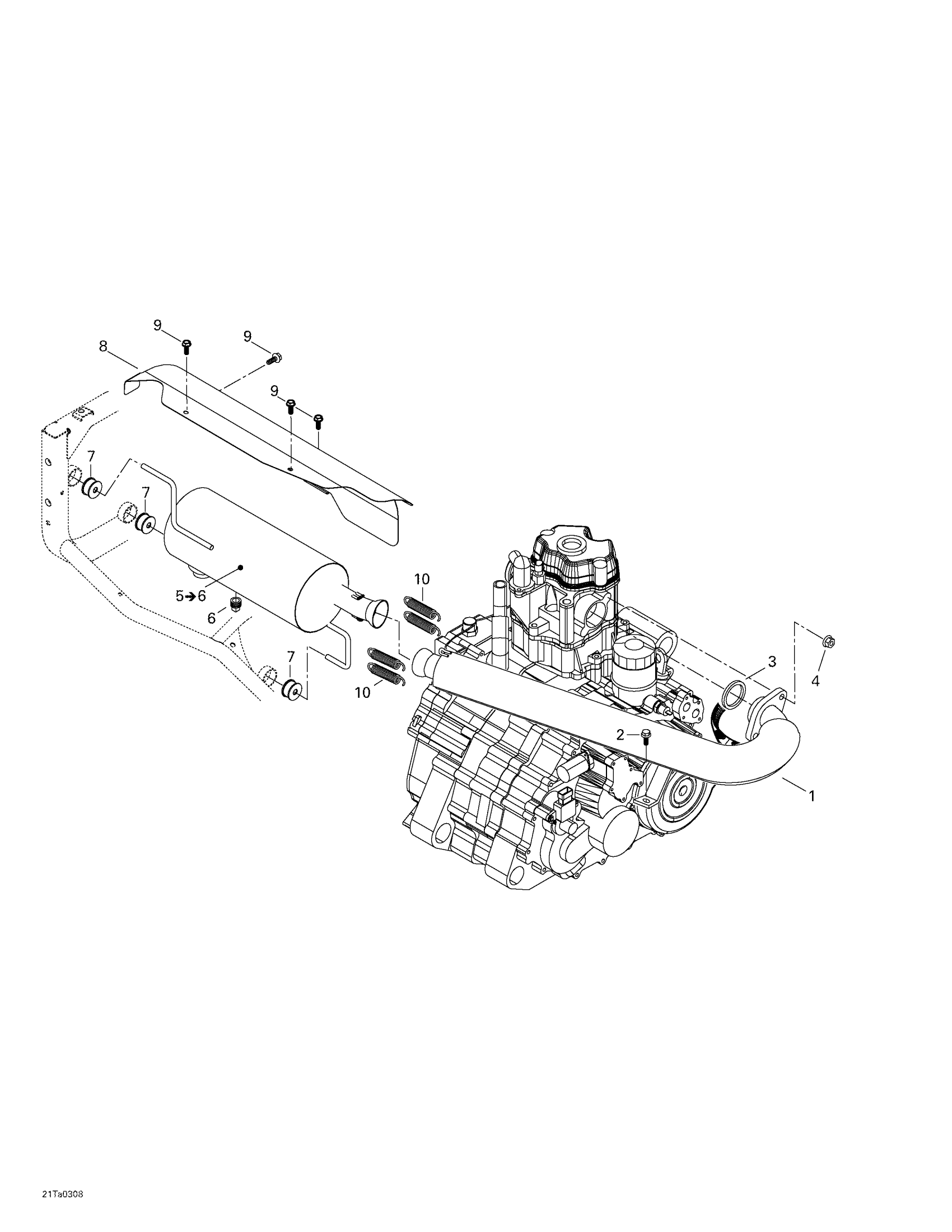
Can-Am Traxter Max, 2003 Exhaust System Diagram

#

Description
Price

1

Tuned Pipe

707600062

Unavailable

2

Hex. Flange Screw M8 X 12, Scotch Grip

207581244

$1.49

3

GASKET - Call your local BRP dealership

707600003

Unavailable

4

Hex. Flange Nut M8

233081416

$1.87

5

Muffler | Includes 5 To 6

707600080

Unavailable

6

Drain Plug

250500003

Unavailable

7

Anti-Vibration Rubber

707600702

$8.79

8

Heat Shield

707600076

Unavailable

9

Hex. Forming Screw M6 X 10

210261050

$1.69

10

Spring

415107100

$6.49