- Partiron
- OEM Parts
- Can-Am
- ATV
- 2003
- Traxter Autoshift
- Traxter Autoshift XT, 2003
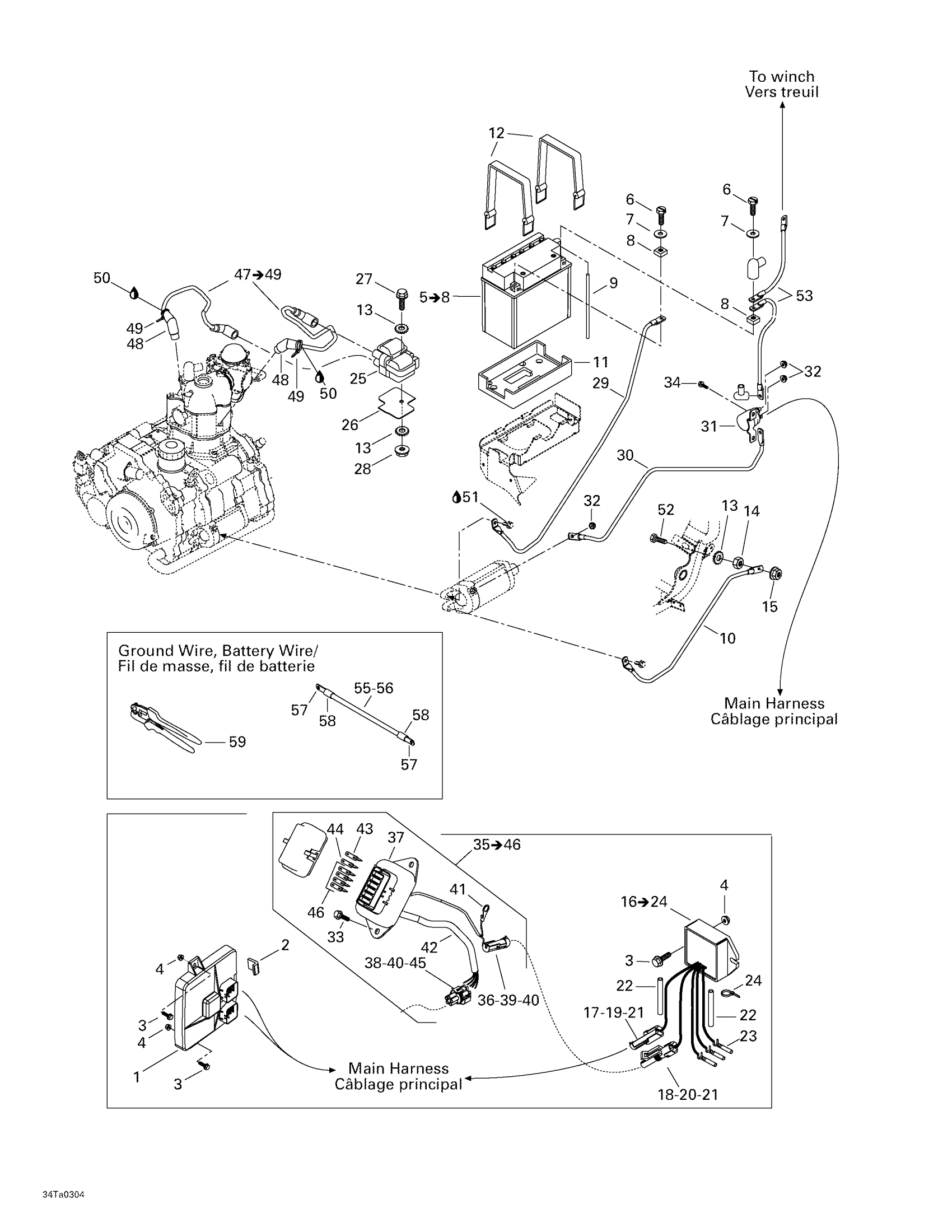
Battery And Electrical Accessories
Can-Am Traxter Autoshift XT, 2003 Battery And Electrical Accessories Diagram
#
Description
Price
1
ELECTRONIC MODULE - Call your local BRP dealership
710000315
Unavailable
2
MODULE PROTECTOR - Call your local BRP dealership
278001166
Unavailable
7
FLAT WASHER 6 MM - Call your local BRP dealership
211200018
Unavailable
10
Battery Ground Cable
710000022
Unavailable
11
Lower Battery Pad
278001746
Unavailable
16
VOLT REGULATOR ASS'Y - Call your local BRP dealership | Includes 18 to 26
710000100
Unavailable
20
CONNECTOR_MALE 1 CAVITY - Call your local BRP dealership
278000219
Unavailable
22
LOW TEMPERATURE VINYL TUBING - Call your local BRP dealership
409901300
Unavailable
23
FEMALE TERMINAL - Call your local BRP dealership
278001661
Unavailable
29
Engine Ground Cable
710000211
Unavailable
30
STARTER POSITIVE CABLE - Call your local BRP dealership
710000136
Unavailable
34
Hex. Self-threaded Screw 1/4"-20 X 3/4"
250000061
Unavailable
35
Fuse Hoder | Includes 28 - 40.
710000212
Unavailable
37
Fuse Box
710000213
Unavailable
45
Female Housing, 5 Circuit
710000106
Unavailable
53
Battery Cable | 7423/7424 (XT-Yellow/Jaune).
710000135
Unavailable
