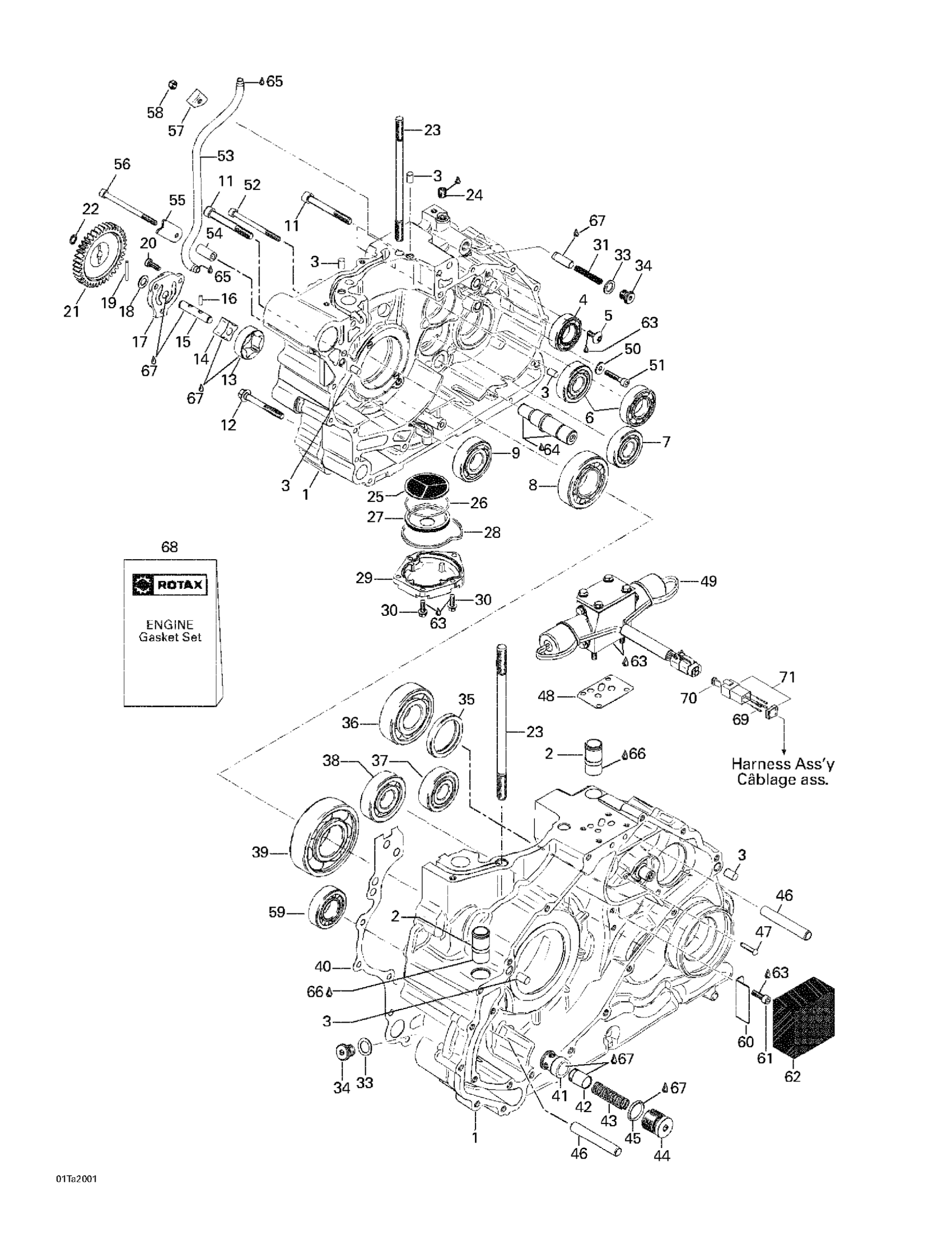
Can-Am Traxter, 7400/ 7401/7413/7414, 1999 Crankcase Diagram
#
1
Crankcase Ass'y
711295880
Unavailable
2
Tube
711224260
Unavailable
4
Bearing_Ball - Call your local BRP dealership
420932650
Unavailable
5
Flat Head Screw M6 x 16
711241521
Unavailable
7
Ball Bearing 6304E
290932095
Unavailable
8
Roller Bearing
711232490
Unavailable
9
Ball Bearing
711632200
Unavailable
10
Intermediate Gear Shaft
711220570
Unavailable
11
SOCKET HEAD SCREW M8 X 70 - Call your local BRP dealership
420841991
Unavailable
12
Hex. Flange Screw M6 x 65
711640351
Unavailable
13
Oil Pump Rotor Ass'y | Includes 13 - 4.
711956275
Unavailable
14
Not Available As Spare Part - Friction Washer
Unavailable
15
Oil Pump Shaft
711220590
Unavailable
17
Oil Pump Cover
711211850
Unavailable
20
Socket Screw M6 x 16
711241231
Unavailable
21
Oil Pump Gear (40 Teeth)
711635030
Unavailable
23
Stud M10 x 190
711241670
Unavailable
24
PLUG SCREW - Call your local BRP dealership
420240480
Unavailable
25
OIL SIEVE - Call your local BRP dealership
420256570
Unavailable
29
OIL SIEVE COVER - Call your local BRP dealership
420211940
Unavailable
30
Hex. Flange Screw M6 x 20
711241861
Unavailable
31
Piston
711256590
Unavailable
32
Compression Spring
711238020
Unavailable
35
Oil Seal
711650700
Unavailable
38
Ball Bearing 6304E
290932095
Unavailable
39
BALL BEARING - Call your local BRP dealership
420432120
Unavailable
40
Gasket, Crankcase
711650420
Unavailable
41
Valve Seat Sleeve
711256600
Unavailable
42
Pressure Regulator Kit | Includes 42 - 43. 7400/7401.
703500046
Unavailable
43
Compression Spring | 7413/7414. 7415/7416. 7417/7418.
711938785
Unavailable
44
Plug Screw M22
711241715
Unavailable
47
Groove Pin M4 x 20
711229170
Unavailable
49
Soleno‹d Valve
711256540
Unavailable
52
ALLEN SCREW, M6 X 80 - Call your local BRP dealership
420241503
Unavailable
53
Oil Pipe
711224620
Unavailable
54
Distance Sleeve
711847052
Unavailable
55
Holding Strip
711627435
Unavailable
56
Socket Screw M6 x 90
711241481
Unavailable
57
Holding Strip
711627430
Unavailable
59
Roller Bearing
711232280
Unavailable
60
Support Bracket
711224640
Unavailable
61
Allen Screw M5 x 16
711840510
Unavailable
62
Oil Separating Foam
711256720
Unavailable
67
Not Available As Spare Part - Friction Washer
Unavailable
68
Gasket Set Engine
711296370
Unavailable
69
MALE TERMINAL - Call your local BRP dealership
409014800
Unavailable
70
MALE LOCK, 4 CIRCUITS - Call your local BRP dealership
710000046
Unavailable
71
MALE TERMINAL HOUSING, 4 CIRCUITS - Call your local BRP dealership
710000045
Unavailable
