- Partiron
- OEM Parts
- Polaris
- ATV
- 1998
- TRAIL BOSS - W98AA25C
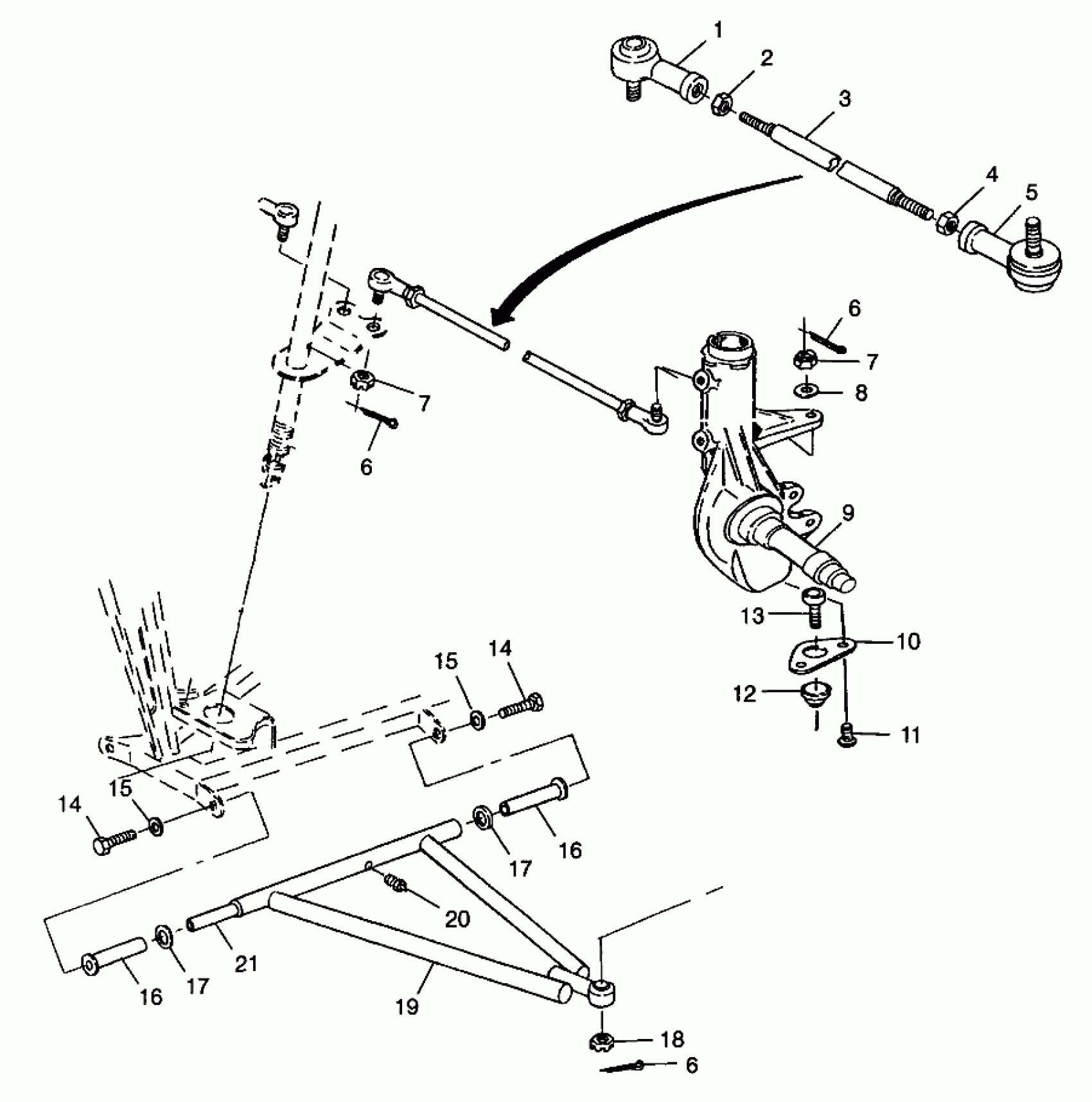
STEERING/A-ARM - W98AA25C (4945314531B004)
Polaris TRAIL BOSS - W98AA25C STEERING/A-ARM - W98AA25C (4945314531B004) Diagram
#
Description
Price
-
TIEROD ASM,RELUBE (Incl. 1-5)
1822307
Unavailable
4
NUT, LH, 10 MM.(10)
7546902
Unavailable
9
Support, Strut & Spindle (See Strut Page B3, Ref. 16)
-------
Unavailable
12
Boot, Rubber
5410548
Unavailable
14
BOLT(10) Substituted by 7512492
7515458
Unavailable
14
BOLT(10) Substituted by 7512492
7515458
Unavailable
16
BUSHING,A-ARM,LONG. Substituted by 5433066
5431596
Unavailable
16
BUSHING,A-ARM,LONG. Substituted by 5433066
5431596
Unavailable
19
KIT,A-FRAME,LH (Incl. 6,14-17,19,20)
2200477
Unavailable
19
KIT,A-FRAME,RH (Incl. 6,14-17,19,20)
2200478
Unavailable
21
SHAFT, A-ARM,(2X4)
5020680
Unavailable
