- Partiron
- OEM Parts
- Polaris
- ATV
- 1998
- TRAIL BOSS - W98AA25C
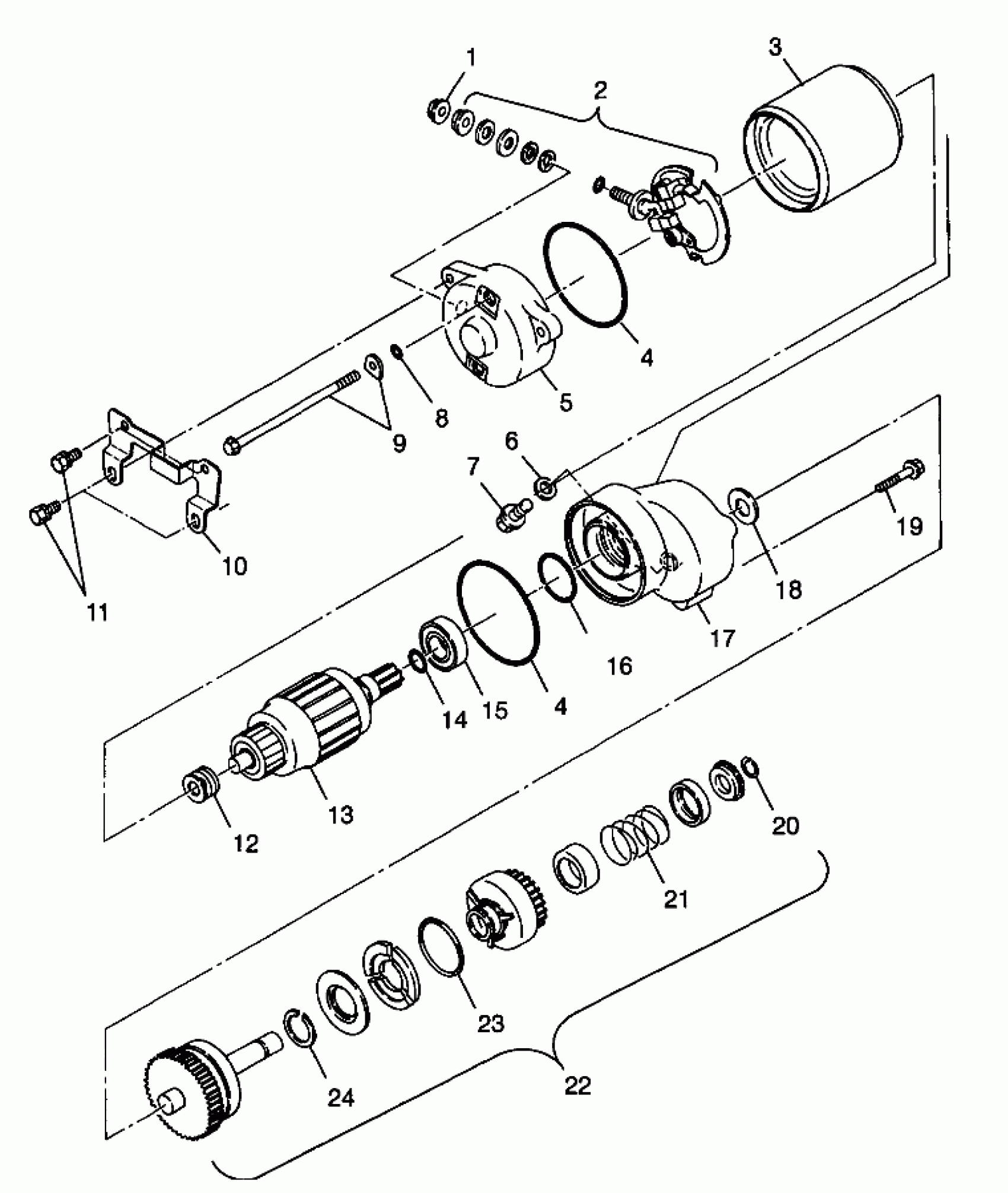
STARTING MOTOR Trail Boss W98AA25C (4945314531C010)
Polaris TRAIL BOSS - W98AA25C STARTING MOTOR Trail Boss W98AA25C (4945314531C010) Diagram
#
Description
Price
2
BRUSH,COMPL.2-POLE *
3084406
Unavailable
3
MOTOR ASM,STARTER Substituted by 3087043 (Incl. 1-5, 8, 9, 12-18, 20-24)
3085392
Unavailable
3
STARTER MOTOR ASM. * (Incl. 1, 2, 4, 5, 8, 9, 12-17)
3085393
Unavailable
4
RING, RUBBER
3084405
Unavailable
4
RING, RUBBER
3084405
Unavailable
8
O-RING
3084408
Unavailable
9
Bolt, Through
3084407
Unavailable
10
Bracket
3083650
Unavailable
14
O RING
3083934
Unavailable
18
WASHER, GEARSHAFT Substituted by 7555908
3083737
Unavailable
22
SHAFT ASM,GEAR Substituted by 3087030 (Incl. 18, 20, 21, 23, 24)
3085394
Unavailable
