- Partiron
- OEM Parts
- Polaris
- ATV
- 1997
- TRAIL BOSS - W97AA25C
REAR CAB Trail Boss W97AA25C (4940574057A006)
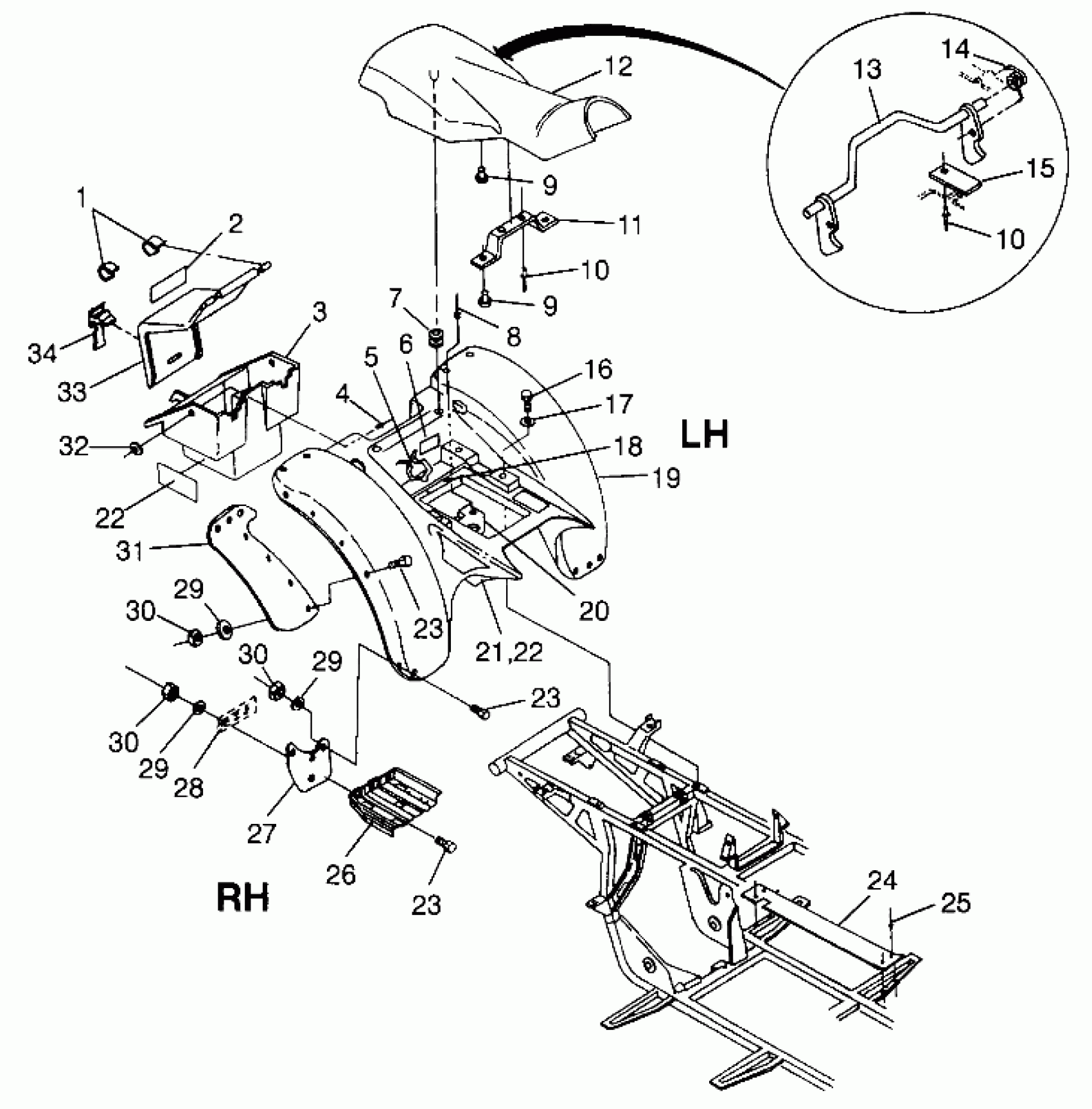
Polaris TRAIL BOSS - W97AA25C REAR CAB Trail Boss W97AA25C (4940574057A006) Diagram
#
Description
Price
1
CLIP, LID HINGE(10)
7670050
Unavailable
2
DECAL(CPSC),PASS.WRN. [No Longer Available]
7072805
Unavailable
3
BOX,TOOL COMP.
5430882
Unavailable
5
RETAINER,TOOL POUCH
7080385
Unavailable
6
DECAL,FILTER ELEMENT [No Longer Available]
7072791
Unavailable
7
Grommet
5411042
Unavailable
11
BRKT,SUPPORT SEAT BASE
5222837-067
Unavailable
12
COVER,SEAT,AQUA MARINE Substituted by 2681653 (Aqua Marine)
2681723-179
Unavailable
12
SEAT ASM,AQUA MARINE Substituted by 2682357-179 (Aqua Marine) (Incl. 9-15)
2682203-179
Unavailable
13
LATCH,SEAT
1011558
Unavailable
14
SPRING, LATCH
7041158
Unavailable
18
DECAL,CARB.INFO.
7073761
Unavailable
19
CAB,REAR,BR.WHI,GENII
5432532-133
Unavailable
20
BRKT,R.HOLDDOWN
5220880
Unavailable
21
Foil, Rear Cab
5810957
Unavailable
21
Foil, Rear Cab, Small
5810991
Unavailable
22
TAPE, FOIL
5810310
Unavailable
22
TAPE, FOIL
5810310
Unavailable
26
Foot Pad (See Pg. A9, Ref. 27)
-------
Unavailable
27
MUDFLAP,LH,LOW,REAR
5850076
Unavailable
27
MUDFLAP,RH,LOW.REAR
5850111
Unavailable
28
BRKT, LH MUD FLAP (LH Side Only)
5211131-067
Unavailable
31
FLAP,MUD,LH REAR
5850060
Unavailable
31
FLAP,MUD,RH REAR
5850061
Unavailable
34
STRAP,TOOL COMPARTMENT
5410425
Unavailable
