- Partiron
- OEM Parts
- Polaris
- ATV
- 1997
- TRAIL BOSS - W97AA25C
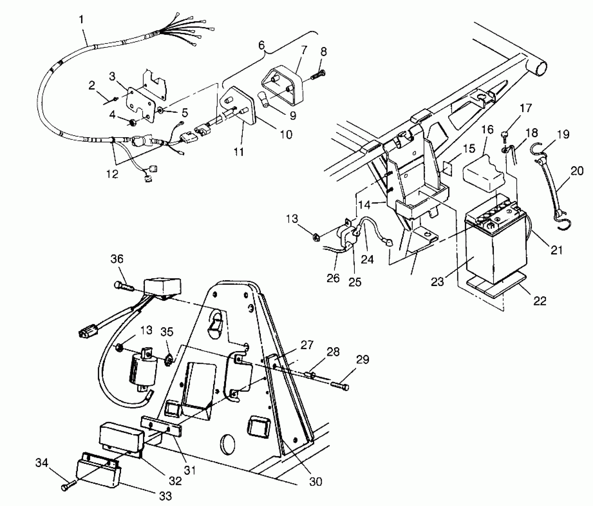
ELECTRICAL/TAILLIGHT Trail Boss W97AA25C (4940574057C002)
Polaris TRAIL BOSS - W97AA25C ELECTRICAL/TAILLIGHT Trail Boss W97AA25C (4940574057C002) Diagram
#
Description
Price
1
HARNESS,MAIN,(TRL.BOSS)
2460487
Unavailable
15
DECAL, BATTERY [No Longer Available]
7072606
Unavailable
18
CABLE,BATT/ENG.,BLK.
4010095
Unavailable
20
STRAP,BATTERY HOLDDOWN
5410424
Unavailable
21
TUBE,BATTERY VENT
5432077
Unavailable
24
CABLE,BATT/SOLENOID,RED
4010094
Unavailable
25
Magnetic Switch (See Pg. A38, Ref. 18)
-------
Unavailable
26
CABLE,SOLENOID/STARTER
4010064
Unavailable
27
BOARD,TERMINAL
4040056
Unavailable
30
SHIELD,TERM.BOARD
5431152
Unavailable
31
HEAT SINK
5210650
Unavailable
32
RECTIFIER, VOLTAGE
4060087
Unavailable
33
LIMITER,REV.SPEED
4060085
Unavailable
