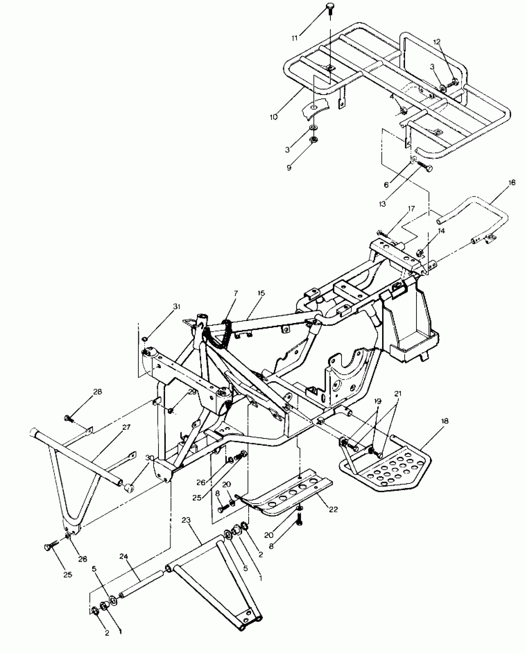
Polaris TRAIL BOSS - W877527 Frame Assembly with Racks (4913491349003A) Diagram
#
Description
Price
1
BEARING,'A' ARM Substituted by 2200474
3576509
Unavailable
1
BEARING,'A' ARM Substituted by 2200474
3576509
Unavailable
2
O RING
5410458
Unavailable
2
O RING
5410458
Unavailable
4
NUT(10)
7542124
Unavailable
5
WASHER(10)
7555774
Unavailable
5
WASHER(10)
7555774
Unavailable
7
SEAL, AIR FOAM
5810348
Unavailable
10
RACK, REAR Substituted by 2670089
2670098
Unavailable
11
BOLT(10)
7512269
Unavailable
12
BOLT
7512270
Unavailable
15
FRAME,(T.B.) [No Longer Available]
1011620
Unavailable
16
BUMPER
2670097
Unavailable
17
SCREW(10)
7512252
Unavailable
18
PAD, FOOT, LH
1040109
Unavailable
18
PAD, FOOT, RH
1040110
Unavailable
22
GUARD, ROCK
5220615
Unavailable
23
A-FRAME,LH Substituted by 1580020
1580011
Unavailable
23
A-FRAME,RH Substituted by 1580021
1580012
Unavailable
24
SHAFT,'A' ARM
5020477
Unavailable
25
BOLT(10) Substituted by 7512492
7515458
Unavailable
25
BOLT(10) Substituted by 7512492
7515458
Unavailable
27
BUMPER Substituted by 2670086-067
2670086
Unavailable
30
CAP, BUMPER, 4 WHL.(10) Substituted by 5410794
5430823
Unavailable
31
PLUG,RUBBER-HOLE,.5DIA(10) Substituted by 5411426
5410012
Unavailable
