- Partiron
- OEM Parts
- Polaris
- ATV
- 1987
- TRAIL BOSS - W877527
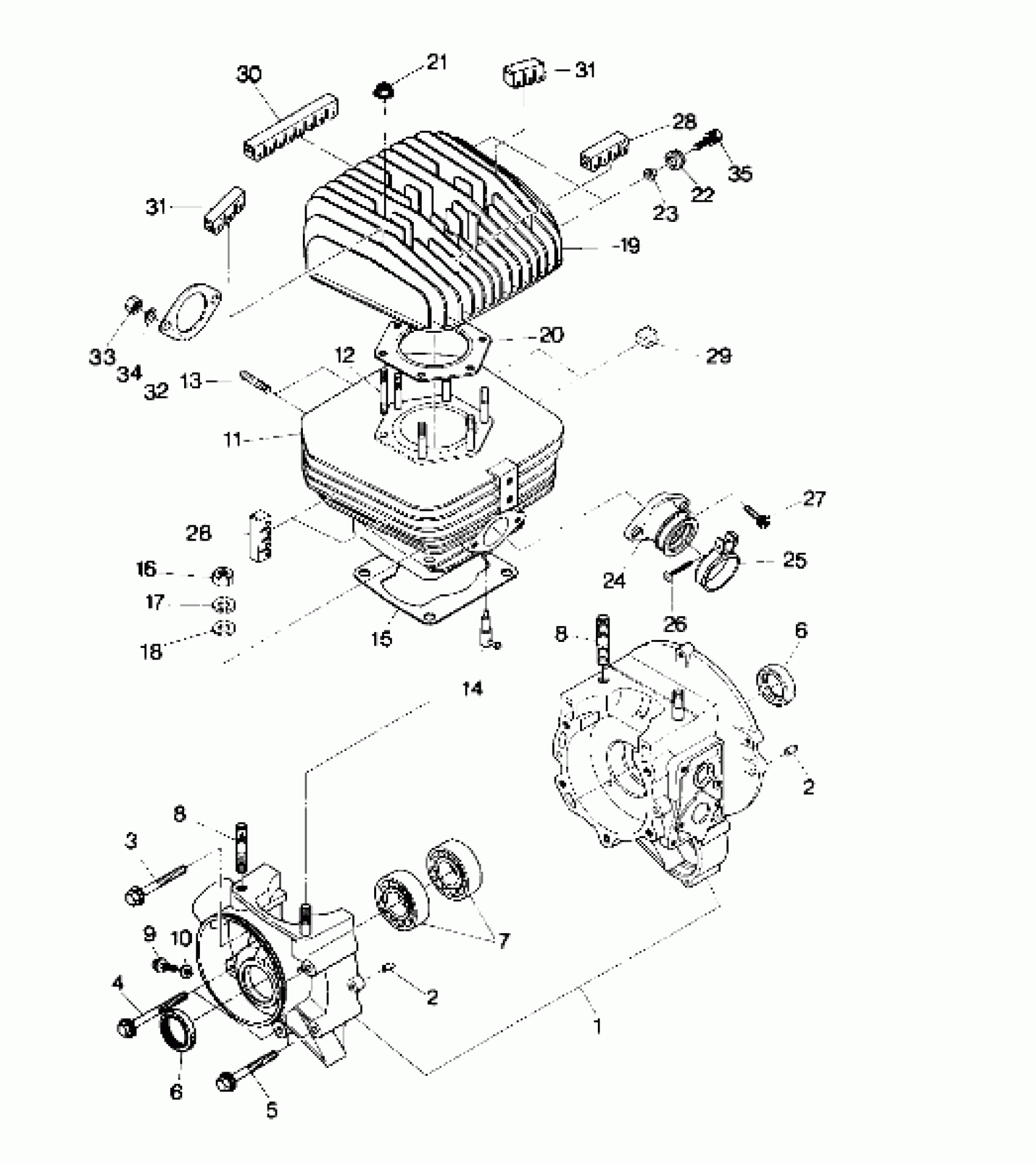
Crankcase and Cylinder Assembly (4913491349031A)
Polaris TRAIL BOSS - W877527 Crankcase and Cylinder Assembly (4913491349031A) Diagram
#
Description
Price
1
CRANKCASE (Incl. 2-10)
3083614
Unavailable
4
BOLT&WASHER ASSY.
3083615
Unavailable
7
BEARING,BALL Substituted by 3083805
3080004
Unavailable
8
STUD Substituted by 3085713
3080746
Unavailable
8
STUD Substituted by 3085713
3080746
Unavailable
9
PLUG, DRAIN
3083767
Unavailable
11
CYLINDER Substituted by 3085541 (Incl. 12-14)
3083769
Unavailable
12
STUD
3083618
Unavailable
14
VALVE, CHECK Substituted by 3086785
3083337
Unavailable
16
NUT Substituted by 3082911
3080047
Unavailable
19
HEAD, CYLINDER Substituted by 3086841
3083620
Unavailable
20
GASKET, HEAD
3083768
Unavailable
23
COLLAR
3083732
Unavailable
25
BAND-CARB MTG. (Incl. 26)
3082257
Unavailable
28
FIN DAMPER #1 Substituted by 3083929
3083621
Unavailable
28
FIN DAMPER #1 Substituted by 3083929
3083621
Unavailable
29
FIN DAMPER #2 Substituted by 3083930
3083622
Unavailable
30
FIN DAMPER #3 [No Longer Available]
3083623
Unavailable
31
FIN DAMPER #4 [No Longer Available]
3083624
Unavailable
31
FIN DAMPER #4 [No Longer Available]
3083624
Unavailable
32
GASKET, EXHAUST
3083770
Unavailable
33
NUT(10)
3080285
Unavailable
