#
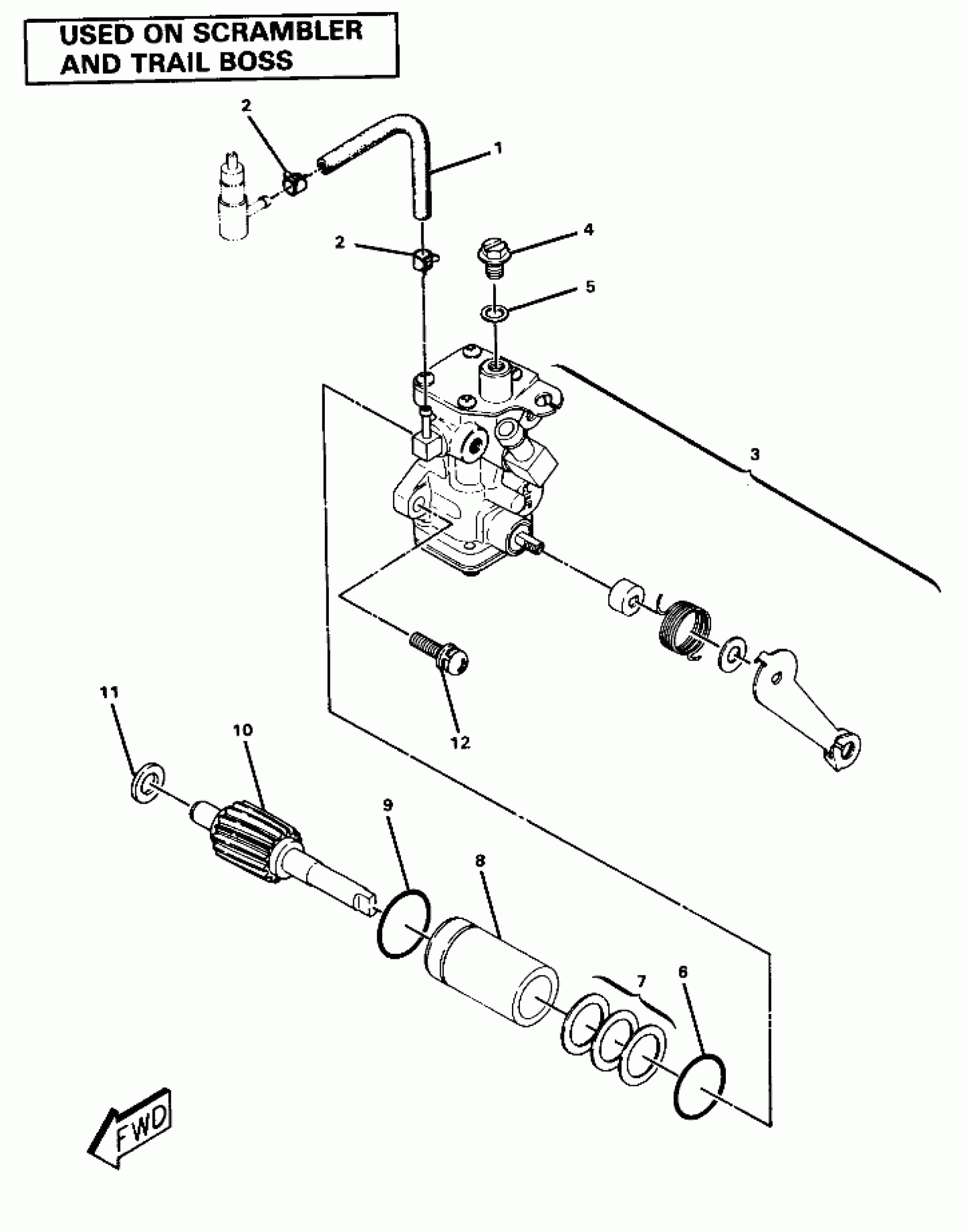
1
3083140
Unavailable
3
3083746
Unavailable
4
3083125
Unavailable
6
3083127
Unavailable
7
3083673
Unavailable
7
3083672
Unavailable
7
3083671
Unavailable
8
3083674
Unavailable
9
3083129
Unavailable
10
3083429
Unavailable
12
3083558
Unavailable
Edit ride
