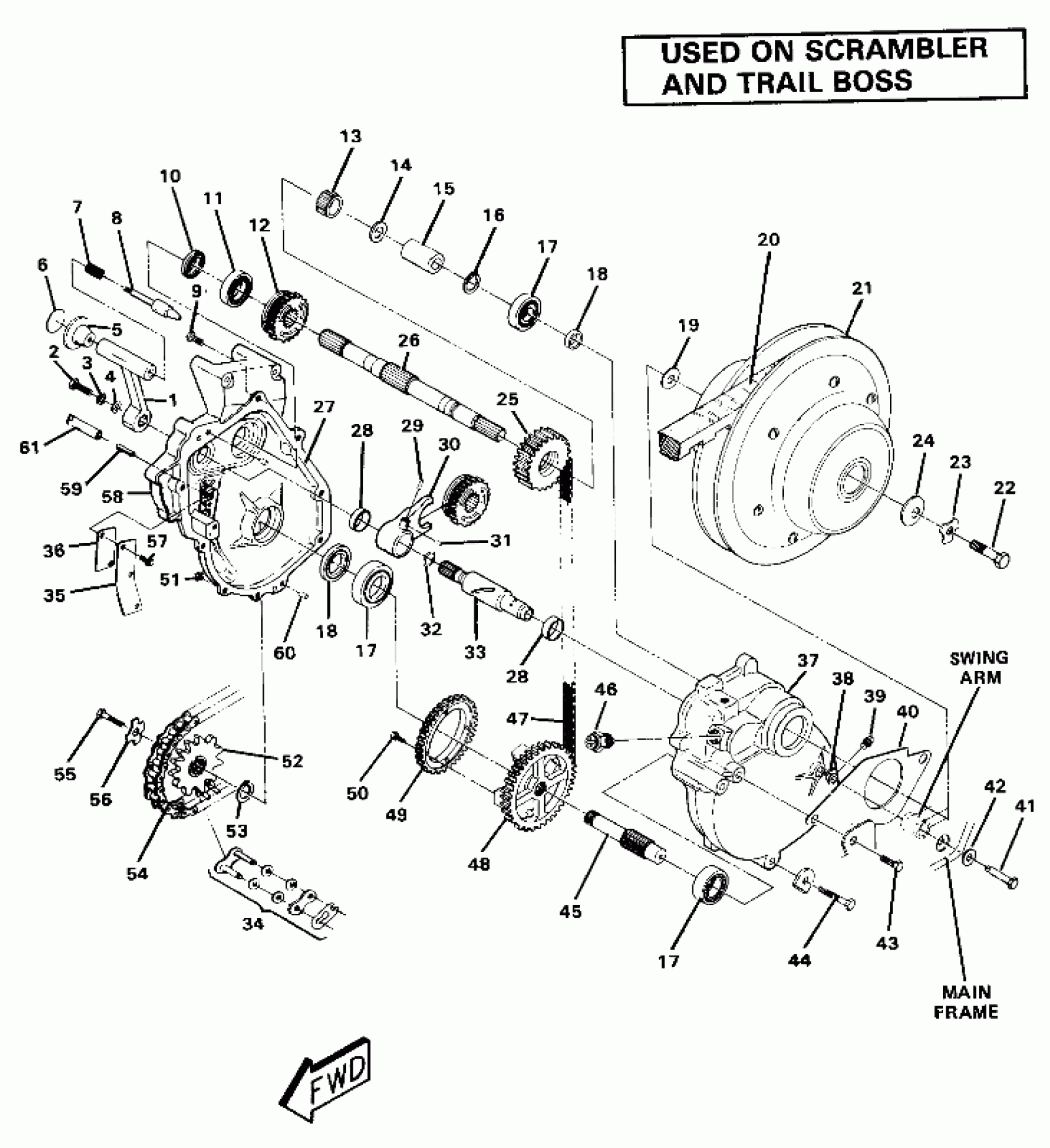
Polaris TRAIL BOSS - W867527 Gearcase Assembly (4911701170038A) Diagram
#
1
LEVER, SHIFT [No Longer Available]
1341024
Unavailable
2
BOLT(10) Substituted by 7512240
7512111
Unavailable
5
KNOB
7030006
Unavailable
6
DECAL [No Longer Available]
7072234
Unavailable
8
SHAFT,SHIFT LEVER Substituted by 5020470
5020442
Unavailable
10
SEAL, OIL
3610014
Unavailable
12
PINION, REVERSE Substituted by 5130621
5130592
Unavailable
13
BEARING, NEEDLE
3554502
Unavailable
14
WASHER(10)
7555751
Unavailable
16
RING, RET.(10)
7710411
Unavailable
18
SEAL, OIL
3610015
Unavailable
18
SEAL, OIL
3610015
Unavailable
19
SPACER, DRIVEN
5211041
Unavailable
20
BELT-DRIVE(5) Substituted by 3211077
3211048
Unavailable
21
CLUTCH, DRIVEN Substituted by 1322136
1322112
Unavailable
22
BOLT(10)
7515318
Unavailable
23
WASHER,SHAKEPROOF,5/16(10)
7577901
Unavailable
26
SHAFT, INPUT Substituted by 5020467
5020439
Unavailable
27
GASKET ELIMIN.50CCTUBE Substituted by 2871557
2870587
Unavailable
28
BUSHING, SLEEVE
3574209
Unavailable
28
BUSHING, SLEEVE
3574209
Unavailable
29
PIN, DOWEL(10)
7661819
Unavailable
30
FORK, SHIFT Substituted by 5130662
5130594
Unavailable
31
PIN, SPRING(10)
7661206
Unavailable
35
PLATE, VENT
5211036
Unavailable
36
GASKET, VENT
5810305
Unavailable
38
BUSHING,SWING ARM MT.
5630267
Unavailable
39
PLUG,PIPE,MAGNETIC
7051512
Unavailable
40
RETAINER,BULKHEAD,LH
5220636
Unavailable
41
BOLT, SPECIAL
7512664
Unavailable
43
BOLT(10) Substituted by 7512492
7515458
Unavailable
45
SHAFT,OUTPUT
5020457
Unavailable
47
CHAIN, SILENT
3224035
Unavailable
48
CAST,FORWARD GEAR
5130614
Unavailable
49
RING GEAR, REVERSE Substituted by 5130644
5130590
Unavailable
52
SPKT, 12T (Opt.)
3221044
Unavailable
52
SPKT, 11T (Opt.)
3221043
Unavailable
53
RING, RET.
7710410
Unavailable
54
CHAIN, FINAL DRIVE
3224034
Unavailable
55
BOLT(10)
7512391
Unavailable
56
WASHER,SHAKEPROOF,5/16
7577902
Unavailable
58
GEARCASE, RH
5130611
Unavailable
60
PIN, DOWEL(10)
7661904
Unavailable
61
KIT-TANK VENT
2200190
Unavailable
61
OIL,GAL,CHAINCASE&TRANNY(6)3.8L [No Longer Available]
2870464
Unavailable
