- Partiron
- OEM Parts
- Polaris
- ATV
- 1986
- TRAIL BOSS - W867527
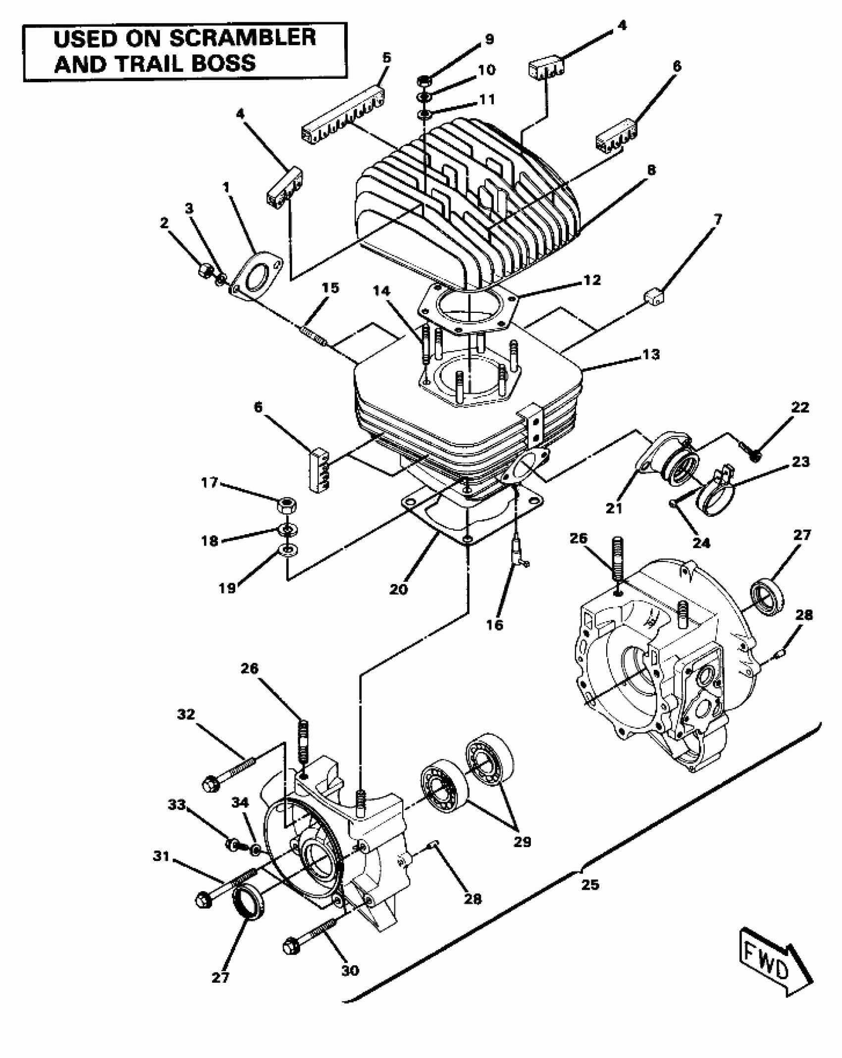
Crankcase and Cylinder Assembly (4911701170042A)
Polaris TRAIL BOSS - W867527 Crankcase and Cylinder Assembly (4911701170042A) Diagram
#
Description
Price
1
GASKET,EXHAUST Substituted by 3084439
3082510
Unavailable
2
NUT(10)
3080285
Unavailable
4
FIN DAMPER #4 [No Longer Available]
3083624
Unavailable
4
FIN DAMPER #4 [No Longer Available]
3083624
Unavailable
5
FIN DAMPER #3 [No Longer Available]
3083623
Unavailable
6
RING,PISTON,O/S.010
3083261
Unavailable
6
RING,PISTON,O/S.010
3083261
Unavailable
7
FIN DAMPER #2 Substituted by 3083930
3083622
Unavailable
8
HEAD, CYLINDER Substituted by 3086841
3083620
Unavailable
10
WASHER, SPRING(10)
3083572
Unavailable
12
GASKET, HEAD Substituted by 3083768
3083676
Unavailable
13
CYLINDER Substituted by 3083769 (Incl. 14-16)
3083617
Unavailable
14
STUD
3083618
Unavailable
16
VALVE, CHECK Substituted by 3086785
3083337
Unavailable
17
NUT Substituted by 3082911
3080047
Unavailable
23
BAND-CARB MTG. (Incl. 24)
3082257
Unavailable
25
CRANKCASE (Incl. 26-34)
3083614
Unavailable
26
STUD Substituted by 3085713
3080746
Unavailable
26
STUD Substituted by 3085713
3080746
Unavailable
29
BEARING,BALL Substituted by 3083805
3080004
Unavailable
31
BOLT&WASHER ASSY.
3083615
Unavailable
