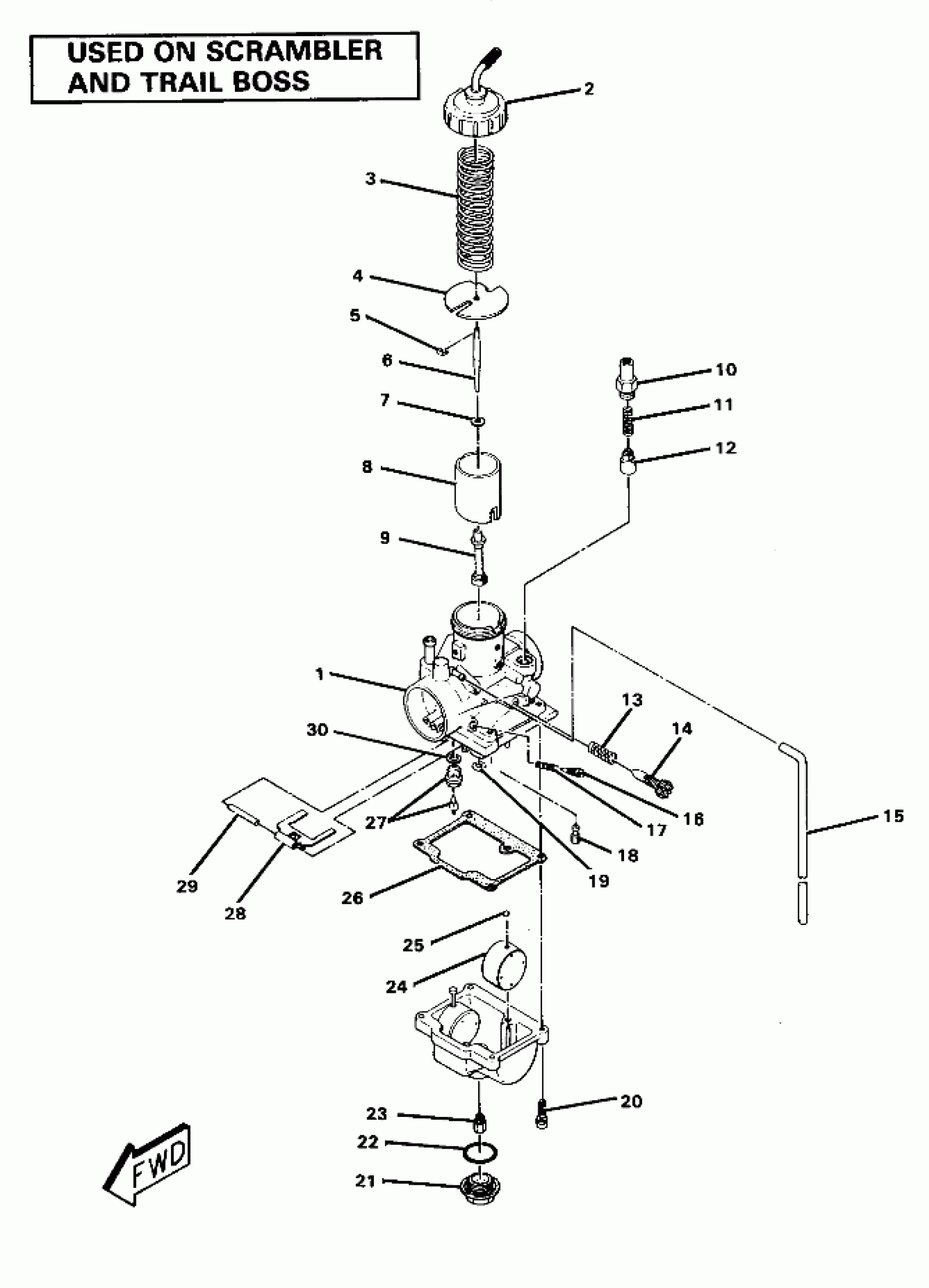
Polaris TRAIL BOSS - W867527 Carburetor Assembly (4911701170048A) Diagram
#
Description
Price
1
CARBURETOR ASM. [Cannot Purchase as Assembly]
3130353
Unavailable
2
CAP ASM.
3130363
Unavailable
5
E RING(10) Substituted by 3130508
3130003
Unavailable
8
VALVE, THROTTLE Substituted by 3130466
3130357
Unavailable
15
HOSE [No Longer Available]
3130362
Unavailable
16
SCREW,AIR Substituted by 3130011
3130233
Unavailable
18
JET, IDLER H30 Substituted by 3130065
3130331
Unavailable
22
O RING
3130239
Unavailable
23
JET,MAIN,HX.HD.#155
3130114
Unavailable
