- Partiron
- OEM Parts
- Polaris
- ATV
- 1999
- TRAIL BOSS - A99AA25CA
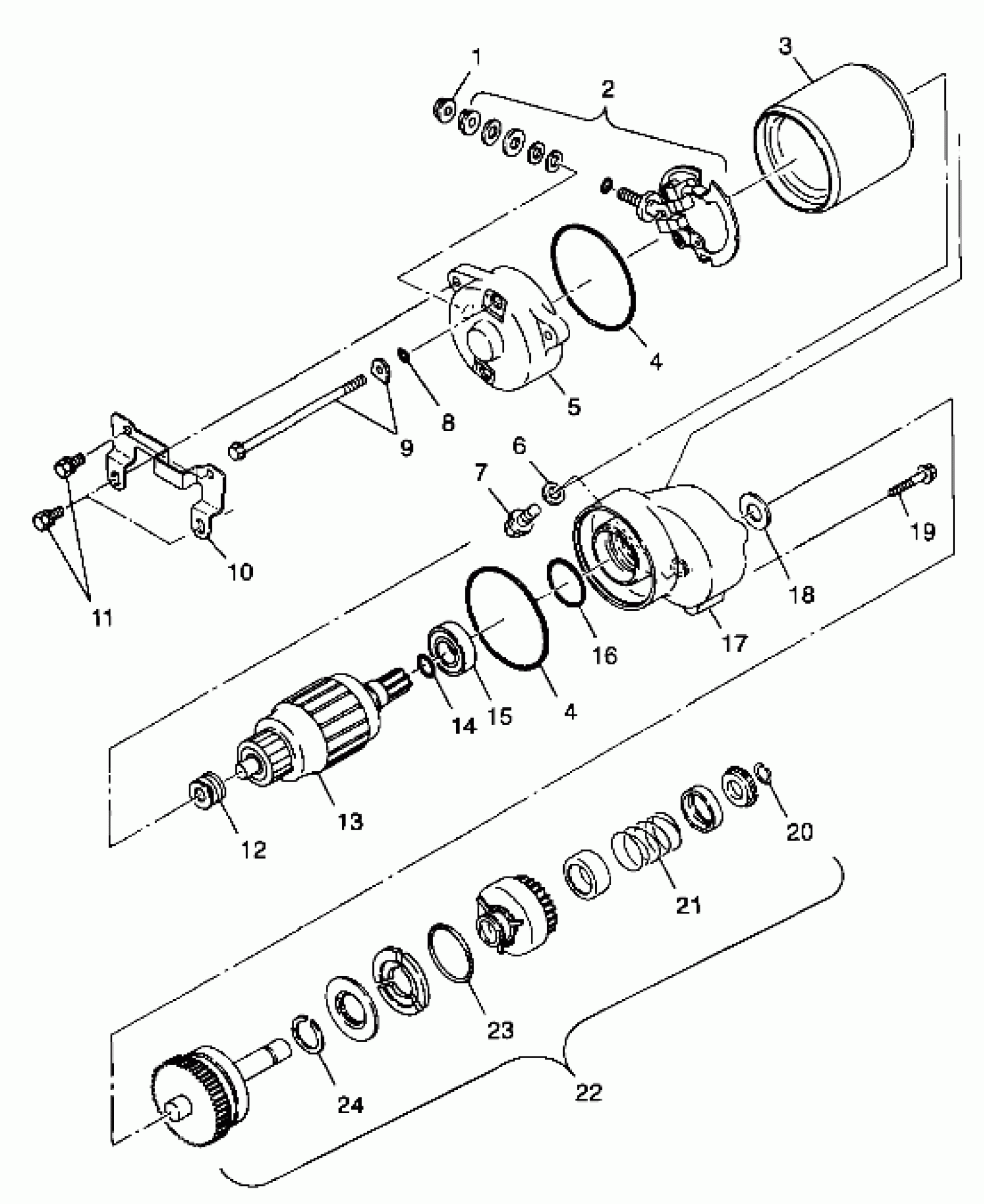
STARTING MOTOR - A99AA25CA (4949594959c010)
Polaris TRAIL BOSS - A99AA25CA STARTING MOTOR - A99AA25CA (4949594959c010) Diagram
#
Description
Price
2
BRUSH,COMPL.2-POLE *
3084406
Unavailable
3
MOTOR ASM,STARTER Substituted by 3087043 (Incl. 1-5,8,9,12-18,20-24)
3085392
Unavailable
3
STARTER MOTOR ASM. * (Incl. 1,2,4,5,8,9,12-17)
3085393
Unavailable
4
RING, RUBBER
3084405
Unavailable
4
RING, RUBBER
3084405
Unavailable
8
O-RING
3084408
Unavailable
9
Bolt, Through
3084407
Unavailable
10
Bracket
3083650
Unavailable
14
O RING
3083934
Unavailable
18
WASHER, GEARSHAFT Substituted by 7555908
3083737
Unavailable
22
SHAFT ASM,GEAR Substituted by 3087030 (Incl. 18,20,21,23,24)
3085394
Unavailable
