- Partiron
- OEM Parts
- Polaris
- ATV
- 2002
- TRAIL BOSS - A02CA32AA/AB
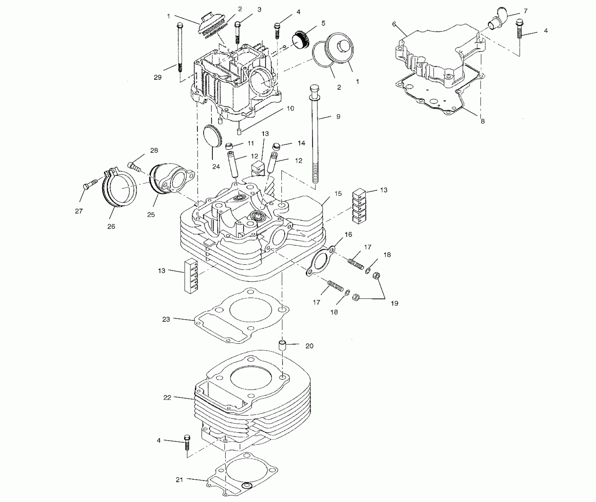
CYLINDER - A02CA32AA/AB (4969816981C07)
Polaris TRAIL BOSS - A02CA32AA/AB CYLINDER - A02CA32AA/AB (4969816981C07) Diagram
#
Description
Price
1
Cover, Valve
3086413
Unavailable
1
Cover, Valve
3086413
Unavailable
4
Bolt, Flange
3087158
Unavailable
4
Bolt, Flange
3087158
Unavailable
4
Bolt, Flange
3087158
Unavailable
5
Plug, Cylinder Block
3086417
Unavailable
16
Gasket, Exhaust
3086421
Unavailable
17
Stud
3085326
Unavailable
17
Stud
3085326
Unavailable
19
Nut
3086787
Unavailable
20
Pin, Straight
3084838
Unavailable
22
Cylinder
3086883
Unavailable
23
Gasket, Head
3086415
Unavailable
24
Gasket, Cam
3086416
Unavailable
28
Bolt
3086786
Unavailable
29
Bolt, Flange
3087160
Unavailable
