- Partiron
- OEM Parts
- Polaris
- ATV
- 2001
- TRAIL BOSS - A01AA32AB
EXHAUST SYSTEM - A01AA32AA (4963816381A009)
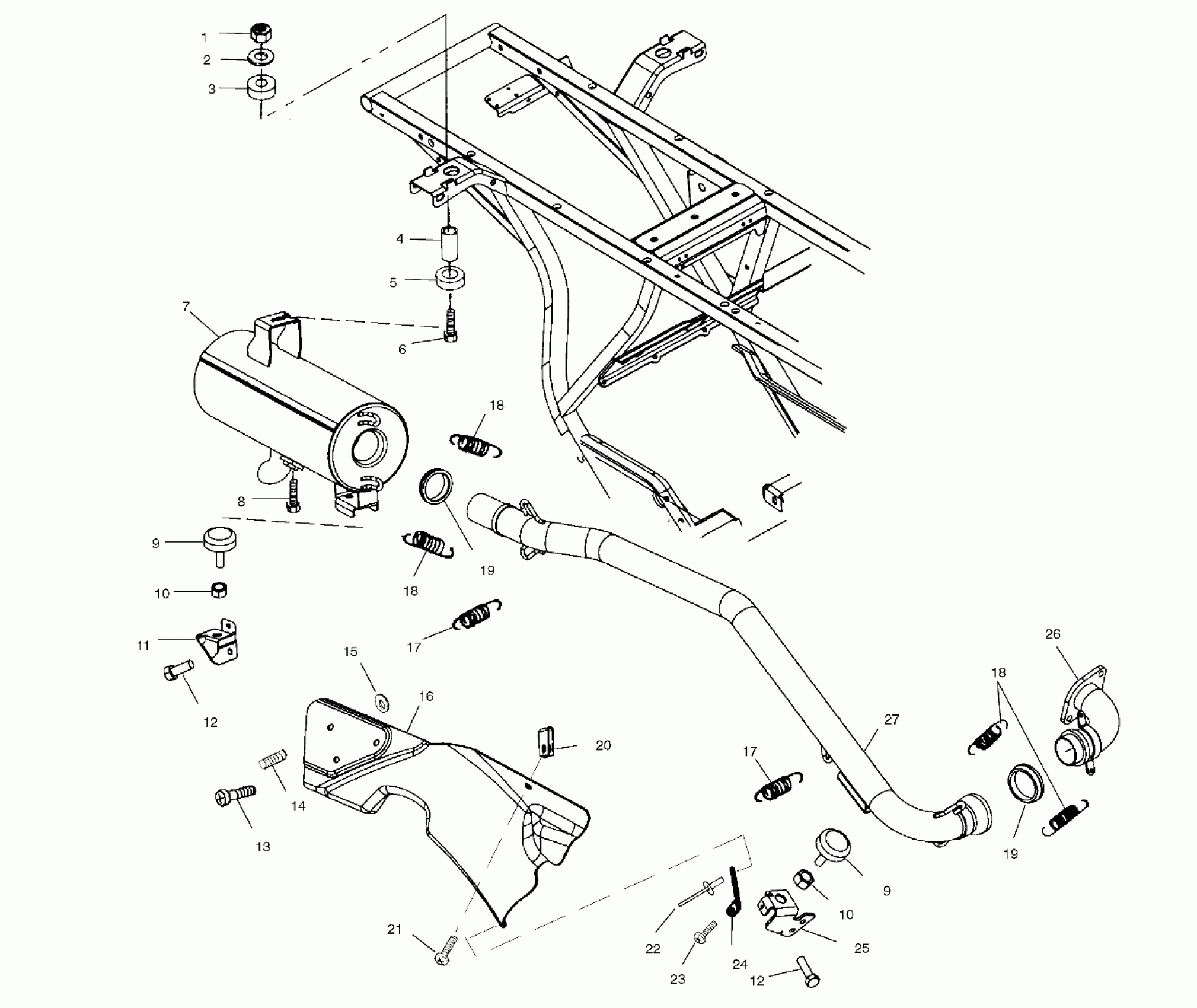
Polaris TRAIL BOSS - A01AA32AB EXHAUST SYSTEM - A01AA32AA (4963816381A009) Diagram
#
Description
Price
5
DAMPENER
5410241
Unavailable
7
SILENCER,TRAIL BOSS,BLK
1260968-029
Unavailable
9
MOUNT,TORQUE-STOP
3110064
Unavailable
9
MOUNT,TORQUE-STOP
3110064
Unavailable
16
SHIELD,EXH,TRAIL BOSS Substituted by 1261086 (If built before 8/01/00)
1253292
Unavailable
16
FOAM,FOIL,EXHAUST,TRAIL BOSS (If built before 8/01/00)
5830184
Unavailable
16
FOAM,FOIL,HEAT SHIELD (If built after 8/01/00)
5811849
Unavailable
16
SHIELD,EXHAUST,GEN 2,ASM. (If built after 8/01/00)
1261086
Unavailable
24
BRKT,EXHAUST SHIELD,T BOSS,BLK
5243833-067
Unavailable
26
MANIFOLD,325,BLK
1260960-029
Unavailable
27
HEADPIPE,BLK
1260987-029
Unavailable
