- Partiron
- OEM Parts
- Polaris
- ATV
- 2001
- TRAIL BOSS - A01AA32AB
BUMPER and RACK MOUNTING - A01AA32AA (4963816381A005)
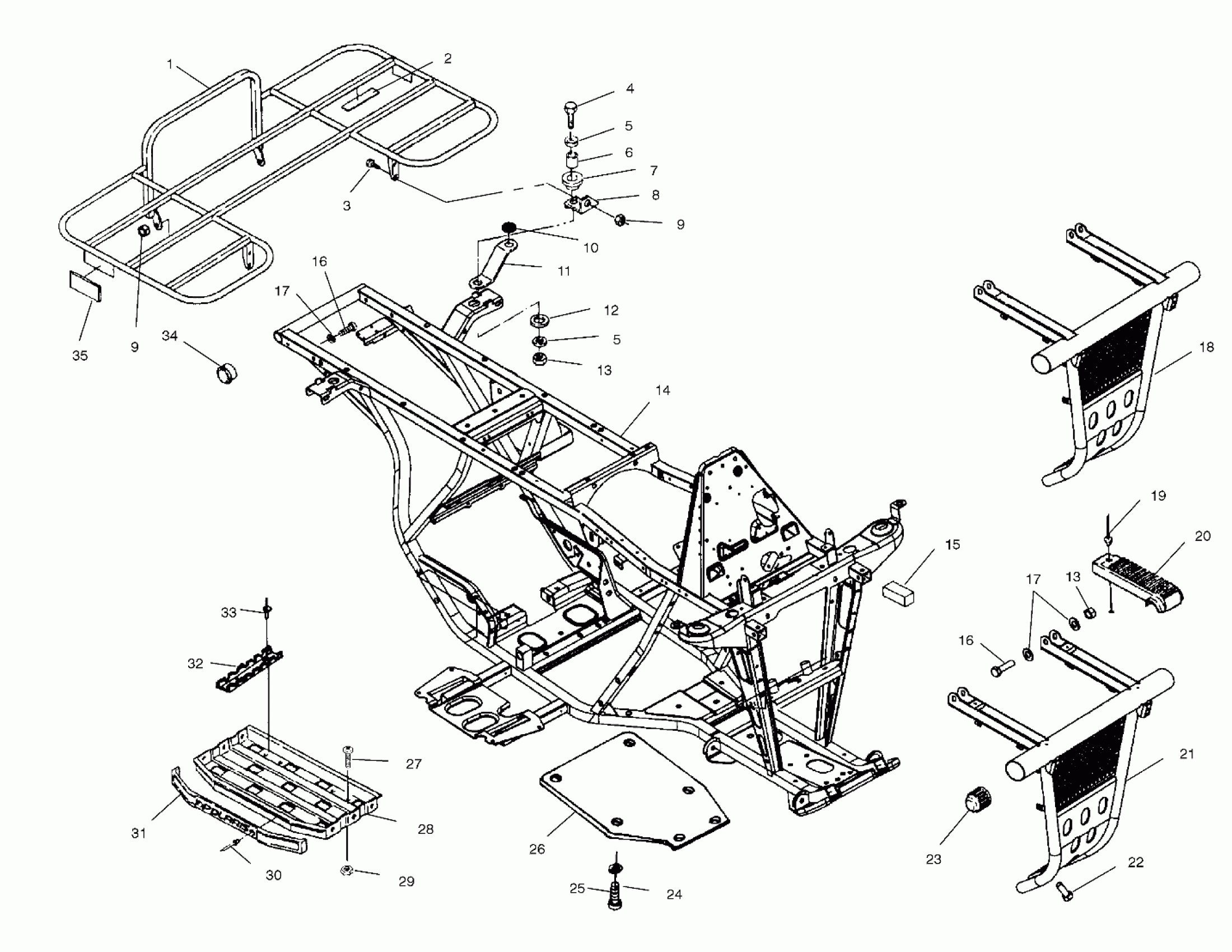
Polaris TRAIL BOSS - A01AA32AB BUMPER and RACK MOUNTING - A01AA32AA (4963816381A005) Diagram
#
Description
Price
1
RACK,REAR
1012876-093
Unavailable
7
DAMPENER
5410241
Unavailable
8
BRKT,SUPPORT RACK,RH,BLK
5243469-067
Unavailable
8
BRKT,SUPPORT RACK,LH,BLK
5243468-067
Unavailable
10
PLUG,RUBBER-HOLE,.5DIA(10) Substituted by 5411426
5410012
Unavailable
14
FRAME,MAIN,T.BOSS 325 (AA)
1013195-067
Unavailable
14
FRAME MAIN,T BOSS 325,BLK (AB)(AC)
1013466-067
Unavailable
15
PLUG, FRAME
5810467
Unavailable
18
BUMPER,GEN 2,T.BOSS,BLK (If built after 9/1/00)
1013403-067
Unavailable
19
RIVET(50) (Used only with 1012811-067)
7621229
Unavailable
21
BUMPER,GEN2,TBOSS,BLK (If built before 9/1/00)
1012811-067
Unavailable
23
CAP,BUMPER,FR,BLK. (AC)
5431013-067
Unavailable
23
CAP,BUMPER,FR,POR.RED (AA)(AB)
5431013-136
Unavailable
31
Trim, Footrest
5431484
Unavailable
