- Partiron
- OEM Parts
- Polaris
- ATV
- 2000
- TRAIL BOSS - A00AA32AB
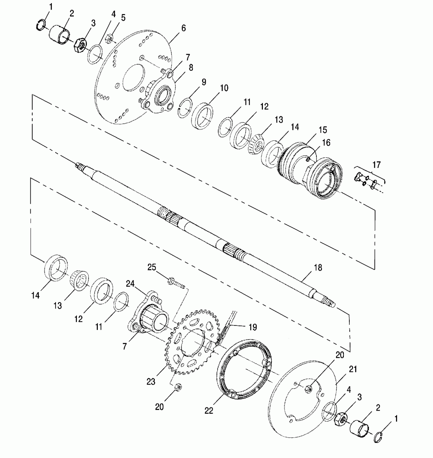
REAR HOUSING - A00AA32AB (4960076007B009)
Polaris TRAIL BOSS - A00AA32AB REAR HOUSING - A00AA32AB (4960076007B009) Diagram
#
Description
Price
6
DISC,BRAKE,VENTED
5211849
Unavailable
8
HUB ASM,BRK.DISC,LOCKING (Incl. 7)
1520259
Unavailable
11
O RING
5410889
Unavailable
11
O RING
5410889
Unavailable
17
CONNECTOR LINK,CHAIN
3225026
Unavailable
18
AXLE-REAR,HYBRID,STD
5131968
Unavailable
19
CHAIN-520 O-RING,82 PITCH
3224056-082
Unavailable
21
GUARD,SPKT,42T
5211618-067
Unavailable
22
SPACER-SPROCKET GUARD
5630586
Unavailable
23
SPROCKET,42T,(ATV)
3222070
Unavailable
