- Partiron
- OEM Parts
- Polaris
- ATV
- 2000
- TRAIL BOSS - A00AA32AA
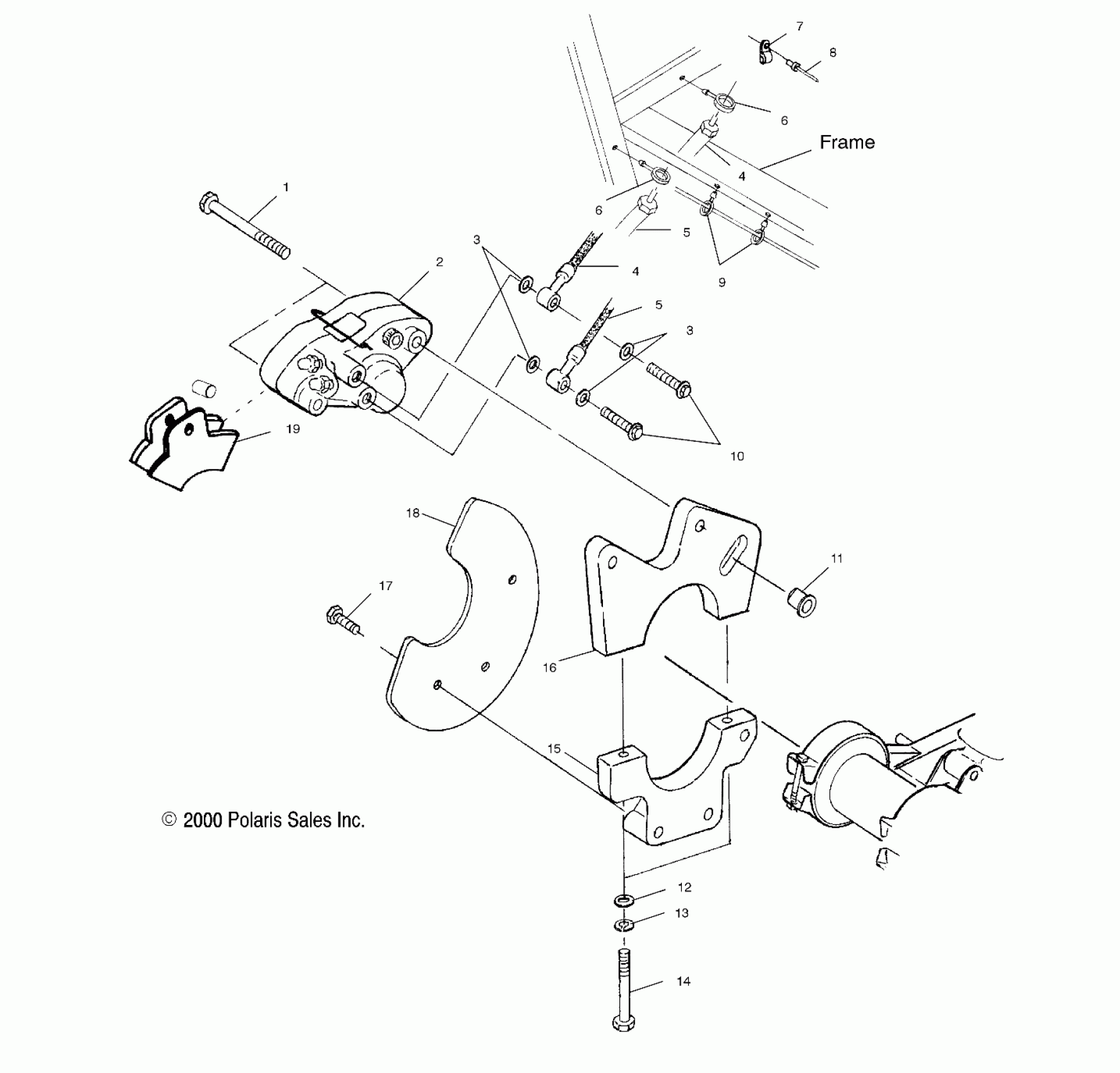
REAR CALIPER MOUNTING - A00AA32AA (4949914991B012)
Polaris TRAIL BOSS - A00AA32AA REAR CALIPER MOUNTING - A00AA32AA (4949914991B012) Diagram
#
Description
Price
4
LINE,REAR HANDBRAKE
1930873
Unavailable
4
LINE,REAR HANDBRAKE
1930873
Unavailable
5
LINE,REAR FOOTBRAKE
1930872
Unavailable
5
LINE,REAR FOOTBRAKE
1930872
Unavailable
10
BOLT,BANJO,BRAKE
1930674
Unavailable
11
BUSHING,CALIPER MT.
5131759
Unavailable
15
MT,LWR.CALIPER,AXLE
5131786
Unavailable
16
MT,UPR.CALIPER,AXLE
5131787
Unavailable
18
GUARD,BRAKEDISC,R.AXLE,BLK
5242291-067
Unavailable
19
Pin
1930860
Unavailable
19
SPACER,PAD
1910339
Unavailable
