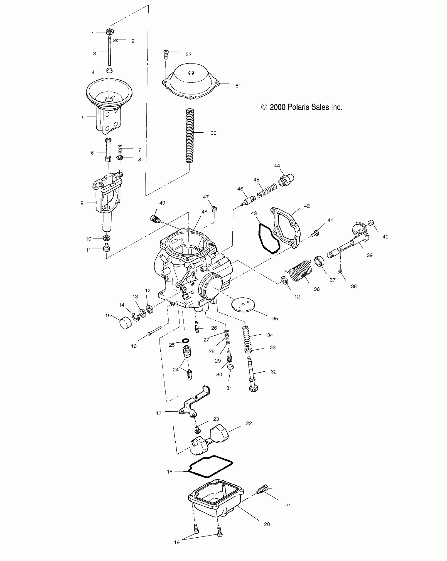
Polaris TRAIL BOSS - A00AA32AA CARBURETOR - A00AA32AA (4949914991D001) Diagram
#
Description
Price
3
JET NEEDLE,(J8-5F14)
3130730
Unavailable
6
NEEDLE-JET(P-0M) (P-0M)
3131130
Unavailable
9
JET BLOCK,ASM.
3131128
Unavailable
13
PACKING
-------
Unavailable
24
VALVE,NEEDLE (1.5)
3130531
Unavailable
35
VALVE-THROTTLE(120) (120)
3131126
Unavailable
47
JET,AIR(#175) (#175)
3131133
Unavailable
48
CARBURETOR,ASM. (Incl. 1-39,44-52) (If built before 3/1/99)
3131125
Unavailable
48
CARBURETOR,ASM. (Incl. 1-39,44-52) (If built after 3/1/99)
3131147
Unavailable
51
COVER,ASM.
3131127
Unavailable
52
SCREW-MIKUNI C2=0408
3130592
Unavailable
