- Partiron
- OEM Parts
- Polaris
- ATV
- 1992
- TRAIL BOSS 4X4 - W928127
BODY ASSEMBLY 250 4x4 / W928127 (4922872287A005)
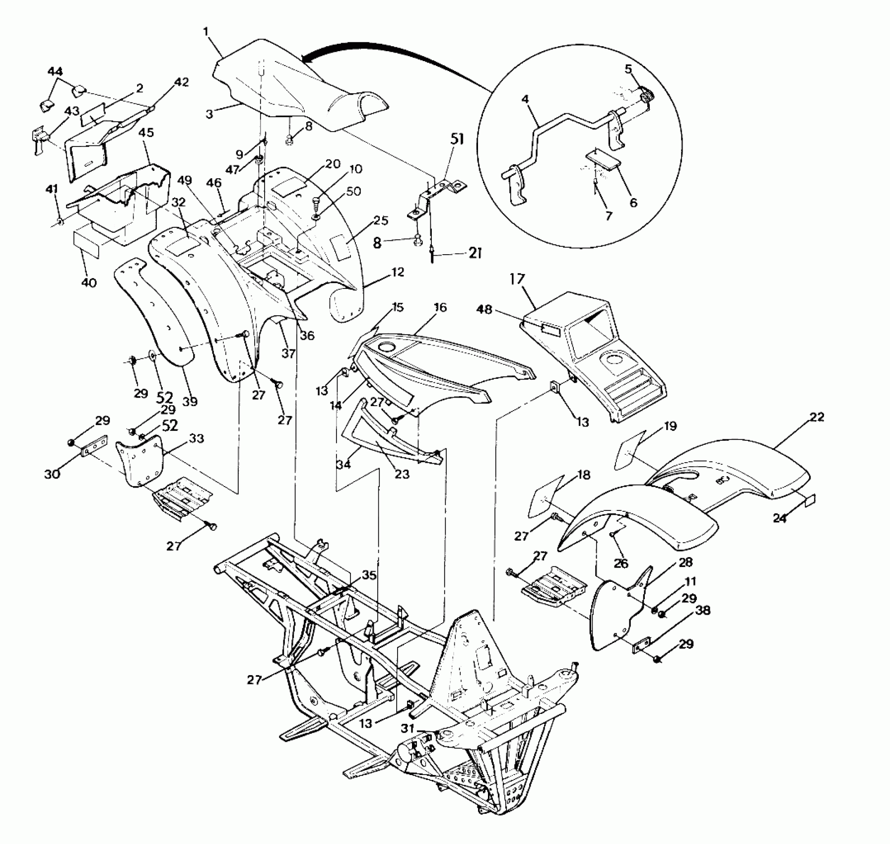
Polaris TRAIL BOSS 4X4 - W928127 BODY ASSEMBLY 250 4x4 / W928127 (4922872287A005) Diagram
#
1
SEAT ASM,(ATV) Substituted by 2681724-157
2681512
Unavailable
2
DECAL(CPSC),PASS.WRN. [No Longer Available]
7072805
Unavailable
3
COVER,SEAT,(BLUE) Substituted by 2681723-157
2681513
Unavailable
4
LATCH,SEAT
1011558
Unavailable
5
SPRING, LATCH
7041158
Unavailable
12
CAB,REAR,COOLBLUE (Fender)
5430991-164
Unavailable
14
DECAL, '4X4'
7073450
Unavailable
15
DECAL(CPSC),AGE WARN. Substituted by 7074827
7072933
Unavailable
16
COVER,FUELTANK,BON.BLUE
5431197-157
Unavailable
18
DECAL(CPSC),WARNING DISC
7073147
Unavailable
19
DECAL,WARNING(CPSC) [No Longer Available]
7072693
Unavailable
20
DECAL(CPSC),WARN,HVY.LOAD [No Longer Available]
7072786
Unavailable
21
RIVET
7621481
Unavailable
22
CAB,FR.,COOLBLUE Substituted by 2631549-164 (Fender)
5430990-164
Unavailable
23
DECAL, SIDE PANEL [No Longer Available]
7072884
Unavailable
24
LABEL, 'U.S.A.'
7073024
Unavailable
25
DECAL(CPSC),TIRE PRESS(4X4) [No Longer Available]
7072810
Unavailable
28
MUDFLAP,LH FRONT
5850086
Unavailable
28
MUDFLAP,RH FRONT
5850087
Unavailable
30
BRKT, LH MUD FLAP
5211131-067
Unavailable
31
PLUG,RUBBER-HOLE,.5DIA(10) Substituted by 5411426
5410012
Unavailable
32
DECAL(CPSC),WARN,R.RACK [No Longer Available]
7072788
Unavailable
33
MUDFLAP,LH,LOW,REAR
5850076
Unavailable
34
COVER,LH,BON.BLUE,SIDEPAN Substituted by 5433382-157
5430970-157
Unavailable
34
COVER,RH,BON.BLUE,SIDEPAN Substituted by 5433579-157
5430971-157
Unavailable
35
DECAL,FILTER ELEMENT [No Longer Available]
7072791
Unavailable
36
BRKT,R.HOLDDOWN
5220880
Unavailable
37
TAPE,FOIL,R.CAB (Inside)
5810416
Unavailable
38
BRKT,RH MUD FLAP
5211020-067
Unavailable
39
FLAP,MUD,LH REAR
5850060
Unavailable
39
FLAP,MUD,RH REAR
5850061
Unavailable
40
TAPE, FOIL
5810310
Unavailable
42
LID,TOOLBOX(92-4X4,250)
5430769-1029
Unavailable
43
STRAP,TOOL COMPARTMENT
5410425
Unavailable
44
CLIP, LID HINGE(10)
7670050
Unavailable
45
BOX,TOOL COMP.
5430882
Unavailable
47
GROMMET
5410413
Unavailable
48
DECAL,'250',ORANGE [No Longer Available]
7073442
Unavailable
49
RETAINER,TOOL POUCH
7080385
Unavailable
51
BRKT,SUPPORT SEAT BASE
5222837-067
Unavailable
