- Partiron
- OEM Parts
- Polaris
- ATV
- 1991
- TRAIL BOSS 4X4 - W918127
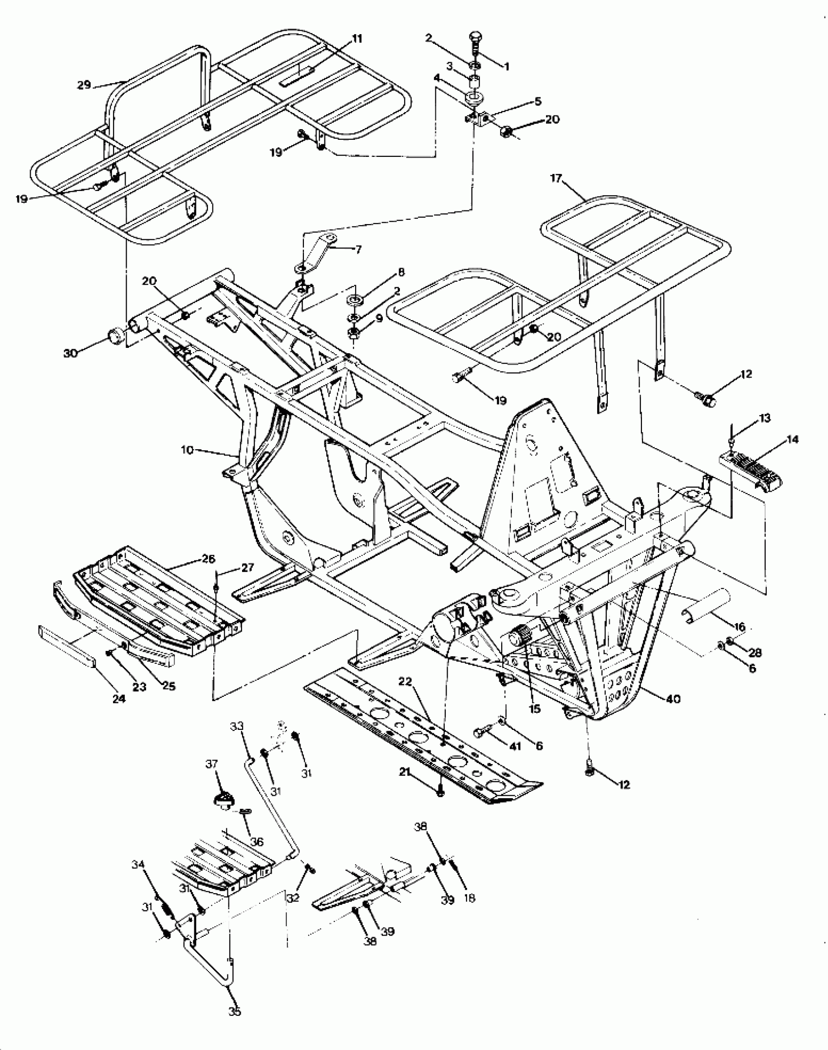
FRAME ASSEMBLY W/RACKS 250 4X4 - Update (4919791979003A)
Polaris TRAIL BOSS 4X4 - W918127 FRAME ASSEMBLY W/RACKS 250 4X4 - Update (4919791979003A) Diagram
#
Description
Price
4
DAMPENER
5410241
Unavailable
5
BRKT,LH SUPPORT RACK Substituted by 5243468-067
5220899-067
Unavailable
5
BRKT,RH SUPPORT RACK Substituted by 5243469-067
5220901-067
Unavailable
10
FRAME,SQUARE(91'4X4') [No Longer Available]
1040253-067
Unavailable
12
SCREW(10)
7512252
Unavailable
12
SCREW(10)
7512252
Unavailable
13
RIVET(50)
7621229
Unavailable
15
CAP,BUMPER,FR,FIRE RED
5431013-093
Unavailable
16
DECAL, FR.SUSP.
7073087
Unavailable
17
RACK,FRT.(STL.GREY) Substituted by 2670135-067
2670111-132
Unavailable
19
SCREW,PAN HD,PHILLIPS(10) Substituted by 7515355
7515341
Unavailable
19
SCREW,PAN HD,PHILLIPS(10) Substituted by 7515355
7515341
Unavailable
19
SCREW,PAN HD,PHILLIPS(10) Substituted by 7515355
7515341
Unavailable
22
GUARD, ROCK, BLK.
5222272-067
Unavailable
23
RIVET,SEMI-TUBE,(50)
7661812
Unavailable
24
REFLECTOR AMBER
2670071
Unavailable
25
RUBRAIL,(FOOTREST) Substituted by 5431484
5431019
Unavailable
26
PAD,FOOT, RH Substituted by 1040275-117
1040220
Unavailable
27
RIVET, (MONOBOLT) Substituted by 7661637
7661620
Unavailable
29
RACK, REAR Substituted by 2670110-067
2670110-157
Unavailable
30
CAP, BUMPER, 4 WHL.(10) Substituted by 5410794
5430823
Unavailable
33
ROD,BRAKE LINKAGE Substituted by 5224447
5224385
Unavailable
36
PIN, SPIRAL(10)
7661416
Unavailable
37
PEDAL,FOOT
5130715-067
Unavailable
40
BUMPER,FR,(BLK.) Substituted by 2670113-067
2670113
Unavailable
