- Partiron
- OEM Parts
- Polaris
- ATV
- 1991
- TRAIL BOSS 4X4 - W918127
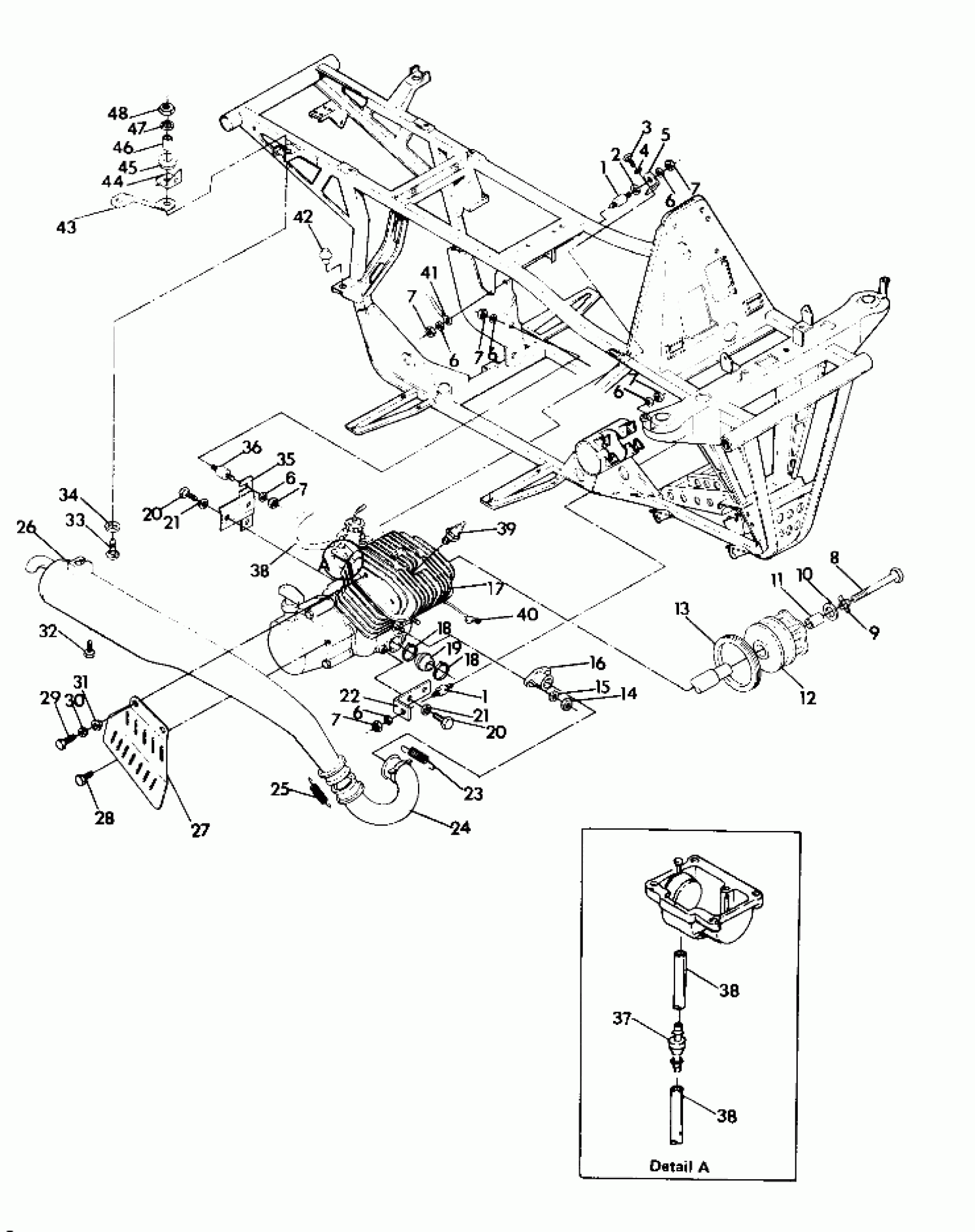
ENGINE & MUFFLER MTG. 250 4X4 - Update (4919791979005A)
Polaris TRAIL BOSS 4X4 - W918127 ENGINE & MUFFLER MTG. 250 4X4 - Update (4919791979005A) Diagram
#
Description
Price
1
MOUNT,MOTOR
3110026
Unavailable
1
MOUNT,MOTOR
3110026
Unavailable
5
MOUNT, ENG.,TOP
5220471-067
Unavailable
13
SEAL,ENG./CLUTCH
5410411
Unavailable
14
NUT(10)
3080285
Unavailable
16
MANIFOLD, BLK.
1260543-029
Unavailable
17
ENG.EC25PF-05(ATV) [No Longer Available]
1211460
Unavailable
18
CABLE, TIE
7080346
Unavailable
18
CABLE, TIE
7080346
Unavailable
21
WASHER SPRINGLOCK(10) Substituted by 7552603
7553001
Unavailable
21
WASHER SPRINGLOCK(10) Substituted by 7552603
7553001
Unavailable
22
PLATE,FR.MTR.MT.
5220881-067
Unavailable
24
HEADPIPE WELD.
1260540-029
Unavailable
26
MUFFLER/ARRESTER WELD.
1260535-029
Unavailable
27
SHIELD,MUFFLER,BLACK Substituted by 5220671-067
5222117
Unavailable
30
COLLAR
3083732
Unavailable
35
MOUNT, REAR Substituted by 5241056-067
5220757-067
Unavailable
36
MOUNT, MOTOR
3110028
Unavailable
37
CHECKVALVE,VENT Substituted by 7051011
7052047
Unavailable
38
LINE,VENT,(38.0'') Substituted by 8360009-600
5521087
Unavailable
38
LINE,VENT,(38.0'') Substituted by 8360009-600
5521087
Unavailable
38
LINE,VENT,(38.0'') Substituted by 8360009-600
5521087
Unavailable
41
CABLE,GROUND/ENG.
4010067
Unavailable
44
BRKT,LH SUPPORT RACK Substituted by 5220899-067
5220899
Unavailable
44
BRKT,RH SUPPORT RACK Substituted by 5220901-067
5220901
Unavailable
45
DAMPENER
5410241
Unavailable
