- Partiron
- OEM Parts
- Polaris
- ATV
- 1989
- TRAIL BOSS 4X4 - W898127
Body Assembly 4x4-Updated 4/89 (4916351635001A)
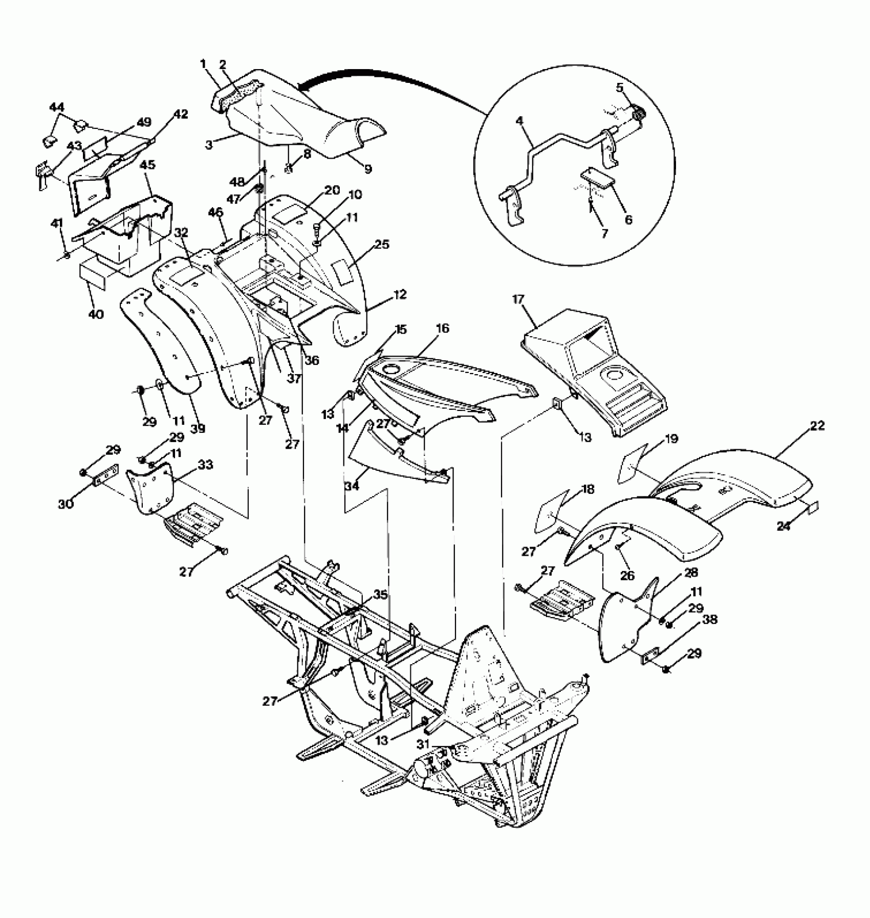
Polaris TRAIL BOSS 4X4 - W898127 Body Assembly 4x4-Updated 4/89 (4916351635001A) Diagram
#
1
SEAT ASM. Substituted by 2681724-132
2681411
Unavailable
2
SEAT BUN Substituted by 2681393
5431077
Unavailable
3
COVER, SEAT Substituted by 2681723-132
2681412
Unavailable
4
LATCH,SEAT
1011558
Unavailable
5
SPRING, LATCH
7041158
Unavailable
9
BASE, SEAT Substituted by 2681393
5430974
Unavailable
12
CAB, REAR [No Longer Available] (Fender) - No. 23
5430991
Unavailable
14
DECAL,TANK COVER(4X4) [No Longer Available]
7072804
Unavailable
15
DECAL,AGE WARN.(CPSC) Substituted by 7074827
7072692
Unavailable
16
COVER, FUEL TANK Substituted by 5431197-133
5430972
Unavailable
17
COVER, OIL TANK [No Longer Available]
5430973
Unavailable
18
DECAL(CPSC),WARNING Substituted by 7073147
7072720
Unavailable
19
DECAL,WARNING(CPSC) [No Longer Available]
7072693
Unavailable
20
DECAL(CPSC),WARN,HVY.LOAD [No Longer Available]
7072786
Unavailable
22
CAB, FRONT [No Longer Available]
5430990
Unavailable
24
LABEL, 'U.S.A.' [No Longer Available]
7073025
Unavailable
25
DECAL(CPSC),TIRE PRESS(4X4) [No Longer Available]
7072810
Unavailable
28
MUDFLAP,LH FRONT
5850086
Unavailable
28
MUDFLAP,RH FRONT
5850087
Unavailable
30
BRKT, MUD FLAP Substituted by 5211131-067
5211131
Unavailable
31
PLUG,RUBBER-HOLE,.5DIA(10) Substituted by 5411426
5410012
Unavailable
32
DECAL(CPSC),WARN,R.RACK [No Longer Available]
7072788
Unavailable
33
MUDFLAP,LH,LOW,REAR
5850076
Unavailable
34
COVER,SIDE PANEL,LH [No Longer Available]
5430970
Unavailable
34
COVER,SIDE PANEL,RH [No Longer Available]
5430971
Unavailable
35
DECAL,FILTER ELEMENT [No Longer Available]
7072791
Unavailable
36
BRKT,R.HOLDDOWN
5220880
Unavailable
37
TAPE,FOIL,R.CAB (Inside)
5810416
Unavailable
38
BRACKET,MUD FLAP Substituted by 5211020-067
5211020
Unavailable
39
FLAP,MUD,LH REAR
5850060
Unavailable
39
FLAP,MUD,RH REAR
5850061
Unavailable
40
TAPE, FOIL
5810310
Unavailable
42
LID, TOOL BOX
5430899
Unavailable
43
STRAP,TOOL COMPARTMENT
5410425
Unavailable
44
CLIP, LID HINGE(10)
7670050
Unavailable
45
BOX,TOOL COMP.
5430882
Unavailable
47
GROMMET
5410413
Unavailable
49
DECAL(CPSC),PASS.WRN. [No Longer Available]
7072805
Unavailable
