- Partiron
- OEM Parts
- Polaris
- ATV
- 1988
- TRAIL BOSS 4X4 - W888127
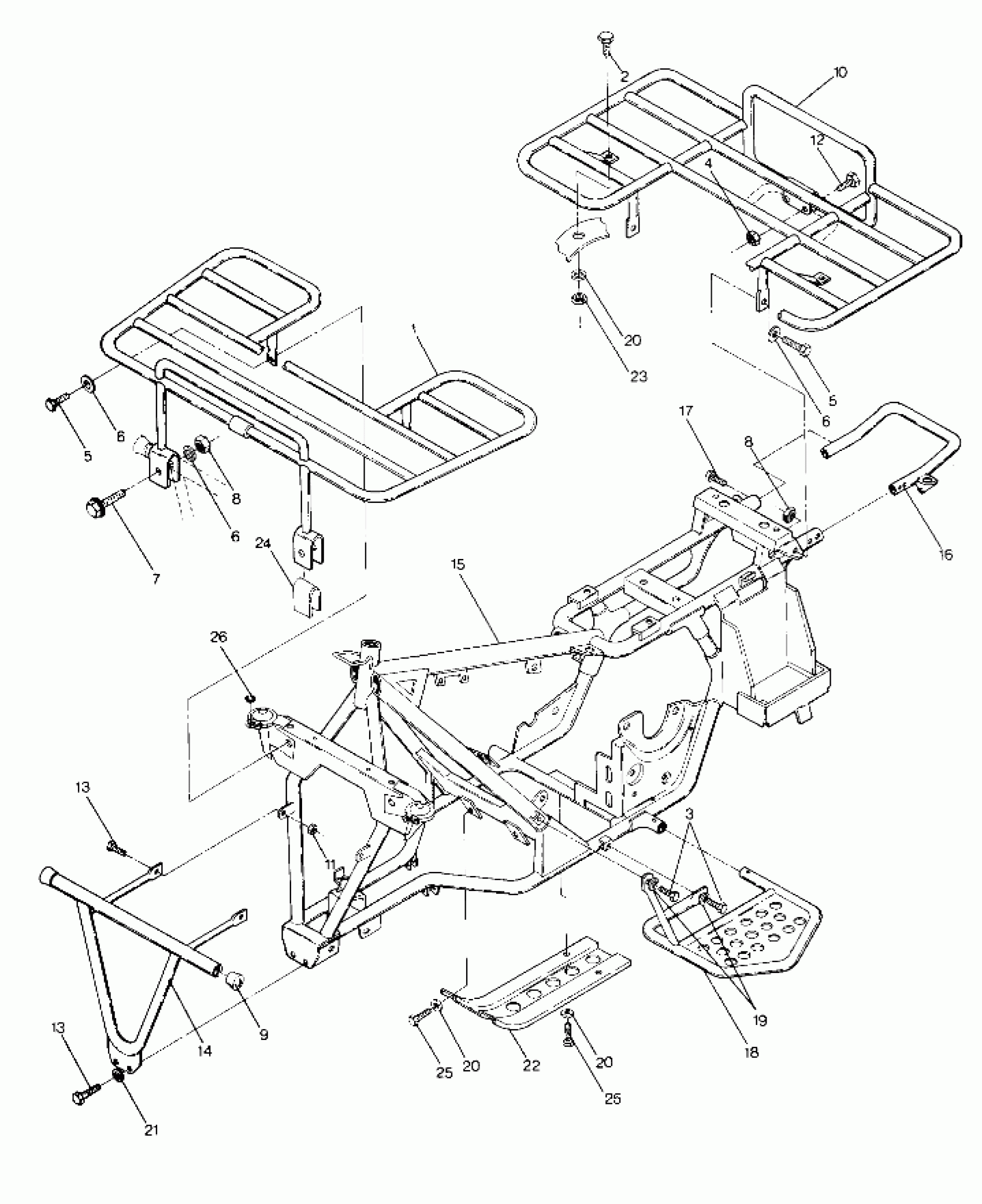
Frame Assembly with Racks (4914761476003A)
Polaris TRAIL BOSS 4X4 - W888127 Frame Assembly with Racks (4914761476003A) Diagram
#
Description
Price
2
BOLT(10)
7512269
Unavailable
4
NUT(10)
7542124
Unavailable
9
CAP, BUMPER, 4 WHL.(10) Substituted by 5410794
5430823
Unavailable
10
RACK, REAR Substituted by 2670089
2670098
Unavailable
12
BOLT
7512270
Unavailable
14
BUMPER Substituted by 2670086-067
2670086
Unavailable
15
FRAME,(4/W) Substituted by 1011628-067
1011628
Unavailable
16
BUMPER
2670097
Unavailable
17
SCREW(10)
7512252
Unavailable
18
PAD,FOOT,LH,WELD
1040132
Unavailable
18
PAD, RH FOOT
1040134
Unavailable
21
WASHER SPRINGLOCK(10) Substituted by 7552603
7553001
Unavailable
22
GUARD, ROCK
5220615
Unavailable
24
PAD [No Longer Available]
5850063
Unavailable
26
PLUG,RUBBER-HOLE,.5DIA(10) Substituted by 5411426
5410012
Unavailable
