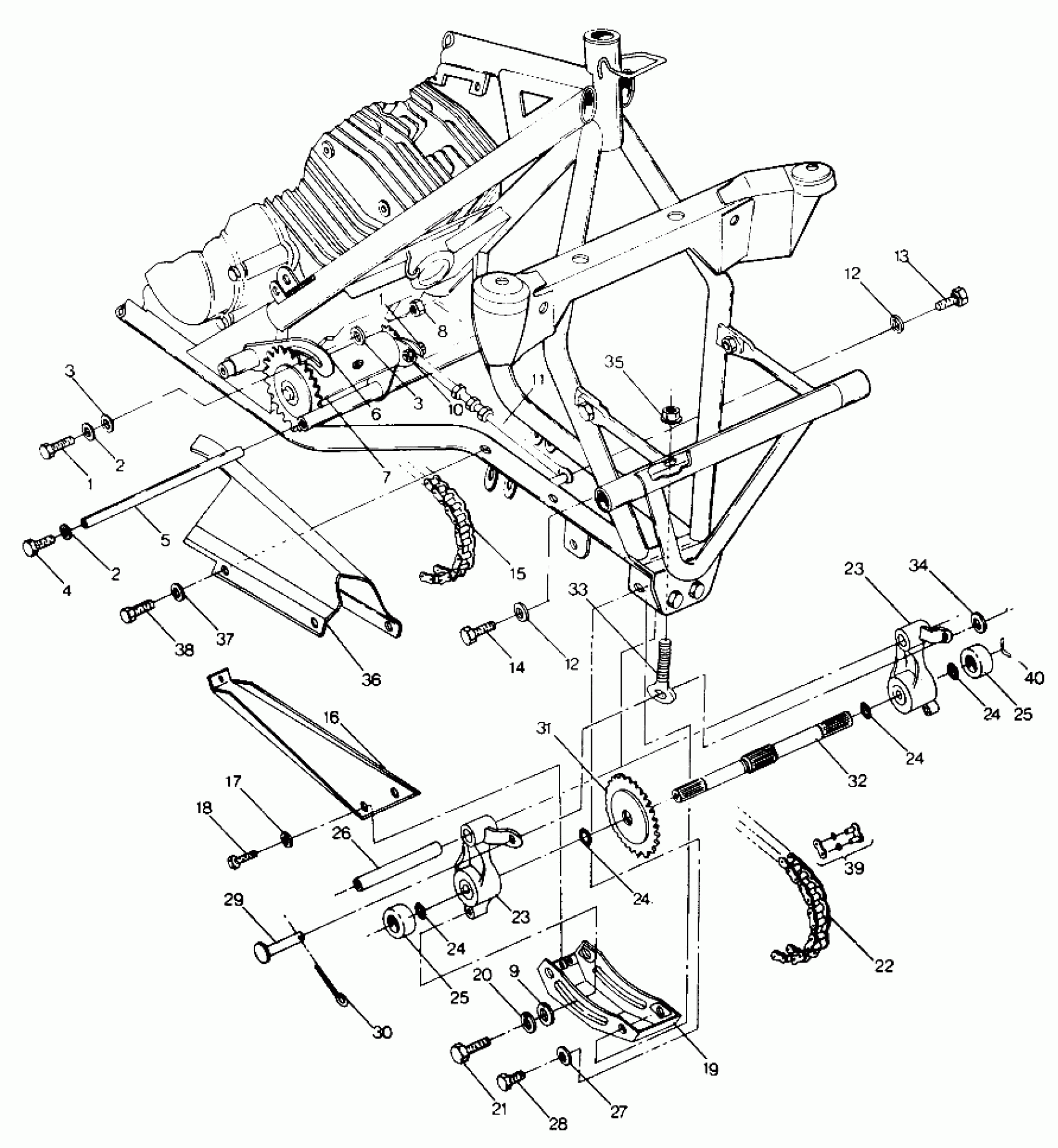
Polaris TRAIL BOSS 4X4 - W878327 Front Drive Assembly (49147514750031) Diagram
#
Description
Price
1
BOLT(10) Substituted by 7512457
7512491
Unavailable
1
BOLT(10) Substituted by 7512457
7512491
Unavailable
3
WASHER,EXT.LOC.
7571616
Unavailable
3
WASHER,EXT.LOC.
7571616
Unavailable
5
SHAFT, PIVOT CTR. [No Longer Available]
5010230
Unavailable
6
PLATE,CTR.TIGHT.ADJ.
5220785
Unavailable
7
TIGHTENER ASM,CTR. [No Longer Available]
1380001
Unavailable
9
WASHER, LOCK
7571617
Unavailable
11
ADJUSTER ASM,CTR. [No Longer Available]
1380002
Unavailable
12
WASHER SPRINGLOCK(10) Substituted by 7552603
7553001
Unavailable
12
WASHER SPRINGLOCK(10) Substituted by 7552603
7553001
Unavailable
13
BOLT(10)
7515483
Unavailable
15
CHAIN,DRIVE,W/CON.
3224039
Unavailable
16
GUARD, CHAIN
5220803
Unavailable
17
WASHER(10) Substituted by 7558301
7555776
Unavailable
18
SCREW(10)
7512252
Unavailable
19
COVER,TIGHTENER WELD.
1040141
Unavailable
22
CHAIN, DRIVE Substituted by 3224056-064
3224041
Unavailable
23
TIGHTENER ASM,LH FR. [No Longer Available]
1380004
Unavailable
23
TIGHTENER ASM,RH FR. [No Longer Available]
1380005
Unavailable
23
TIGHTENER ASM,LH FR. [No Longer Available]
1380004
Unavailable
23
TIGHTENER ASM,RH FR. [No Longer Available]
1380005
Unavailable
25
SPACER,FR.TIGHTENER
5020474
Unavailable
25
SPACER,FR.TIGHTENER
5020474
Unavailable
26
SHAFT,PIVOT,TIGHTENER [No Longer Available]
5020483
Unavailable
29
PIN, CLEVIS
7662020
Unavailable
31
SPROCKET, 22 TOOTH
3222045
Unavailable
32
SHAFT,OUTPUT
5020463
Unavailable
33
BOLT, ADJUSTER
7080293
Unavailable
34
WASHER(10) Substituted by 7555806
7555803
Unavailable
36
GUARD,CHAIN,FR.
5430902
Unavailable
40
WASHER, WAVE(10) Substituted by 7555816
7555777
Unavailable
