Partiron

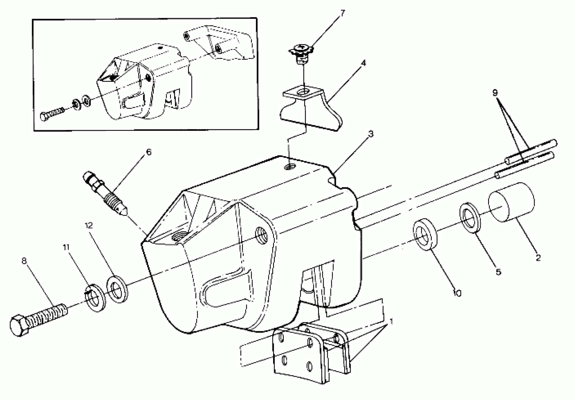
Polaris TRAIL BOSS 4X4 - W878127 Rear Brake Caliper Assembly (4913521352035A) Diagram

#

Description
Price

1

PAD ASM. Substituted by 2200464

1910032

$31.75

2

PISTON,BRAKE Substituted by 5020510

5020497

Unavailable

3

CALIPER,BRAKE Substituted by 1930638

5130650

Unavailable

4

BRACKET

5220835

Unavailable

5

RING, SQUARE Substituted by 5410519

5410481

Unavailable

6

SCREW,BLEEDER

7080352

$3.19

7

SCREW(10) Substituted by 7512048

7511953

Unavailable

8

BOLT

7512396

Unavailable

9

PIN, DOWEL(10)

7661820

$13.99

10

RING, SQUARE Substituted by 5410499

5410482

Unavailable

11

LOCK WASHER(10)

7552901

$1.49

12

WASHER-.344X.688X.063 FL-Y

7558402

$1.49