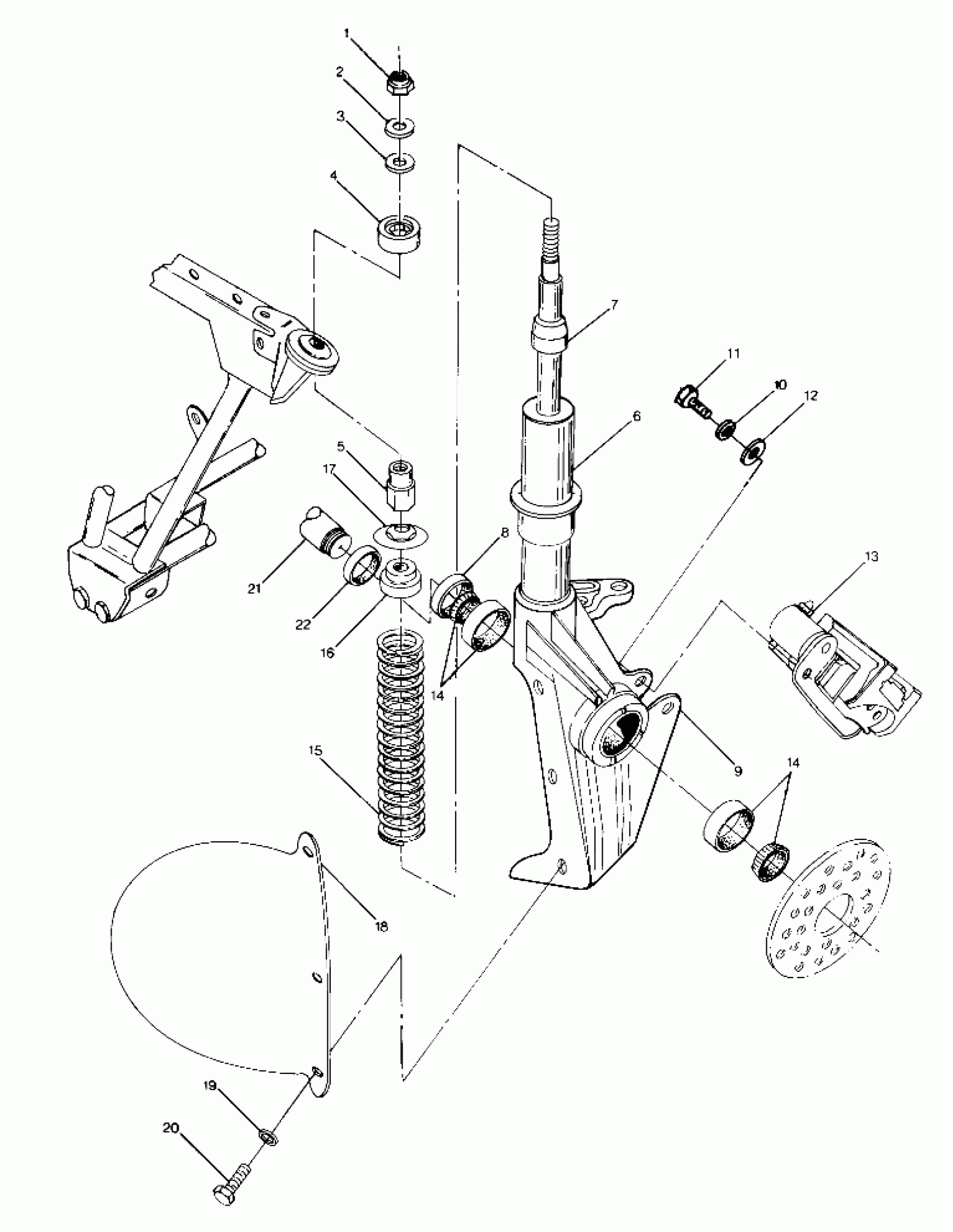
Polaris TRAIL BOSS 4X4 - W878027 Strut Assembly (4913511351015A) Diagram
#
Description
Price
4
PIVOT BALL, TOP Substituted by 5432872
5430806
Unavailable
5
SPACER, THREADED
5130631
Unavailable
6
TUBE, STRUT Substituted by 1843029
1843017
Unavailable
7
BUMPER, RUBBER
5410429
Unavailable
8
SEAL,STRUT,(4WHL.)
3610018
Unavailable
9
STRUT,HUB,LH Substituted by 1843015
5130622
Unavailable
9
STRUT,HUB,RH Substituted by 1843016
5130623
Unavailable
13
CALIPER,FRONT,RH [No Longer Available]
1910030
Unavailable
13
CALIPER,FRONT,LH [No Longer Available]
1910031
Unavailable
14
BEARING
3554505
Unavailable
14
BEARING
3554505
Unavailable
15
SPRING,STRUT,RED Substituted by 7041161-067
7041189
Unavailable
16
RETAINER,SPRING,TOP
5220602
Unavailable
17
PIVOT BALL,BOTTOM Substituted by 5432871
5430807
Unavailable
18
SHIELD, BOOT,LH
5430915
Unavailable
18
SHIELD, BOOT,RH
5430916
Unavailable
21
U-JOINT ASM.W/SLEAVE Substituted by 2200307
1380009
Unavailable
22
SEAL,SLEEVE Substituted by 5220883
5020492
Unavailable
