- Partiron
- OEM Parts
- Polaris
- ATV
- 1987
- TRAIL BOSS 4X4 - W878027
Rear Wheel Drive Assembly (4913511351019A)
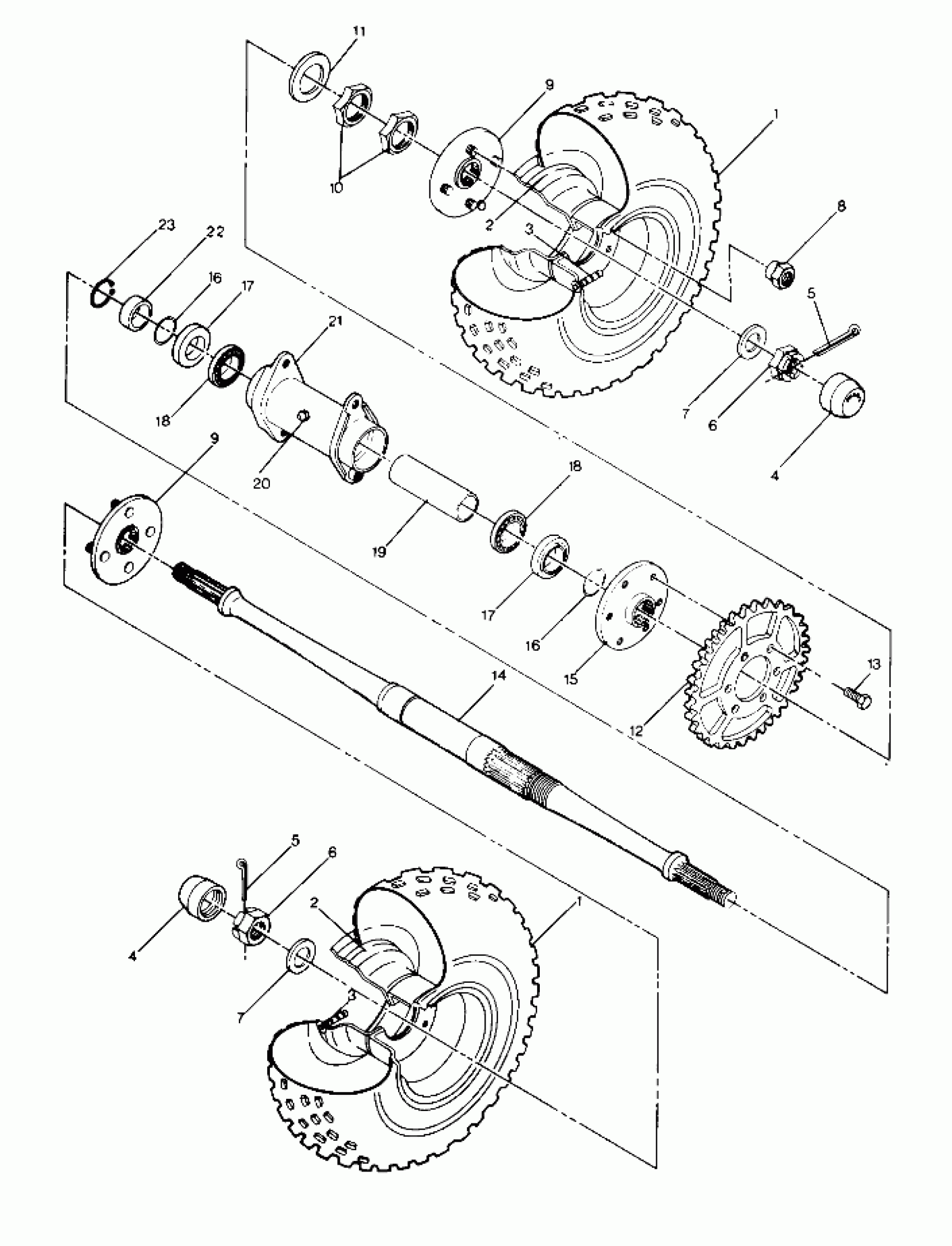
Polaris TRAIL BOSS 4X4 - W878027 Rear Wheel Drive Assembly (4913511351019A) Diagram
#
Description
Price
1
TIRE,R(24X11-10)
5410466
Unavailable
1
TIRE,R(24X11-10)
5410466
Unavailable
2
RIM,REAR,PRIMED Substituted by 1520114
1520128
Unavailable
2
RIM,REAR,PRIMED Substituted by 1520114
1520128
Unavailable
4
COVER,DUST,HUB Substituted by 5411164
5410404
Unavailable
4
COVER,DUST,HUB Substituted by 5411164
5410404
Unavailable
6
NUT, CASTLE(10)
7543005
Unavailable
6
NUT, CASTLE(10)
7543005
Unavailable
9
HUB, REAR Substituted by 1520102-067
1520102
Unavailable
9
HUB, REAR Substituted by 1520102-067
1520102
Unavailable
11
WASHER(10)
7555764
Unavailable
12
SPROCKET, 42T Substituted by 3222070
3223009
Unavailable
13
BOLT(10) Substituted by 7515494
7515482
Unavailable
14
AXLE, REAR
5020469
Unavailable
15
HUB,SPROCKET WELD Substituted by 1520170
1011559
Unavailable
16
O RING, 1 5/16(10)
5410415
Unavailable
16
O RING, 1 5/16(10)
5410415
Unavailable
19
TUBE,BEARING SPACER
5010204
Unavailable
21
HOUSING,AXLE,WELD. Substituted by 1011657-067
1011657
Unavailable
