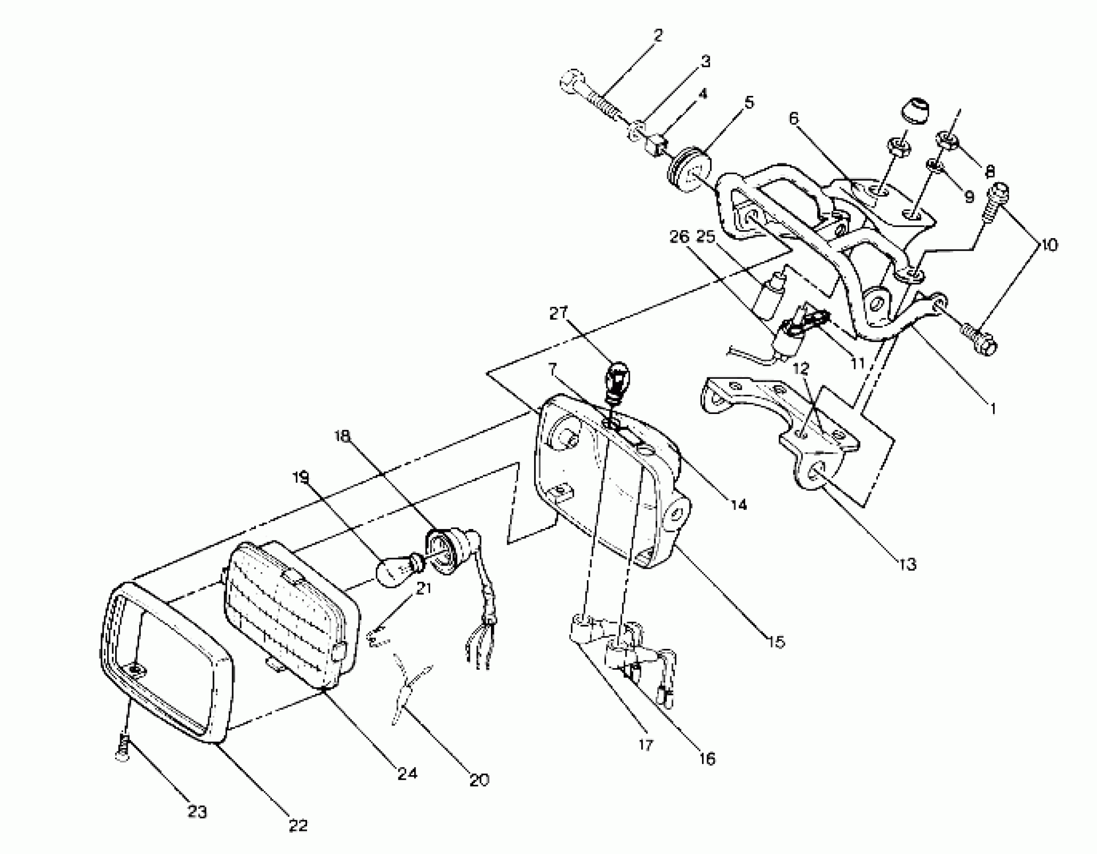
Polaris TRAIL BOSS 4X4 - W878027 Headlight Assembly (4913511351007A) Diagram
#
Description
Price
1
STAY,HEADLIGHT
4032006
Unavailable
2
BOLT, HEADLIGHT
4032024
Unavailable
3
WASHER,PLATE,HEADLIGHT
4032025
Unavailable
4
COLLAR,BODY FITTING
4032022
Unavailable
5
DAMPER,HEADLIGHT
4032023
Unavailable
6
DECAL,IGNITION [No Longer Available]
7072370
Unavailable
7
DECAL,REV.SPD.LIMIT [No Longer Available]
7072391
Unavailable
9
INSERT, CHOKE MT. [No Longer Available]
5430816
Unavailable
10
SCREW(10)
7512252
Unavailable
12
DECAL,OIL/PARK [No Longer Available]
7072376
Unavailable
13
BRACKET,H/L MT.
5220484
Unavailable
14
DECAL,INDIC.LTS. [No Longer Available]
7072371
Unavailable
15
HEADLIGHT ASM,BODY
4032012
Unavailable
16
PILOT LIGHT ASM,ON/OFF
4032027
Unavailable
17
PILOT LIGHT ASM,REVERSE
4032026
Unavailable
18
SOCKET CORD ASM.
4032011
Unavailable
19
BULB, HEADLIGHT
4032007
Unavailable
20
HARNESS,HI-BEAM INDIC.
2460248
Unavailable
21
SPRING REFLECTOR
4032010
Unavailable
22
RIM, HEADLIGHT
4032009
Unavailable
23
SCREW, PAN HEAD
4032013
Unavailable
24
LENS ASM.,HEADLIGHT
4032008
Unavailable
25
SWITCH,IGNITION,MODIFIED
4110065
Unavailable
26
CABLE, CHOKE Substituted by 7080357
7080296
Unavailable
27
BULB,INDIC. LIGHT
4030032
Unavailable
