- Partiron
- OEM Parts
- Polaris
- ATV
- 1992
- TRAIL BOSS 350L 4X4 - W928139
ENGINE and MUFFLER MOUNTING 350 4X4 / W928139 (4922832283005A)
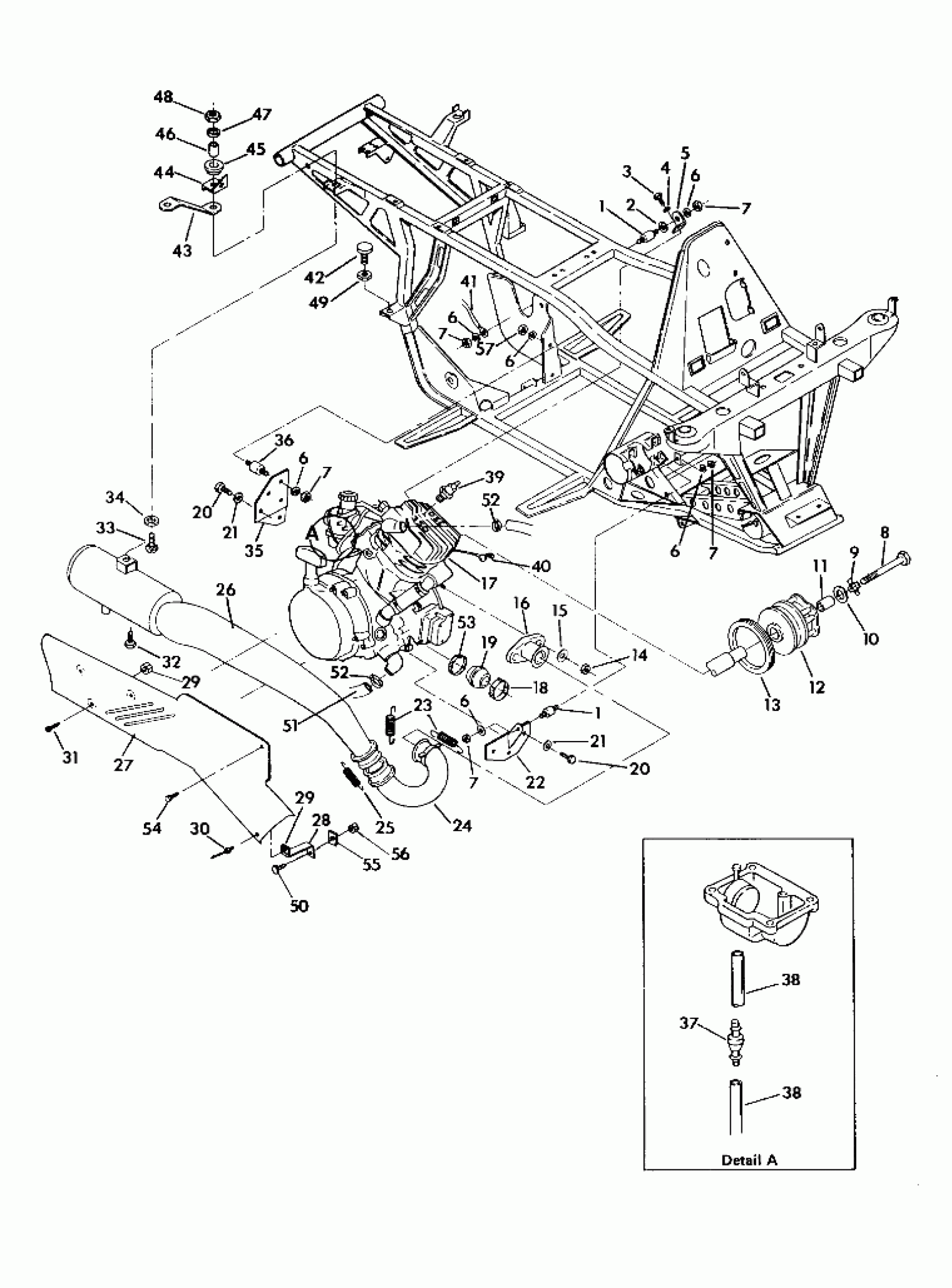
Polaris TRAIL BOSS 350L 4X4 - W928139 ENGINE and MUFFLER MOUNTING 350 4X4 / W928139 (4922832283005A) Diagram
#
Description
Price
1
MOUNT,MOTOR
3110026
Unavailable
1
MOUNT,MOTOR
3110026
Unavailable
5
MOUNT,ENG.TOP
5222415-067
Unavailable
13
Seal, Cover Case
5410575
Unavailable
14
NUT(10)
3080285
Unavailable
16
MANIFOLD, BLK.
1260543-029
Unavailable
17
ENG.EC35PL-02 [No Longer Available]
1211466
Unavailable
17
ENG.EC35PL-02-S [No Longer Available] (N28139)
1211490
Unavailable
18
CABLE, TIE
7080346
Unavailable
21
WASHER SPRINGLOCK(10) Substituted by 7552603
7553001
Unavailable
21
WASHER SPRINGLOCK(10) Substituted by 7552603
7553001
Unavailable
22
MOUNT,ENGINE
1040231-067
Unavailable
24
HEADPIPE WELD.
1260549-029
Unavailable
26
MUFFLER Substituted by 1260588-029
1260547-029
Unavailable
27
SHIELD ASM,MUFFLER Substituted by 2200396
1260579
Unavailable
29
NUT, RETAINER(10)
7670071
Unavailable
29
NUT, RETAINER(10)
7670071
Unavailable
35
MOUNT,REAR,ATV
5222416-067
Unavailable
36
MOUNT, MOTOR
3110028
Unavailable
37
CHECKVALVE,VENT Substituted by 7051011
7052047
Unavailable
38
LINE,VENT,(38.0'') Substituted by 8360009-600
5521087
Unavailable
38
LINE,VENT,(38.0'') Substituted by 8360009-600
5521087
Unavailable
41
CABLE,GROUND/ENG.
4010067
Unavailable
42
MOUNT, MOTOR
3110030
Unavailable
44
BRKT,LH SUPPORT RACK Substituted by 5243468-067
5220899-067
Unavailable
44
BRKT,RH SUPPORT RACK Substituted by 5243469-067
5220901-067
Unavailable
45
DAMPENER
5410241
Unavailable
53
CLAMP
7080136
Unavailable
