- Partiron
- OEM Parts
- Polaris
- ATV
- 1991
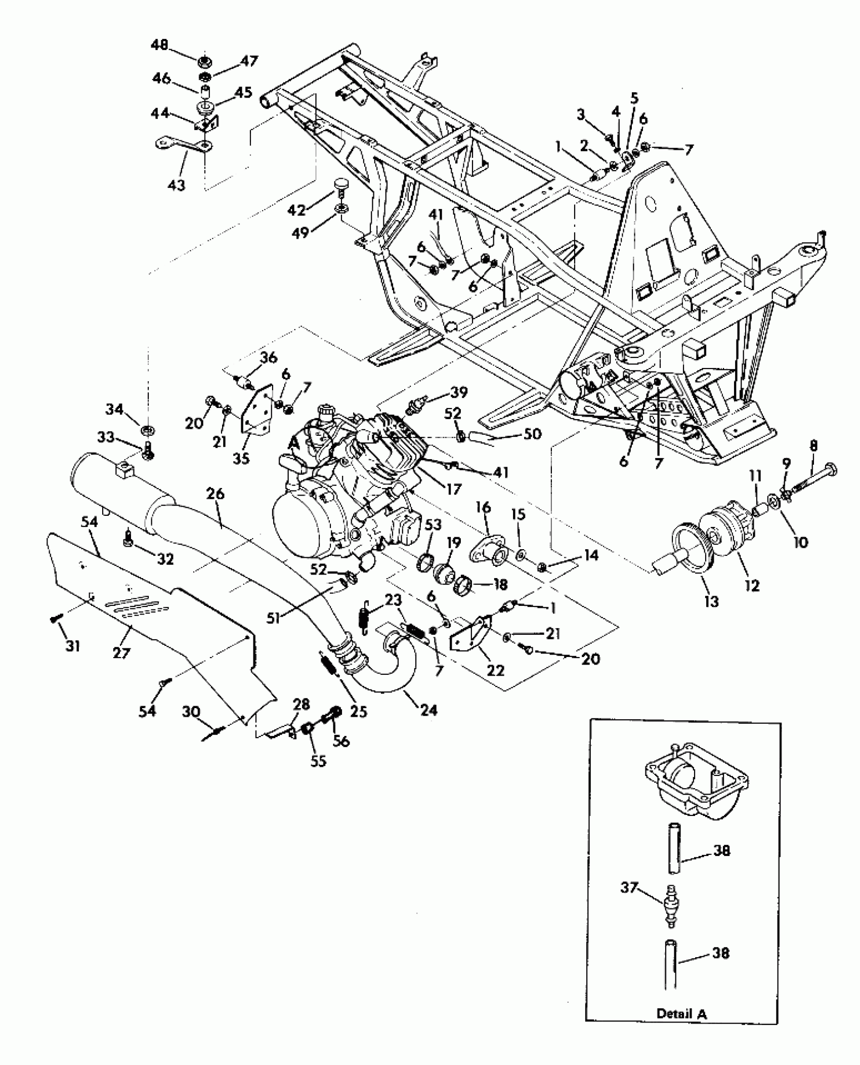
- TRAIL BOSS 350L 4X4 - W918139
ENGINE/MUFFLER MOUNTING 350 4X4 - Update (4919831983005A)
Polaris TRAIL BOSS 350L 4X4 - W918139 ENGINE/MUFFLER MOUNTING 350 4X4 - Update (4919831983005A) Diagram
#
Description
Price
1
MOUNT,MOTOR
3110026
Unavailable
1
MOUNT,MOTOR
3110026
Unavailable
5
MOUNT, ENG.TOP Substituted by 5222415-067
5222415
Unavailable
13
Seal, Cover Case
5410575
Unavailable
14
NUT(10)
3080285
Unavailable
17
ENG.EC35PL-02 [No Longer Available]
1211466
Unavailable
18
CABLE, TIE
7080346
Unavailable
21
WASHER SPRINGLOCK(10) Substituted by 7552603
7553001
Unavailable
21
WASHER SPRINGLOCK(10) Substituted by 7552603
7553001
Unavailable
22
MOUNT, ENGINE Substituted by 1040231-067
1040231
Unavailable
24
HEADPIPE WELD. Substituted by 1260549-029
1260549
Unavailable
26
MUFFLER Substituted by 1260547-029
1260547
Unavailable
27
SHIELD, MUFFLER Substituted by 5222417-067
5222417
Unavailable
28
BRKT,MUFFLER SHIELD Substituted by 5222549-067
5222549
Unavailable
33
DESC NOT_AVAILABLE
7516316
Unavailable
35
MOUNT, REAR, ATV Substituted by 5222416-067
5222416
Unavailable
36
MOUNT, MOTOR
3110028
Unavailable
37
CHECKVALVE,VENT Substituted by 7051011
7052047
Unavailable
38
LINE,VENT,(38.0'') Substituted by 8360009-600
5521087
Unavailable
38
LINE,VENT,(38.0'') Substituted by 8360009-600
5521087
Unavailable
41
CABLE,GROUND/ENG.
4010067
Unavailable
41
CABLE,GROUND/ENG.
4010067
Unavailable
42
MOUNT, MOTOR
3110030
Unavailable
45
DAMPENER
5410241
Unavailable
45
DAMPENER
5410241
Unavailable
52
CLAMP-HOSE Substituted by 7080547
7080225
Unavailable
52
CLAMP-HOSE Substituted by 7080547
7080225
Unavailable
53
CLAMP
7080136
Unavailable
56
BOLT(10)
7515110
Unavailable
