- Partiron
- OEM Parts
- Polaris
- ATV
- 1990
- TRAIL BOSS 350L 4X4 - W908139
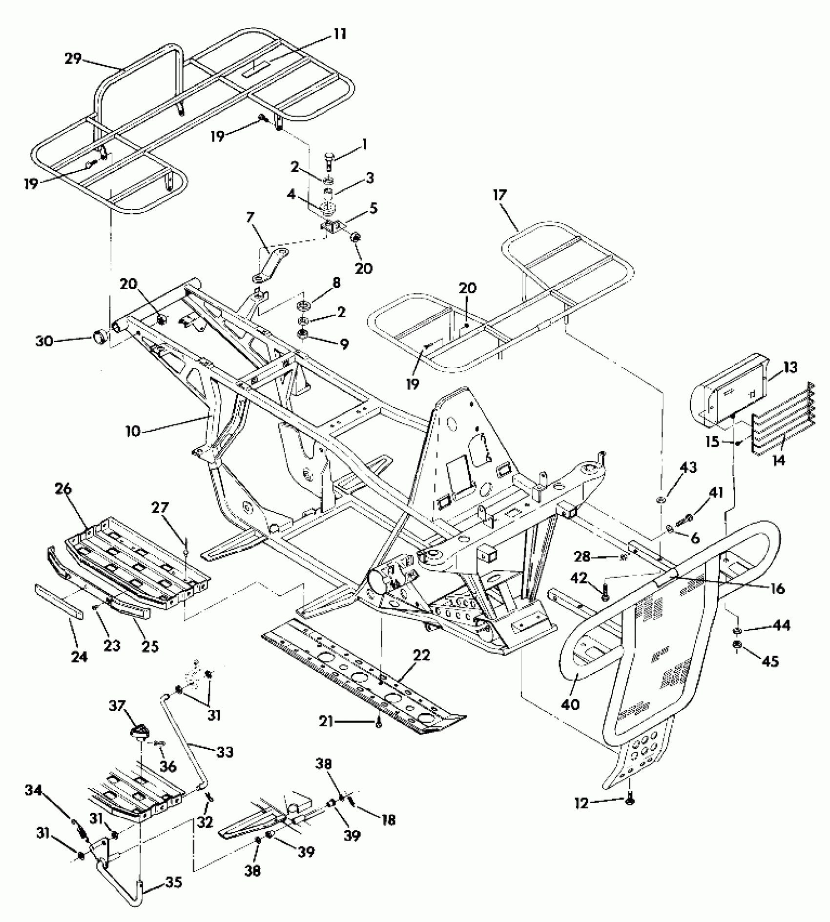
Frame Assembly with Racks (4918541854003A)
Polaris TRAIL BOSS 350L 4X4 - W908139 Frame Assembly with Racks (4918541854003A) Diagram
#
4
DAMPENER
5410241
Unavailable
5
BRKT,LH SUPPORT RACK Substituted by 5220899-067
5220899
Unavailable
5
BRKT,RH SUPPORT RACK Substituted by 5220901-067
5220901
Unavailable
10
FRAME,SQUARE(4X4-350) [No Longer Available]
1040224-067
Unavailable
12
SCREW(10)
7512252
Unavailable
13
LENS
4032051
Unavailable
13
BEZEL
4032052
Unavailable
13
GASKET [No Longer Available]
4032050
Unavailable
13
REFLECTOR [No Longer Available]
4032049
Unavailable
13
HEADLAMP ASM.
4032043
Unavailable
13
BOOT
4032054
Unavailable
14
GUARD, STONE
4032044
Unavailable
15
SCREW [No Longer Available]
4032053
Unavailable
16
DECAL,FR.SUSPENSION [No Longer Available]
7072701
Unavailable
17
RACK,FRT,STL.GREY,350 Substituted by 2670137-067
2670120-132
Unavailable
19
SCREW,PAN HD,PHILLIPS(10) Substituted by 7515355
7515341
Unavailable
19
SCREW,PAN HD,PHILLIPS(10) Substituted by 7515355
7515341
Unavailable
19
SCREW,PAN HD,PHILLIPS(10) Substituted by 7515355
7515341
Unavailable
22
GUARD, ROCK Substituted by 5222272-067
5222272
Unavailable
23
RIVET,SEMI-TUBE,(50)
7661812
Unavailable
24
REFLECTOR AMBER
2670071
Unavailable
25
RUBRAIL,(FOOTREST) Substituted by 5431484
5431019
Unavailable
26
PAD,FOOT, RH Substituted by 1040275-117
1040220
Unavailable
27
RIVET, (MONOBOLT) Substituted by 7661637
7661620
Unavailable
29
RACK, REAR Substituted by 2670138-067
2670121-132
Unavailable
30
CAP, BUMPER, 4 WHL.(10) Substituted by 5410794
5430823
Unavailable
31
WASHER Substituted by 7555827
BBC0173
Unavailable
31
WASHER Substituted by 7555827
BBC0173
Unavailable
31
WASHER Substituted by 7555827
BBC0173
Unavailable
35
PEDAL, BRAKE Substituted by 1910054-067
1910054
Unavailable
36
PIN, SPIRAL(10)
7661416
Unavailable
37
PEDAL, FOOT Substituted by 5130715-067
5130715
Unavailable
40
BUMPER,FRT,BLK,(4X4,350) Substituted by 2670148-067
2670119-067
Unavailable
44
WASHER
4032055
Unavailable
45
NUT(10)
7546905
Unavailable
